MPQ76352FS-AEC1
MPSafeTM, ASIL-B, 42V, High Current Output, Synchronous Buck Converter for Automotive Lighting, AEC-Q100 Qualified
入手可能な製品番号
MPQ76352FSGQJTE-xxxxAEC-Z MPQ76352FSGQJTE-xxxxAEC-P MPQ76352FSGQJTE-0000AEC-Z MPQ76352FSGQJTE-0000AEC-P
P&Zの意味 
関連商品
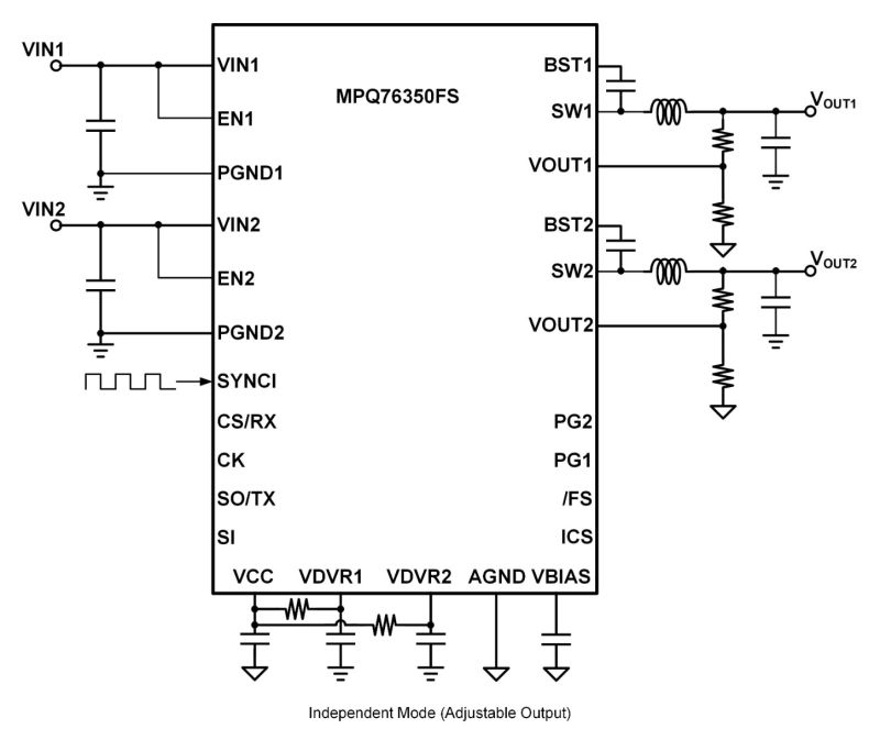
MPQ76350FS-AEC1 MPSafeTM, ASIL-B, 42V, High Current Output, Synchronous Dual-Buck Converter for Automotive Lighting, AEC-Q100 Qualified
The MPQ76350FS-AEC1 is an ASIL-B, high current output, synchronous dual-buck converter designed for automotive lighting applications. It has a wide input voltage (VIN) range, fast transient response, high efficiency, monitoring and protection features, and excellent EMI performance.
The MPQ76350FS-AEC1 can operate in dual-channel mode or single-channel, multi-phase mode. In dual-channel mode, the MPQ76350FS-AEC1 can output up to 7A of current per buck, or 10A of current per buck with a heat sink. In single-channel, multi-phase mode, the MPQ76350FS-AEC1 can output 14A of current, or 20A of current with a heat sink.
The switching frequency (fSW) can be configured from 200kHz to 2.2MHz. Frequency spread spectrum (FSS) improves EMI performance.
The MPQ76350FS-AEC1 is rated for ISO 26262 ASIL-B hardware. Built-in self-testing (BIST) is implemented to perform self-diagnostics on critical analog and logic functions. Voltage monitoring is implemented for the output rail, along with critical internal voltage signals including VCC and the bandgap reference. Clock monitoring and thermal monitoring can also be implemented. The safety-related blocks have independent voltage regulators, bandgap, and oscillators, which offer excellent redundancy to achieve failsafe operation.
Selectable digital interfaces include a serial peripheral interface (SPI) or a universal asynchronous receiver-transmitter (UART) interface, which enable a high degree of configurability. The one-time programmable (OTP) memory allows for vast flexibility through configurations.
The MPQ76350FS-AEC1 is available in a TQFN-28 (5mmx6mm) package. It is available in AEC-Q100 Grade 1.
MPSafe™、40V、高出力電流、同期整流デュアル降圧型コンバータ、AEC-Q100認定
アカウントにログイン
新しいアカウントを作成