MPQ76350FS-AEC1
MPSafeTM, ASIL-B, 42V, High Current Output, Synchronous Dual-Buck Converter for Automotive Lighting, AEC-Q100 Qualified
入手可能な製品番号
MPQ76350FSGQJTE-xxxxAEC-Z MPQ76350FSGQJTE-xxxxAEC-P MPQ76350FSGQJTE-0000AEC-Z MPQ76350FSGQJTE-0000AEC-P
P&Zの意味 
関連商品
MPQ73350FS-AEC1 MPSafe™、40V、高出力電流、同期整流デュアル降圧型コンバータ、AEC-Q100認定
MPQ73350FS-AEC1は、自動車の安全アプリケーション向けに設計された同期整流デュアル降圧型コンバータです。広い入力電圧 (VIN) 範囲、高速過渡応答、高効率、豊富なモニタリングおよび保護機能、および良好なEMI性能を持っています。
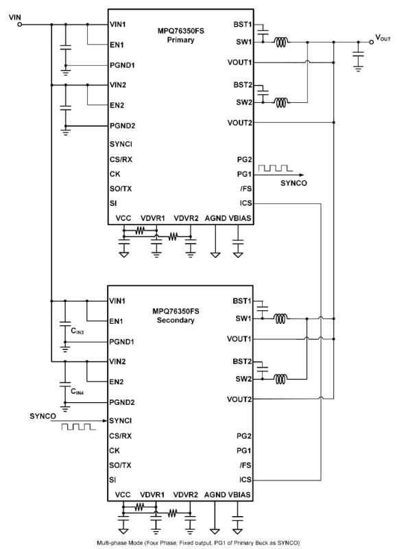
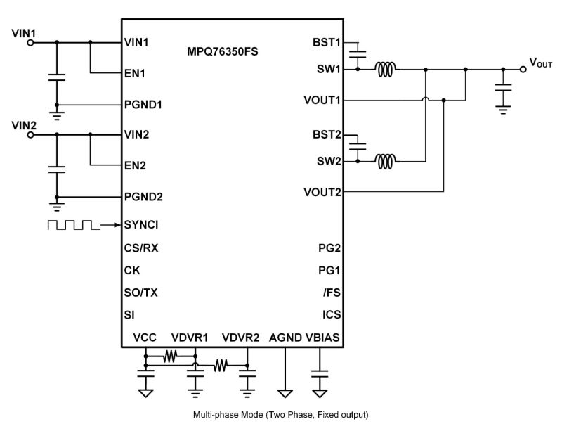
MPQ73350FS-AEC1は、2チャネルモードまたはシングル出力マルチフェーズモードのいずれかの動作を選択できます。2チャンネルモードでは、各降圧の出力電流 (IOUT) は最大7Aで、ヒートシンクを使用すれば12Aの出力電流が可能です。複数のMPQ73350FS-AEC1 チップを並列に配置でき、最大4相まで対応します。スイッチング周波数 (fSW) は200kHz~2.2MHzに設定可能で、外部クロック信号を介して同期できます。周波数拡散スペクトル (FSS) がEMI性能を向上させるために備わっています。
包括的な保護機能には、入力低電圧誤動作防止機能 (UVLO)、入力過電圧保護 (OVP)、サイクルごとのピーク電流制限、出力OVP、出力短絡保護 (SCP)、およびサーマルシャットダウンが含まれます。選択可能なSPIまたはI2Cインタフェースを介して、異なる設定を容易に設定することができます。オンタイムプログラマブル (OTP) メモリは、プログラム可能なため幅広い柔軟性を提供します。
MPQ73350FS-AEC1は、TQFN-28 (5mm x 6mm) パッケージで提供され、AEC-Q100の認定を受けています。
アカウントにログイン
新しいアカウントを作成