MPQ76233FS-AEC1
MPSafeTM, ASIL-B, 36V, 10A, IR LED Driver with Eye Safety Features, AEC-Q100 Qualified
入手可能な製品番号
MPQ76233FSGRE-xxxx-AEC1-Z MPQ76233FSGRE-xxxx-AEC1-P MPQ76233FSGRE-0000-AEC1-Z MPQ76233FSGRE-0000-AEC1-P
P&Zの意味 
関連商品
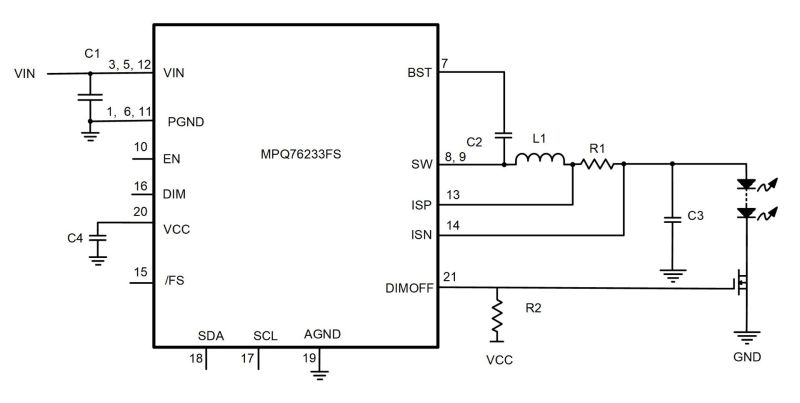
MPQ76230FS-AEC1 MPSafeTM ASIL-C, 36V, 10A, IR LED Driver with Eye Safety Features, AEC-Q100 Qualified
The MPQ76230FS-AEC1 is an infrared (IR) LED/VCSEL driver with integrated eye safety features for automotive driver monitoring systems (DMS) and occupant monitoring systems (OMS). The device combines a boost stage and a buck stage to deliver up to 10A of peak output current (IOUT) to drive IR LED/VCSEL strings. An input load switch allows for the input current (IIN) to be limited to 1.5A, making the driver ideal for power over coaxial (PoC) DMS applications.
The MPQ76230FS-AEC1 can support a pulse-width modulation (PWM) dimming frequency as low as 10Hz, and is compatible with 30fps, 60fps, and 120fps dimming. The MPQ76230FS-AEC1 uses fixed-frequency band-band control with 420kHz or 2.2MHz configurable switching frequency (fSW) options on the buck stage. The pre-boost stage also uses a configurable 420kHz or 2.1MHz fixed frequency to regulate the buck input voltage (VIN).
An analog-to-digital converter (ADC) is integrated to monitor VIN, boost output voltage, LED current (ILED), output voltage (VOUT), and junction temperature (TJ). Configurable protection features via the I2C digital interface include dimming on-time limit, FPS dimming limit, LED short-to-GND and short-to-battery protection, LED open protection, over-current protection (OCP), over-voltage protection (OVP), and thermal warning/shutdown (TSD). Fault and diagnostic data can be read, and an open-drain failsafe (/FS) pin asserts low during such conditions.
The MPQ76230FS-AEC1 is ASIL-C hardware-capable rated. Safety mechanisms such as built-in self-testing (BIST) provide high diagnostic coverage, which helps the system achieve its target ASIL rating. The part has been developed under MPS’s advanced MPSafeTM Functional Safety Product Development process, which has been independently certified to ISO 26262 guidelines.
The MPQ76230FS-AEC1 requires a minimal number of standard external components and is available in a space-saving QFN-21 (4mmx4mm) wettable flank package. It is available in AEC-Q100 Grade 1.
アカウントにログイン
新しいアカウントを作成