- MPQ29125-AEC1
MPQ29125-AEC1
Session textval
Session Titefor popup
概要
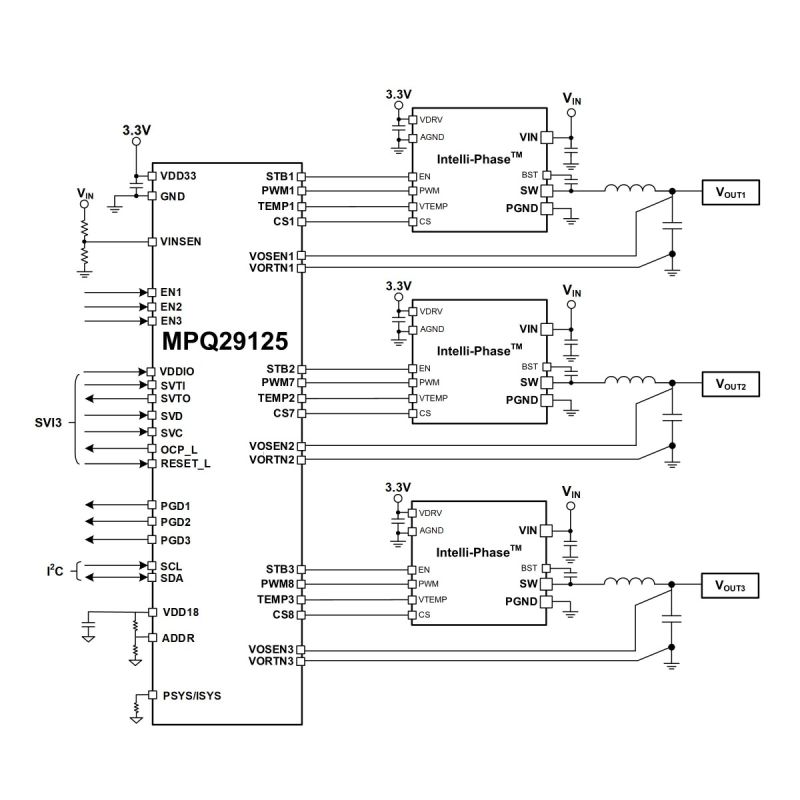
The MPQ29125-AEC1 is a 3-rail, digital multi-phase controller that provides power for automotive applications with SVI3 AMD core power.
The MPQ29125-AEC1 can work with MPS’s Intelli-PhaseTM products to complete the multi-phase voltage regulator (VR) solution with minimal external components. The MPQ29125’s rails and phases can be configured flexibly.
The on-chip, non-volatile memory (NVM) stores and restores device configurations. Device configurations and fault parameters can be configured and monitored using the I2C bus interface. The MPQ29125-AEC1 can monitor and report the output current (IOUT) through the Intelli-PhaseTM current-sense (CS) output.
The MPQ29125-AEC1 is based on unique, digital, multi-phase nonlinear control to provide fast transient response to the load transient with minimal output capacitors. With only one power loop control method for both the steady state and load transient, power loop compensation is simple to configure.
Active current balancing and automatic phase-shedding (APS) improve thermal efficiency and performance. The device monitors the input voltage (VIN), output voltage (VOUT), output current (IMON), and temperature. It also features selectable protection functions with a configurable load line for each rail.
The MPQ29125-AEC1 is available in a TQFN-52 (6mmx6mm) package, and is available in AEC-Q100 Grade 1.
-
もっと見る
少なく表示
機能と利点
- Up to 8-Phase, 3-Rail, Digital Controller for AMD SVI3 Vcore Power
- I2C Communication Interface
- SVI3 Interface
- Supports SVI3 Type 2
- Built-In Non-Volatile Memory (NVM) to Store Configurations
- Switching Frequency (fSW) from 200kHz to 2MHz
- Automatic Loop Compensation
- Flexible Phase Assignment for 3 Rails
- Automatic Phase-Shedding (APS) to Improve Overall Efficiency
- Phase-to-Phase Active Current Balancing with Configurable Offsets for Thermal Balancing
- Input Voltage (VIN), Output Voltage (VOUT), Current, and Power Monitoring
- Separate Enable (EN), Power Good (PG), and TEMP Sense
- VIN Under-Voltage Lockout (UVLO), Output Over-Voltage Protection (OVP) and Under-Voltage Protection (UVP), Over-Current Protection (OCP), and Over-Temperature Protection (OTP) with No Action or Latch-Off Mode
- Per-Phase Over-Current Limiting (OCL)
- Digital Load-Line Regulation
- Available in a Small TQFN-52 (6mmx6mm) Package
- Available in AEC-Q100 Grade 1
入手可能な製品番号
MPQ29125GQKT-xxxx-AEC1-Z MPQ29125GQKT-xxxx-AEC1-P
PとZで終わる部品番号は同じ部品です。PとZはリールサイズのみを示します
P&Zの意味 
MPQ29125-AEC1 Resources
-
PRODUCT CATEGORY
SOC用コア電源 - デジタルマルチフェーズコントローラ製品カテゴリ -
APPLICATION
センサフュージョン・ドメインコントローラアプリケーション知覚感知システムは、新車で提供される一般的なADASとなり、新車がレーダーとカメラ、さらにはLIDARシステムを統合するにつれて、今後も拡大し続けるでしょう。しかし、これらのセンサにはそれぞれ強みと限界があるため、センサフュージョンが登場します。自動車のすべての知覚感知システムからの入力を組み合わせることによって、ドライバーには、車両周辺の物体や潜在的な危険を正確に検出するための可能な限りベストな情報が提供されます。しかし、これらの素晴らしい機能はまた、ISO26262安全基準への適合およびEMI軽減に加えて、より大きな技術的複雑さも意味します。 信頼性の高い車載グレードの電源管理ソリューションの製品ラインには、電源モジュール、降圧コンバータ、リニアレギュレータなどがあります。これらの部品は、最小のパッケージサイズで最高の効率と性能が得られるように設計されており、EMIを最小限に抑え...
-
PRODUCT
MPQ29164-AEC1製品Digital, 6-Phase Controller with I2C Interface for IMVP8/9/9.1, AEC-Q100 Qualified
-
USE CASE
INTELLI-PHASE™ ソリューション使用事例 : 中央コンピュータ使用例この使用事例では、 自律走行車の中央コンピュータのMPQ2946とMPQ86760のアプリケーションを検討します。 MPQ2946とMPQ86760は、高電力密度、汎用性、統合設計などの機能を備えた、自律走行車の中央コンピュータ向けの2つの最先端の電力変換ソリューションを提供します。 自動運転車内の中央コンピュータは、リアルタイムのデータ処理、環境の検知とモニタリング、動作制御に関する重要な意思決定など、集中的な作業負荷を処理します。電力コンバータのサイズを大きくすると、中央コンピュータに必要なより高い電力消費と供給に対応できます。ただし、大きくてかさばる電力コンバータは重量の増加により、車両の全体的な航続距離と性能も低下させます。その結果、自動車の設計者は、中央コンピュータのかなりの処理能力に対応できる、簡素化された電力コンバータ設計を求めています。 MPQ2946とM...
-
PRODUCT
MPQ2946製品シリアルインタフェース付きデジタル、8フェーズコントローラ、AEC-Q100認定
-
ARTICLE
車載用SOCコアレールに電力供給する場合の課題とチャンス寄稿文自動車業界は、電気自動車 (EV)、自動運転、ハイエンド インフォテインメントシステム、車両コネクティビティおよびソフトウェア デファインド ビークルに対応するために大きな変革を迎えようとしています。EV変革の目標とメリット、および自動車サプライチェーンへの影響は、現在では十分に理解されています。 ただし、自動運転とハイパフォーマンス コンピューティング (HPC) に向けたデジタル変革は初期段階で、まだ進化し続けています。この変革は、EVと内燃機関 (ICE) 車両の両方に適用されます。こうした将来有望なトレンドによる技術の混乱は、自動車のサプライチェーンに課題とチャンスをもたらすでしょう。 人口増加と都市化が続くため、現代の交通機関は渋滞、事故、移動手段の不足に悩まされており、社会経済に悪影響を及ぼしています (図1参照)。個人使用向けの自動運転車やコネクテッドカー、公共交通機関向...
-
USE CASE
自動運転の使用事例使用例2004年~2007年の間に、自動運転が米国で開始され、3つの無人運転への挑戦が行われました。自動運転が産業化の時代に入った今、共通の課題に対処し、複雑なシステム全体でパフォーマンスを向上させることが重要です。この使用事例では、自動運転でMPQ2967-AEC1、MPQ86960、MPQ79500FS-AEC1とMPQ79700FS-AEC1のアプリケーションを検証します。 自動運転車は、センサと演算ユニットを使用するインテリジェントな車両です。コアハードウェアモジュールには、電子制御ユニット (ECU)、ドメイン制御ユニット (DCU)、およびセンサが含まれます。SAE Internationalによって発行されたSAE J3016TM 基準によると、自動運転はL0からL5までの6つのレベルに分類されます。ここで、L0は緊急事態 (例 : 早期警告や瞬間的な支援) での運転支援を指...
-
PRODUCT
MPQ2977-AEC1製品シリアルインタフェ-ス付きデジタル 6相コントローラ、AEC-Q100認定
-
PRODUCT
MPQ2967-AEC1製品PMBusインタフェースを備えたデュアルレール、デジタル、4フェーズコントローラ、AEC-Q100認定
-
PRODUCT
MPQ2176B-AEC1製品5.5V, 4A to 6A, 2.2MHz Synchronous Step-Down Converter, AEC-Q100 Qualified
-
PRODUCT
MPQ5884-AEC1製品80V, 4.5mΩ, E-Fuse and Smart High-Side Power Switch, AEC-Q100 Qualified
-
PRODUCT
MPQ71020FS-AEC1製品MPSafeTM, ASIL-D, 6V, 30A, Synchronous Buck Converter with ZDPTM, AEC-Q100 Qualified
-
VIDEO
QUAD-CHANNEL HIGH-SIDE SWITCH FOR AUTOMOTIVE: MPQ77240FS-AEC1ビデオThe MPQ77240FS-AEC1 is a scalable, flexible, quad-channel high-side switch engineered for the most demanding automotive applications. Supporting a 5V to 16V input voltage range and up to 0.8A of load per channel, it ensures system safety with features like short-to-battery protection, over-current protection (OCP), and thermal shutdown. The MPQ77240FS-AEC1 delivers compact, space-saving power cont...
-
PRODUCT
MPQ5862-AEC1製品16V、1.5A、90mΩ RDS(ON)、デュアルチャネル、ハイサイドスイッチ、AEC-Q100認定済み
-
PRODUCT
MPQ7935-AEC1製品5.5V, 5-Channel PMIC with x4 1A Buck Converters, x1 300mA LDO, I2C, and MOTP, AEC-Q100 Qualified
-
PRODUCT
MPQ5864-AEC1製品16V, 0.8A, 180mΩ RDS(ON), Quad-Channel, High-Side Switch, AEC-Q100 Qualified
-
PRODUCT
MPQ4390-AEC1製品40V, High Current Output, Synchronous, Dual Buck Converter, AEC-Q100 Qualified
-
PRODUCT
MPQ70171FS-AEC1製品MPSafeTM, ASIL-B, 5.5V PMIC with 5 Bucks and 4 LDOs for Safety-Relevant Applications, AEC-Q100 Qualified
-
PRODUCT
MPQ7970-AEC1製品MPSafeTM-Compatible, 5.5V PMIC for SoCs, 5 LDOs, 4 GPIOs, and 2 Voltage Monitors, AEC-Q100 Qualified
-
PRODUCT
MPQ2285-AEC1製品6V, 10A, Configurable, High-Frequency, Synchronous Buck Converter with ZDPTM, AEC-Q100 Qualified
-
PRODUCT
MPQ2176-AEC1製品5.5V, 4A to 6A, 2.2MHz, Synchronous Step-Down Converter, AEC-Q100 Qualified
-
PRODUCT
MPQ2177F-AEC1製品6V、1A、2.5MHz、AAMモード、パワーグッドとソフトスタート付き同期整流ステップダウンコンバータ、AEC-Q100認定
-
PRODUCT
MPQ5852A-AEC1製品36V, Smart Diode Controller with Two Voltage Monitors, AEC-Q100 Qualified
-
PRODUCT
MPQ2284-AEC1製品6V, 8A, Configurable, High-Frequency, Synchronous Buck Converter with ZDPTM, AEC-Q100 Qualified
-
PRODUCT
MPQ5894-AEC1製品36V, 3A, Quad-Channel, Smart High-Side Switch, AEC-Q100 Qualified
アカウントにログイン
新しいアカウントを作成