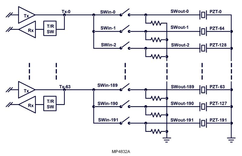
MP4832A

32-Channel, High-Voltage Analog Switch with Output Bleed Resistors

Shopping Cart注文

MP4832A

32-Channel, High-Voltage Analog Switch with Output Bleed Resistors

入手可能な製品番号

MP4832AGRD-T

設計リソース

シンボル、フットプリント&3Dモデル
30種以上のフォーマット Show more
Cad Symbols シンボル (36)
Cad Footprints フットプリント (34)
Cad 3D Models 3Dモデル (15)

EDA model is not yet available for this part.

Please enter your email address and we will notify you when it is released.

MPSから直接購入

標準価格


在庫あり

MP4832AGRD-T
  • パッケージ: QFN-72 (10x10)

1,250個 / 1トレイ

現在の価格 ¥3,113.57 1K

  • 数量 単価
  • 1
    ¥6,102.59
  • 10
    ¥5,449.54
  • 100
    ¥4,577.74
  • 250
    ¥4,358.99
  • 500
    ¥3,814.52
  • 1K
    ¥3,113.57
数量が多い場合は特価提供 見積もりまたはテクニカルサポート
在庫数: 100

現時点の発注で最大100個までの出荷予定日: 2026年05月15日

上記以上の数量のリードタイム

上記以上の数量数量の出荷予定日: 2026年05月24日


1,250個 / 1トレイ

4~7営業日程度で到着 配送料1注文につき5ドルのみ

限られた在庫で多くのお客様の製品開発をサポートするため、各お客様あたり100個を限度数とさせて頂いております。

MPS Pay: Net 30支払い条件の請求書払い 詳しくはこちら

myMPS+アカウントを作成して無料サンプルを依頼
品質方針、証明書および信頼性レポート
すべての MPS 製品は鉛フリー、ハロゲンフリーで、RoHS 指令に準拠しています。詳細は環境に関するセクションをご覧ください。