- MP8887
MP8887
65V, 9A, High-Efficiency Buck Converter with I2C Interface, Configurable Frequency, and Adjustable OCP
Session textval
Session Titefor popup
概要
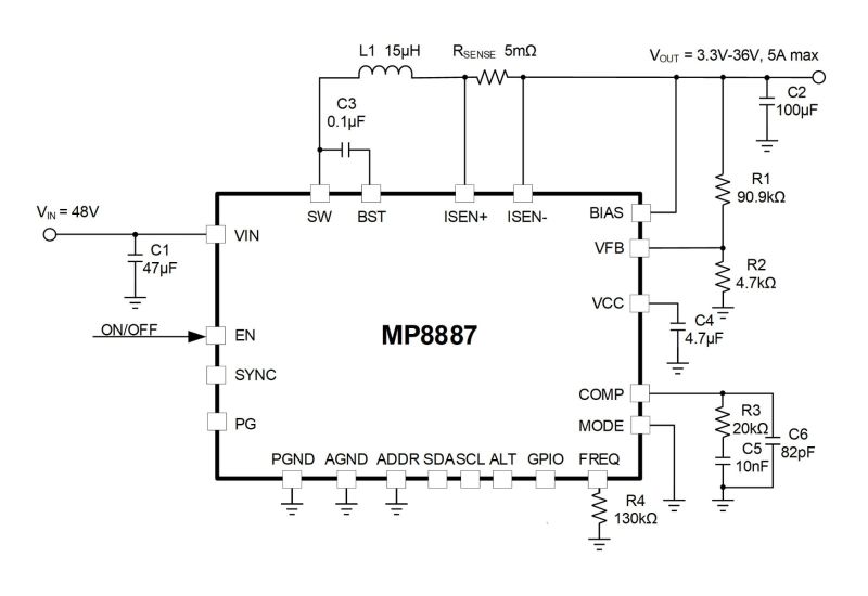
The MP8887 is a high-efficiency, synchronous, step-down converter with two integrated power MOSFETs. The device can regulate the output voltage (VOUT) across a wide input voltage (VIN) range with high efficiency. It can achieve up to 9A peak output current (IOUT), VOUT scaling, and an adjustable output average current limit for wireless charging, USB extended power range (EPR) power delivery (PD), and high-power DC supply applications.
VOUT can be controlled on the fly via the I2C serial interface. The voltage transition slew rate, switching current limit, output average current limit, and output over-voltage protection (OVP) can also be selected via the I2C interface.
Current mode provides fast transient response and eases loop stabilization. Full protection features include input under-voltage lockout (UVLO), input and output OVP, output over-current protection (OCP), and thermal shutdown.
The MP8887 supports one-time programmable (OTP) memory to provide flexible configurations.
The MP8887 offers a very compact solution with a minimal number of readily available, standard external components. It is available in a QFN-24 (4mmx5mm) package.
-
もっと見る
少なく表示
機能と利点
- Wide 4.5V to 65V Input Voltage (VIN) Range, with 70V Absolute Maximum Voltage
- Wide 1V to 65V Output Voltage (VOUT) Range
- 0V to 2.047V Feedback (FB) Reference Voltage Range, with 0.5mV/Step
- Up to 9A Peak Output Current (IOUT)
- Up to 97.67% Efficiency at 36V/5A Load
- 180µA Low Quiescent Current (IQ) at I2C Operation Off
- Configurable Peak/Valley Current Limit
- ±5% Output Constant-Current (CC) Limit Accuracy
- Automatic Advanced Asynchronous Modulation (AAM)/Pulse-Width Modulation (PWM) Mode, and Forced PWM Mode with Frequency Spread Spectrum (FSS) Selection
- Configurable 200kHz to 600kHz Switching Frequency (fSW) with Clock Synchronization
- Supports VCC BIAS Function to Improve Efficiency
- Configurable Line Drop Compensation
- Configurable Output Discharge Current
- Over-Voltage Protection (OVP), Over-Current Protection (OCP), Over-Temperature Protection (OTP), and Interrupt
- Power Good (PG) Indication
- Available in a QFN-24 (4mmx5mm) Package with Wettable Flanks
入手可能な製品番号
MP8887GVE-xxxx-Z MP8887GVE-xxxx-P MP8887GVE-0000-Z MP8887GVE-0000-P MP8887GVE-0001-Z MP8887GVE-0001-P
PとZで終わる部品番号は同じ部品です。PとZはリールサイズのみを示します
P&Zの意味 
推奨インダクタ
モールドインダクタ 10μH
インダクタ選択ツール
MP8887 Resources
-
APPLICATION
低電圧エネルギー貯蔵アプリケーション低電圧のバッテリーベースのエネルギー貯蔵システム (ESS) は、停電時の電源、および電力会社からのエネルギー購入の代替え手段として使用する電気エネルギーを貯蔵します。ESSを導入すると、住宅の所有者は太陽光で発電した余剰電力を蓄えることができるため電力会社への電力の売買を柔軟に行うことができるため大幅なコスト削減につながり、また、電力会社が停電した場合のバックアップとしても機能します。これらのシステムの展開は、太陽光発電設備の増加、大型バッテリーシステムのコスト低下、エネルギー貯蔵を奨励する政府の奨励金によって急速に拡大しています。 MPSの高度なバッテリーマネジメントソリューションにより、効率的でコスト効率の高い低電圧エネルギー貯蔵ソリューションが可能になります。低電圧ESS内のすべてのバッテリーセルは、長い動作寿命にわたって安全で信頼性の高い動作を確保するために慎重に管理する必...
-
APPLICATION
フィットネスマシンアプリケーションフィットネスマシンは、医療と健康にとって重要な要素になる可能性があります。最先端の医療システムには、多くの場合、次世代のユーザーインタフェース、リアルタイムのセンシングと生体認証、およびマルチスタンダード接続が含まれています。ヘルスケアの価格に対する懸念が高まる中、信頼性とコストも顧客にとって重要な要素です。そしてもちろん、医療専門家の能力を高めるためには、フィットネスマシンが正確に機能し、EMIなどの安全上の懸念を最小限に抑えることが重要です。 MPSの包括的なソリューションには、PFCおよびLLCコントローラ、同期整流器、降圧および昇圧コンバータ、電流制限およびUSBスイッチ、リニアレギュレータ、ターミネーションレギュレータ、監視回路、ステッピングおよびブラシ付きDCモータ・ドライバ、オペアンプ、クラスDオーディオアンプ、およびWLEDドライバが含まれています。これらの高度に...
-
APPLICATION
モバイルプリンタアプリケーションモバイルプリンタは、多くの機能を小型で軽量のパッケージに組み込んでいます。新しい設計では、より簡単なワイヤレス接続、複数の入力タイプへの対応、使いやすいインタフェース、およびより長いバッテリー稼働時間を実現することが期待されています。これらのプリンタは、ドキュメントや写真の高品質な表現をすばやくプリントできるだけでなく、超低待機電力やエネルギー消費の削減といった高まる需要をもたらす省エネのトレンドにも見合う必要があります。 MPSの幅広いソリューションポートフォリオには、PMIC、スイッチングチャージャ、降圧コンバータ、昇降圧コンバータ、リニアレギュレータ、ステッピングおよびブラシ付きDCモータ・ドライバ、電流センサ、電子ヒューズ、USB、およびロードスイッチが含まれます。これらの製品を使えば、高度に機能統合された便利なモバイルルプリンタの設計がこれまでになく簡単になります。これ...
-
APPLICATION
電動スクーターアプリケーション電動スクーターは、大都市圏や急速に成長している都市で急速に人気が高まっています。軽量で環境に優しく便利なこれらの電動スクーターは、電気モータと推進力の向上を支援するコントローラを統合した二輪バッテリー駆動車両です。もちろん、安全性、性能、およびコストは、どの車両の顧客にとっても最大の関心事です。さらに、この新たな輸送トレンドの新しい設計には、充電時間の短縮、軽量化、およびより長い走行距離のためのより高いバッテリー容量が求められます。これにより、より小さく、よりエネルギー効率の高い電源ソリューションが必要になります。 MPSの高度に機能統合された、エネルギー効率が高く使いやすいソリューションは、電動スクーターシステム向けに小型で堅牢な電力変換機能を提供します。PMIC、EヒューズおよびUSBスイッチ、ロードスイッチ、レギュレータ、コンバータ、監視回路、BLDCおよびゲートドライバ、WLED...
-
APPLICATION
USB壁電源コンセントアプリケーションUSB壁コンセントはスマートハウスやビルでますます普及が進んでいます。USBの充電ケーブルを直接壁コンセントに接続できることは、消費者に素早くデバイスを充電し電力を供給する便宜さと機能を提供します。しかし、これは電力を供給するより直接的な方法なので、電力供給が信頼性高く安全であり、できるだけベストな定格と優れたESD保護を持っていることがますます重要となります。 MPSのコントローラ、同期整流器、コンバータ、PMICおよびUSBスイッチは、USB壁電源コンセントを安全で便利な電源にするための優れた保護機能とともに最高の効率を提供します。MPSの高度に機能統合した省スペースの製品は、小さなパッケージで高速充電を可能にします。 MPSのコスト効率およびエネルギー効率の高い電源コンセント向けソリューションは、スマートホームとスマートビルディングに利便性と信頼性をもたらすUSB壁電源の設計に最...
-
APPLICATION
心電計 (ECG)アプリケーション心電計 (ECG、またはEKG) は、電気的活動に基づいて心拍数を測定します。この重要な医療機器は、家庭、第一対応者、および臨床現場で使用されます。新しいECGの設計には、ワイヤレス接続や革新的なユーザーインタフェースなどの追加機能が組み込まれています。これらの機器は、消費電力とコストを削減しながら、高精度で信頼性の高い性能を提供する必要があります。これを行うには、適切な部品が必要です。 MPSの包括的なソリューションには、コントローラ、レギュレータ、コンバータ、監視回路、チャージャ、LEDドライバ、およびロードスイッチが含まれます。これらの製品は、BOMと全体的な設計コストを削減するために、小さなパッケージサイズで低電力と高効率を実現するように最適化されています。また、優れた熱管理とEMI性能も提供します。 MPSの効率的で信頼性の高いソリューションは、心電計の設計に効果的に電力を供...
-
APPLICATION
ドッキングステーションアプリケーションドッキングステーションは、パソコンをDVI、COM、USB、イーサネットなどの一般的な周辺機器にすべて1か所で接続するための便利な方法です。通常、ドッキングステーションは特定のコンピュータモジュール用に製作され、ノートPCをデスクトップコンピュータのように機能させるさまざまなドッキングスタイルを提供します。より多くの周辺機器とより複雑なパソコンの必要性が高まる中、ドッキングステーションの電源設計は最高のパフォーマンスを確保するための重要なステップです。 MPSの広範なポートフォリオは、ほとんどのドッキングステーション設計に必要なすべての電源要件をカバーしています。これらの包括的な製品群には、USB Type-AおよびUSB Type-C、Thunderbolt、イーサネットドッキングコントローラ、補助電源などの電源ソリューションが含まれます。 MPSの業界をリードするテクノロジーにより、...
-
APPLICATION
テレビドアホンアプリケーションテレビドアホンは多くのスマートホームシステムにおいて人気が出ており、消費者に利便性と安全性を提供しています。ホームシステムとテレビドアホンの設計がよりスマートに先進的になるにつれて、新しい機能が搭載されています。現在の革新的なテレビドアホンは、高品質のオーディオとビデオストリーミング機能、ワイヤレス接続、複数機器とのインタフェース機能、高度な検知機能、そして超低電力消費を実現します。これらの機器の本質としては、使いやすく機能が安定しており、幅広い温度範囲や大荒れの天気に耐えられなければなりません。さらに、デジタルセキュリティの懸念に関しての認知度が高まり、IoTの中のユーザーデータを保護するために、組み込みのハードウェアベースのセキュリティが余儀なく導入されました。 MPSの包括的なソリューションには、フライバック、ステップダウンおよびリニアコンバータ、電子ヒューズ、カレントリミット...
-
APPLICATION
ポータブルメディアプレーヤーアプリケーションDVD / Blu-Rayプレーヤー、MP3プレーヤーのようなポータブルメディアプレーヤーは、便利なユーザーインタフェースとの組み合わせとともに高品質のオーディオとビデオ再生が求められる広く普及した市場です。消費者は長いバッテリー寿命と、ポータブルメディアでの経験の一部としての広範な入力および接続オプションを期待してきました。ディスプレイは小型の機器でも非常に高解像度で、高性能のオーディオと低いスタンバイ電力が求められます。 MPSの包括的なソリューションポートフォリオには、スイッチ、ドライバ、コンバータ、チャージャ、およびアンプがあります。それぞれの製品は最も小さなパッケージサイズで最高の効率を出すよう設計されています。MPSの専門知識とイノベーションで、優れた信号対雑音比と電源電圧変動除去比を実現し、システムをシンプルに設計する手助けとなります。MPSは次世代のポータブルメディアプレ...
-
APPLICATION
IPカメラアプリケーションIPカメラ (ネットワークカメラ) は、従来のアナログベースのセキュリティカメラネットワークよりも急速に勢いを増しています。ほとんどのIPカメラはアナログのセキュリティカメラと同じ機能を果たしますが、ローカルのストレージ容量を必要とせず、ユーザーのLANネットワークに接続されます。このため、スマートホームシステムとセキュリティの観点から好まれます。ユーザーの期待が高まり、デジタルと物理の両方の脅威に対する懸念が高まっているため、新しいIPカメラはこれまで以上に高度な機能と高度な機能統合を実現する必要があります。エネルギー効率、手頃な価格、低消費電力に加えて、今日の高度な機能には次のものが含まれます。 - 高解像度イメージング - 正確で信頼性の高いモーション検知 - 改良されたナイトビジョン - より広い検出範囲 - より良いモーション制御 - ワイヤレス接続 - 誤ったトリ...
-
APPLICATION
モバイルバッテリーアプリケーションモバイルバッテリーは、外出先でコンシューマエレクトロニクス製品を充電するによく利用される選択肢です。携帯して持ち歩くため、モバイルバッテリーの設計は、全体のサイズを小さく維持し、エンドユーザーにとって使いやすいものにする必要があります。急速充電が業界のトレンドになりつつあるため、モバイルバッテリーは、最小限の熱放散と複数の種類のバッテリーに対応する機能を備えた、可能な限り最速の安全な充電を提供する必要があります。USB接続は、迅速に充電し、複数の充電プロトコルにわたってより高い電力定格を満たす機能を提供します。そしてもちろん、モバイルバッテリーは、携帯機器の信頼性の高いバックアップ電源として機能するために、長期間充電を保持する必要があります。 モバイルバッテリー設計向けのソリューションには、ロードスイッチとUSBスイッチ、Eヒューズ、バッテリーチャージャ、およびコンバータが含まれます。こ...
-
PRODUCT CATEGORY
最大入力電圧48V強製品カテゴリ -
APPLICATION
電動自転車アプリケーション電動自転車の世界的な需要は高まっており、その背景には長距離通勤のためのエコフレンドリーなソリューションであることと原油の高騰があげられます。電動自転車は電動モータ、バッテリー、および推進力を増大させる手助けをするアシスト機能を搭載した自転車です。より短い充電時間、より軽い重量、長距離を走るためのより大きなバッテリー容量を実現する新しい設計では、より小型でエネルギー効率の高い電源ソリューションが必要になります。 MPSの高度に機能統合された、エネルギー効率が高く使いやすいソリューションは、電動自転車のパワーマネジメントおよびバッテリーマネジメントシステム向けに、小型で堅牢な電力変換機能を提供します。磁気角度センサから電源モジュール、バッテリー充電コントローラまで、幅広い製品を提供しています。 MPSのDC/DC電源モジュールは、システム駆動のための最小かつ最も効率的で費用効果の高...
-
APPLICATION
セットトップボックス (STB)アプリケーションセットトップボックス(STB)および同様の機器は、さまざまな入力ソースからテレビに信号を送受信します。エンターテインメントテクノロジーが次第にスマートになり、コンパクトで効率的になるにつれて、プロバイダには、ユーザーフレンドリーで費用効果の高い設計で長期的な信頼性と低消費電力を実現するという課題があります。最近のスマート機器の急増と消費者の期待の高まりにより、セットトップボックスでの効率的な電力管理がこれまで以上に重要になっています。 MPSの広範なソリューションには、レギュレータ、コンバータ、ドライバ、アンプ、コントローラと同期整流器が含まれます。これらの革新的な製品は、信号チェーンの性能を最適化するのに役立つ高密度と低損失を実現します。これらを一緒に使用すると、設計プロセスが簡素化され、信頼性が高くフレキシブルなセットトップボックス設計が可能になり、最高の性能が得られます。 MPS...
-
APPLICATION
光学モジュールアプリケーション光学モジュールは高速データ伝送で使用される光学トランシーバで、より大きなデータが送受信される場所で使用されます。データセンターから通信、短距離から長距離にいたるまで、光学モジュールは、膨大で効率的なデータ伝送に適しています。光学モジュールにはさまざまなサイズと帯域幅があり、最新世代は最大400GB/秒に対応しています。これらのトランシーバは大量のデータを動かすので、大電力要件と小さなフォームファクタに見合う独自の電源ソリューションが必要になります。 >MPSのモノリシック設計は、大電力でありながら、超小型パッケージで超低電力損失を可能にします。これにより、レイアウトと熱設計がシンプルになり、最大効率が得られます。これはどの光学モジュール設計にも重要です。MPSは光学モジュールの電源の特徴に対応する幅広い製品ポートフォリオを展開しており、降圧または昇圧コンバータ、コントローラ、電子ヒューズ...
-
APPLICATION
超音波装置 (ポータブル)アプリケーション医療用超音波画像診断では、高周波音波を使用して、内臓、血管、子宮内の胎児の発育など、体内の内部構造を観察します。超音波技術は、MRIやCTスキャンなどの画像技術よりも侵襲性が低く、費用のかからない診断方法であるため、高い需要があります。統合技術の進歩により、高速で正確な測定値を提供するポータブル超音波装置の導入が可能になりました。生命を脅かす出血などの非常に深刻な状態の患者にとって、より大きく、より高価な機械を設定するために必要な時間を削減する能力は重要です。 MPSの電源ソリューションは、小型フォームファクタ、低消費電力、高効率を提供し、超音波システムの信頼性を向上させ、サイズとコストを削減します。 医療用超音波市場のトレンドにより、プローブヘッド内の圧電トランスデューサの数が増加しているため、ケーブル上の高電圧DCラインに関する安全上の懸念を排除することにより、MPSのソリューシ...
-
APPLICATION
防犯カメラアプリケーション防犯カメラ (スマートホームカメラ) は、コネクテッド・スマートホームのネットワークにおいて不可欠です。ユーザーの期待が高まり、デジタルと物理の両方の脅威に対する懸念が高まっているため、新しいセキュリティカメラはこれまで以上に高度な機能と高度な統合を提供する必要があります。エネルギー効率、手頃な価格、低消費電力に加えて、今日の高度な機能には次のものが含まれます。 - 高解像度イメージング - 正確で信頼性の高いモーション検知 - 改良されたナイトビジョン - より広い検出範囲 - より良いモーション制御 - ワイヤレス接続 - 誤ったトリガーや異常気象に対する保護 - コンパクトで軽量なトータルソリューション - 大容量のストレージ - システムへの侵入を防ぐための組み込みセキュリティ機能 MPSの整流器、コンバータ、ステッピングモータ・ドライバ、ハーフブリッジモータ...
-
APPLICATION
MFPアプリケーションMFP (多機能プリンタ、複合機) は通常、ひとつのコンシューマ機器で印刷、スキャン、コピー、および場合によってはより多くの機能を提供します。 インクジェットプリンタとレーザープリンタはどちらも、より多くの機能、より簡単なワイヤレス接続、よりスムーズなユーザーインタフェースを新規の設計に取り入れています。 これらのオールインワンプリンタは、ドキュメントや写真の高品質な表現をすばやく印刷または画像化できる必要があり、省エネの傾向により、超低待機電力の必要性が高まり、エネルギー消費が少なくなっています。MPSのLCD電源、WLEDドライバ、コンバータ、整流器、ブラシレスおよびブラシ付きモータ・ドライバ、およびステッピング・モータ・ドライバを使用すれば、高度に機能統合された効率的なMFPの設計がこれまでになく簡単になります。 これらの製品はBOMと総ソリューションコストを削減しながら、モータと速...
-
PRODUCT
MP8880A製品PMBusインタフェース付き、60V、4.5A、高効率、デジタル、設定可能、同期整流ステップダウンコンバータ
-
PRODUCT
MP4583製品100V, 3A, 8μA IQ, Synchronous Step-Down DC/DC Converter
-
PRODUCT
MP4582製品100V、2A、8μA自己消費電流、同期整流ステップダウンDC/DCコンバータ
-
PRODUCT
MP9486A製品100V入力、3.5A、スイッチング・カレントリミット・ステップダウンコンバータ
-
PRODUCT
MP4570製品3A、4.5V~55V入力、周波数プログラム可能、機能集積型、同期整流ステップダウンコンバータ
-
PRODUCT
MP2456製品TSOT23-6パッケージ、0.5A、50V、1.2MHz、ステップダウンコンバータ
-
PRODUCT
MPQ2459-AEC1製品AEC-Q100認定済み、0.5A、55V、480kHz、ステップダウンコンバータ
アカウントにログイン
新しいアカウントを作成