MP2733A
Wide Input Range, 4.5A, I2C-Controlled SW Charger with NVDC Power Path and Controllable RBFET in OTG Mode
入手可能な製品番号
MP2733AGQC-xxxx-Z MP2733AGQC-xxxx-P MP2733AGQC-0000-Z MP2733AGQC-0000-P
P&Zの意味 
関連商品
EV2733A-QC-00A Wide-Input, 4.5A, I2C-Controlled SW Charger with NVDC Power Path and Controllable RBFET in OTG Evaluation Board
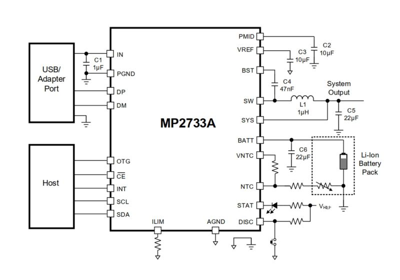
The EV2733A-QC-00A is an evaluation board designed to demonstrate the capabilities of the MP2733A. The MP2733A is a wide-input, 4.5A, highly integrated, switch-mode battery charger IC for single-cell Li-ion or Li-polymer batteries. This device supports narrow-voltage DC (NVDC) architecture with power path management. It is well-suited for portable applications, such as tablets, mobile internet devices, and smartphones.
The device’s low-impedance power path optimizes efficiency, reduces battery charging time, and extends battery life. The I2C serial interface allows the user to flexibly control the device by changing charging and system settings.
The EV2733A-QC-00A supports input sources up to 16V, including standard USB host ports and high-voltage wall adapters with fast-charge capability. The EV2733A-QC-00A supports USB On-The-Go (OTG) operation by supplying 5V with 3A.
The MP2733A is available in a QFN-26 (3.5mmx3.5mm) package.
通信インターフェースデバイスUSB to I2C / PMBusは、製品評価キットに含まれていますが、個別に購入することもできます。
NVDCパワーパス、OTG、および統合ADCを備えたシングルセル、4.5A高速チャージャ
注文
アカウントにログイン
新しいアカウントを作成