MPQ5856-AEC1
入手可能な製品番号
MPQ5856GLE-xxxx-AEC1-Z MPQ5856GLE-xxxx-AEC1-P MPQ5856GLE-0000-AEC1-Z MPQ5856GLE-0000-AEC1-P MPQ5856GLE-0001-AEC1-Z MPQ5856GLE-0001-AEC1-P
P&Zの意味 
関連商品
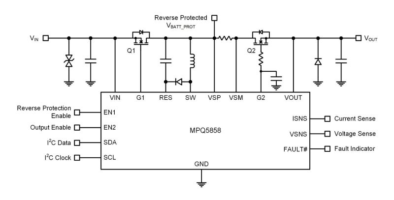
MPQ5858-AEC1 80V, Front-End Battery-Conditioning IC, AEC-Q100 Qualified
The MPQ5858-AEC1 is a front-end battery-conditioning IC that is designed to provide a total system protection and monitoring solution for automotive modules. It integrates a boost converter that provides a strongly boosted voltage to turn on the external N-channel MOSFET.
The device’s 2.9μA shutdown current (ISHDN) makes it ideal for battery-powered applications. Its 20mV ultra-low dropout not only minimizes the power loss, but also allows for a very low minimum input voltage (VIN), which is suitable for cold-crank conditions. In addition, the MPQ5858-AEC1's ultra-fast transient response allows it to meet stringent ISO 7637-2 and ISO 16750-2 requirements.
The MPQ5858-AEC1 provides robust protections, including reverse-battery protection, under-voltage protection (UVP), over-voltage protection (OVP), over-current protection (OCP), short-circuit protection (SCP), thermal warning, and over-temperature protection (OTP).
With an internal MOSFET between the output and ground, the MPQ5858-AEC1 features a configurable output discharge function via the I2C interface to shut down the system quickly. A selectable start-up slew rate also helps to reduce inrush current during start-up. In addition, the MPQ5858-AEC1 integrates a configurable, high-accuracy voltage sense and current sense. The sense features can also be turned off to reduce the quiescent current (IQ).
The MPQ5858-AEC1 can report the fault status via the I2C interface. An open-drain fault pin can also indicate the status of the device. In addition, the MPQ5858-AEC1 integrates a non-volatile memory (NVM), which allows for a high degree of configurability without additional external components.
The MPQ5858-AEC1 is available in a QFN-16 (3mmx4mm) package, and is available in AEC-Q100 Grade 1.
アカウントにログイン
新しいアカウントを作成