MPQ3364-AEC1
入手可能な製品番号
MPQ3364GR-AEC1-P MPQ3364GR-AEC1-Z MPQ3364GRE-AEC1-P MPQ3364GRE-AEC1-Z
P&Zの意味 
関連商品
EVQ3364-R-00A 36V、150mA、4チャネル、15000 : 1 調光比およびI2Cを備えた昇圧 白色LEDドライバ評価ボード、AEC-Q100 認定
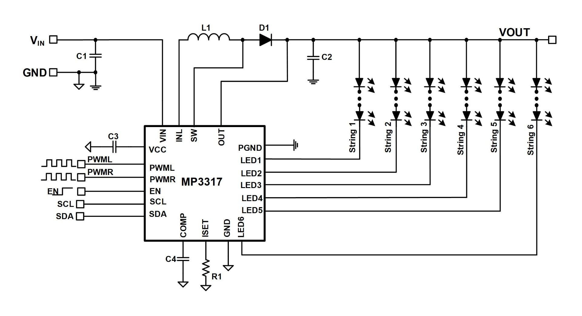
EVQ3364-R-00Aは、MPQ3364の機能を実証するために設計された評価ボードです。MPQ3364は、小型または中型の液晶ディスプレイ (LCD) パネルのバックライトとして白色LED (WLED) アレイを駆動するように設計された4チャネル昇圧コンバータです。
ピーク電流制御は、昇圧コンバータを調整するためのパルス幅変調 (PWM) 制御アーキテクチャとして使用されます。4チャネルの電流源がLEDのカソードに印加され、LEDの輝度を調整します。これは各LEDストリング内の電流を外付け電流設定抵抗で設定された値に調整します。ストリング間の電流調整精度は2.5%です。各チャネルの最大電流は150mAです。MPQ3364の低オン抵抗MOSFETと低ヘッドルーム電圧設計により、効率が向上します。このデバイスには標準のデジタルI2Cインタフェースを備え、柔軟になります。スイッチング周波数 (fSW) は、抵抗、I2Cインタフェース、または外部クロックを介して設定可能です。
MPQ3364は、アナログ調光、PWM調光、PWM入力による混合調光の3つの調光モードを備えています。調光モードは、I2CインタフェースまたはMIX / ADピンを介して選択可能です。また、ICはPWM調光時のノイズを除去する位相シフト機能も搭載しています。保護機能には、過電流保護 (OCP)、過電圧保護 (OVP)、過熱保護 (OTP)、LED短絡保護、LED開放保護が含まれます。LED電流は高温になると自動的に減少します。
MPQ3364は、QFN-24 (4mm x 4mm) パッケージで提供されます。
MP3364 / MPQ3364-AEC1は高度にカスタマイズ可能です。ユーザーはダウンロード可能なI2C GUIを介して、設定できます。
通信インターフェースデバイスUSB to I2C / PMBusは、製品評価キットに含まれていますが、個別に購入することもできます。
注文
アカウントにログイン
新しいアカウントを作成