- MP29608-A
MP29608-A
Session textval
Session Titefor popup
概要
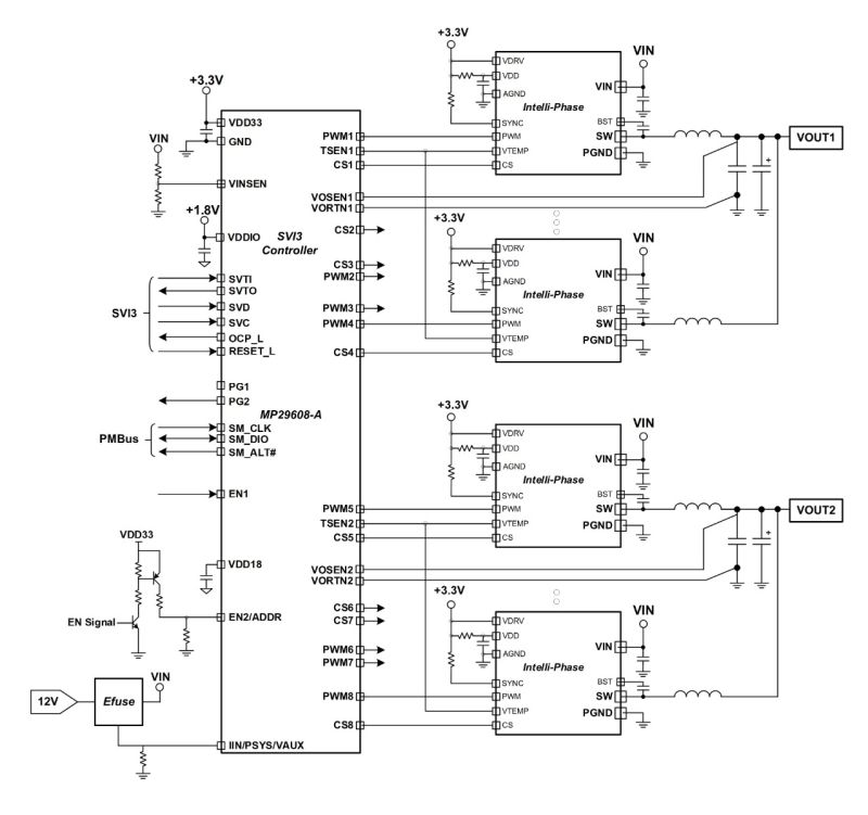
The MP29608-A is a dual-rail, digital, multi-phase controller that provides power for SVI3 core power. The device can work with MPS’s Intelli-PhaseTM products to complete the multi-phase voltage regulator (VR) solution with minimum external components. It can be configured to maximum 8-phase operation for rail 1 and a maximum 4-phase operation for rail 2.
The controller provides an on-chip non-volatile memory (NVM) to store and restore device configurations. Device configurations and fault parameters can be easily configured or monitored via the PMBus/I2C interface. The MP29608-A can monitor and report the output current (IOUT) by sensing the current-sense output of the Intelli-PhaseTM devices.
It is based on a unique, digital, multi-phase, nonlinear control to provide fast transient response with minimal output capacitors. With only one power-loop control method for both steady state and load transients, power-loop compensation is very easy to configure.
The MP29608-A is available in a TLGA-40 (5mmx5mm) package.
-
もっと見る
少なく表示
機能と利点
- Up to 8-Phase, 2-Output, Digital Controller
- SVI3 (Version 2) Compliant
- PMBus/I2C Compliant (1MHz Bus Speed)
- Pin-Configurable PMBus Address
- Built-In Non-Volatile Memory (NVM) to Store Configurations
- 200kHz to 3MHz Switching Frequency (fSW)
- Automatic Loop Compensation
- Supports Multi-Configuration for 6 Different Applications
- Flexible Pulse-Width Modulation (PWM) Assignment for 2 Rails
- Automatic Phase-Shedding (APS) to Improve Overall Efficiency
- Phase-to-Phase Active Current Balancing with Configurable Offsets for Thermal Balance
- Input (VIN) and Output Voltage (VOUT), Current, and Power Monitoring
- Regulator Temperature Monitoring
- VIN Under-Voltage Lockout (UVLO), Output Over-Voltage Protection (OVP)/Under-Voltage Protection (UVP), Over-Current Protection (OCP), Over-Temperature Protection (OTP) with No Action, Latch-Off, or Hiccup Options
- Intelli-PhaseTM Fault Diagnosis
- Voltage Regulator (VR) Auto-Records Fault Type to the NVM
- Digital Load-Line Regulation
- Overclocking Mode by Adding Offset to VOUT
- Available in a TLGA-40 (5mmx5mm) Package
入手可能な製品番号
MP29608-AGLUT-xxxx-Z MP29608-AGLUT-xxxx-P MP29608-AGLUT-0000-Z MP29608-AGLUT-0000-P
PとZで終わる部品番号は同じ部品です。PとZはリールサイズのみを示します
P&Zの意味 
MP29608-A Resources
-
APPLICATION
5G用電源ソリューションアプリケーション -
APPLICATION
NIC用電源ソリューションアプリケーション -
APPLICATION
スイッチ用電源ソリューションアプリケーション -
PRODUCT CATEGORY
コントローラ製品カテゴリ -
APPLICATION
サーバー (DDR電源)アプリケーションクラウドコンピューティング、AIと機械学習、およびその他のゲームチェンジングなイノベーションは、テクノロジー業界全体に広がり、消費者の日常生活に遍在するようになっています。ただし、これらのテクノロジーの増大するデータと処理のニーズに対応するには、サーバーとデータセンターがこれまで可能であったより以上に高速で配信できる必要があります。サーバーは、システムのフレキシビリティとセキュリティを維持しながら、増え続けるデータスループットとストレージを処理する必要があります。DDR電源レールはコアレールとほぼ同じ電力を必要とし、サーバーのデータ機能が拡大し続けるにつれて、非常に安定していて簡単に導入できる必要があります。 MPSのコントローラとレギュレータは、システム全体のコストを低く抑えながら、効率を優先します。これらは、エネルギーを節約し、出力を最適化するために、高密度で電力を大量に消費するサー...
-
APPLICATION
サーバー (コア電源) データセンターソリューションアプリケーションクラウドコンピューティング、AIと機械学習、およびその他の画期的なイノベーションは、テクノロジー業界全体に広がり、消費者の日常生活に遍在するようになっています。 ただし、これらのテクノロジーの増大する処理とデータのニーズをサポートするには、サーバーとデータセンターがこれまで以上に高速で配信できる必要があります。これまで以上に高い電力密度は、効率や信頼性を損なうことなく、縮小するフットプリントに適合しなければなりません。コアパワーレールは、高まる需要に対応するために、最先端の速度、保護、および柔軟性を提供できる必要があります。 MPSの広範なソリューションは、システム全体のコストを低く抑えながら効率を優先し、エネルギーを節約して出力を最適化するために、高密度で電力を大量に消費するサーバー用に特別に作成された熱管理を提供します。MPS独自のIntelli-Phase™テクノロ...
-
PRODUCT CATEGORY
プロセッサ用コア電源コントローラ製品カテゴリ -
PRODUCT
MP2985B製品Dual-Loop, Digital, 8-Phase Controller with Flexible PWM Firing Order and PMBus Interface for VR14 and Earlier Protocols
-
PRODUCT
MP29612-A製品Dual-Loop, Digital, 12-Phase Controller with SVI3 Interface
-
PRODUCT
MPQ2931-AEC1製品Digital LLC Controller with PMBus/I2C Interface, AEC-Q100 Qualified
-
PRODUCT
MP29540製品Digital, Multi-Phase Controller
-
PRODUCT
MP29816-C製品Dual-Loop, Digital, 16-Phase Controller with PMBus and AVSBus Interface
-
PRODUCT
MP2869A製品Dual-Loop, Digital, 16-Phase Controller with SVI3 Interface for AMD
-
PRODUCT
MP2927製品AVSBus向け、PMBusインタフェース付き、デュアルループ、デジタル、マルチフェーズコントローラ
-
PRODUCT
MP2880製品AVSBus向け、PMBusインタフェース付き、シングルループ、20フェーズ、デジタル・マルチフェーズコントローラ
-
PRODUCT
MP2882製品SVI2 / AVSBus向け、PMBusインタフェース付き、デュアルループ、デジタル、16フェーズコントローラ
-
PRODUCT
MP2891製品PWM-VIDインタフェース付き、デュアルループデジタル16相コントローラ
-
ARTICLE
デジタルマルチフェーズコントローラによるデータセンターへの電力供給寄稿文クラウドサービスの爆発的な成長により、データセンター、ネットワーク、通信機器が大幅に進歩しました。革新的な要求は、これらの増え続けるデータ量を処理するサーバー、ストレージ、およびネットワークスイッチに衝撃を与えます。インフラストラクチャ機器は、処理能力と帯域幅の点で限界に追いやられています。電力設計者にとっての主な挑戦課題は、最小限の電力でデータセンター機器に効率的に電力を供給して冷却する方法です。設計者は、今日の高度なCPU / ASICおよびFPGAを使用する場合、電力量と熱性能のバランスをとる必要もあります。 エンドシステム全体の機能が向上すると、それに対応して、新しいデータセンターの設計要件に対応するための処理能力が向上します。この処理機能は、ハイエンドのCPU / ASICとプロセッサがサーバー、ストレージ、ネットワーク機器を実行するデータセンターに集中化されています。サー...
-
PRODUCT
MP2926製品PMBusインタフェース付き、トリプルループ、デジタル、マルチフェーズコントローラ
-
PRODUCT
MP2855製品AMD SVI2向け、PMBusインタフェース付き、デュアルループ、デジタル、マルチフェーズコントローラ
-
PRODUCT
MP2886A製品PMBusとPWM-VID付き、デジタル、マルチフェーズPWMコントローラ
-
PRODUCT
MP2884A製品PMBusとPWM-VID付き、デジタルマルチフェーズPWMコントローラ
-
PRODUCT
MP2853製品AMD SVI2向け、PMBusインタフェース付き、デュアルループ、デジタル、マルチフェーズコントローラ
-
PRODUCT
MP2965製品VR13.HC / AVSBus用PMBusインタフェース付き、デュアルループ、デジタル、マルチフェーズコントローラ
-
PRODUCT
MP2888A製品PMBusとPWM-VID付き、デジタルマルチフェーズPWMコントローラ
アカウントにログイン
新しいアカウントを作成