ノートPC (インテル IMVP8 /IMVP9対応 )
Session textval
Session Titefor popup
ノートPC (インテル IMVP8 /IMVP9対応 ) コンテンツ
概要
MPSのコンバータ、アダプタ、バックライトドライバ、ロードスイッチ、USBスイッチ、ドライバ、およびチャージャは、製品への電力供給を実現するのに役立ちます。この広範な製品ポートフォリオは、高効率、堅牢な保護、および優れた熱性能を小さなパッケージに統合することにより、設計プロセスをシンプルにします。各製品が連携して設計コストを削減し、消費者の生産性を向上させる最高品質のソリューションを提供します。さらに、MPSの製品は、インテル社のIMVP8およびIMVP9仕様を満たすように設計されています。
MPSの効率的で費用効果の高いソリューションは、設計を強化し、ノートPCの設計における生産性と利便性を最適化するために必要な製品をすべて提供します。
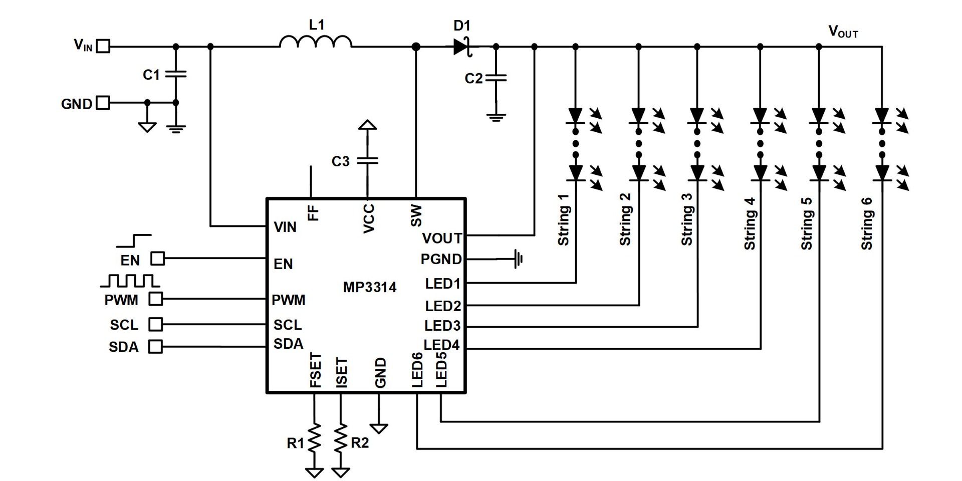
ブロック図
下図で情報を展開する部品を選択ください
Components List
リソース
-
PRODUCT
MP3359C製品1/2/3/4-Channel, Max 160mA/Ch, Boost WLED Controller with High Dimming Ratio
-
PRODUCT
MP6653B製品35V/1.2A, Single-Phase BLDC Motor Driver with Integrated Hall Sensor and MOSFETs
-
PRODUCT
MP6638製品15V, 1.7A Peak, 3-Phase, Sensorless BLDC Motor Driver with Integrated MOSFETs
-
PRODUCT
MP5088製品5.5V, 15A, Low 2mΩ RDS(ON) E-Fuse with Inrush Current Control and Current Monitoring
-
PRODUCT
MP2764製品I2C/SMBus-Controlled, Integrated Buck-Boost NVDC Charger with System Power Monitor and Processor Hot Monitor for Multi-Cell Battery Packs
-
PRODUCT
MP3317GC-0000-Z製品6チャネル、160mA、34V、I2Cインタフェース付き昇圧型白色LEDドライバ
-
PRODUCT
MP6655製品18V、2.5Aピーク、MOSFETとホールセンサを内蔵したシングルフェーズBLDCファンドライバ
-
PRODUCT
MP5087製品+ / -5%電流モニタ、PG、スルーレート制御および出力放電機能を備えた、7A、5.5V ロードスイッチ
-
PRODUCT
MP2764GV-0000-Z製品I2C/SMBus-Controlled, Integrated Buck-Boost NVDC Charger with System Power Monitor and Processor Hot Monitor for Multi-Cell Battery Packs
-
PRODUCT
MP6637製品5.5V、1.3Aピーク、三相、センサレスBLDCモータドライバ、MOSFET内蔵
-
PRODUCT
MP6653A製品TSOT23-6-SL、および、TSOT23-6パッケージにホールセンサとMOSFETを内蔵した35V、1.2A、単相BLDCモータドライバ
-
PRODUCT
MP3359製品高調光比、4チャネル、最大150mA/Ch、昇圧白色LEDドライバ
-
PRODUCT
MP3314A製品6チャネル、80mA、50V、I2Cインタフェース付き昇圧型白色LEDドライバ
-
PRODUCT
HF300製品高周波数、理想的なクランプ・フライバックコントローラ
-
PRODUCT
MP6637A製品5.5V, 1.3A Peak, Three-Phase, Sensorless Sinusoidal BLDC Motor Driver with Integrated MOSFETs
-
PRODUCT
MP6653製品32V シングルフェーズ BLDCモータドライバ (埋め込みホールセンサ付き)
-
PRODUCT
MP3314製品シリアルインタフェース付き、6チャネル、60mA、50V、昇圧型白色LEDドライバ
-
PRODUCT
MP2650製品2セル~4セルバッテリパックアプリケーション用のNVDCパワーパス管理とUSB OTGを備えたI2C制御の5A降圧または昇圧チャージャ
-
PRODUCT
MP2762A製品FETおよびOTGを統合した5~20VのUSB PD 2セル 6AのデュアルフェーズNVDC昇降圧チャージャ
-
PRODUCT
MP6653AGDTE製品ウェッタブルフランク TQFN-6 (2mm x 3mm) パッケージにホールセンサとMOSFETを内蔵した35V、1.2A単相BLDCモータドライバ
-
PRODUCT
MP2159A製品TSOT23-8、よりよいVfb精度とロードレギュレーション、高効率、1A、6V、1.5MHz、17uA Iq、COT、同期整流ステップダウンコンバータ
-
PRODUCT
MP6536製品26V、5.5A、3チャネルハーフブリッジドライバ
-
PRODUCT
MP62551製品高精度で調整可能な電流制限配電スイッチ
-
PRODUCT
MP6505製品400mAシングルフェーズ ブラシレスDCモータドライバ
-
PRODUCT
MP6510製品1.2A シングルフェーズ ブラシレスDCモータドライバ
アカウントにログイン
新しいアカウントを作成