MPQ5823A-AEC1
入手可能な製品番号
MPQ5823AGRE-AEC1-Z MPQ5823AGRE-AEC1-P
P&Zの意味 
関連商品
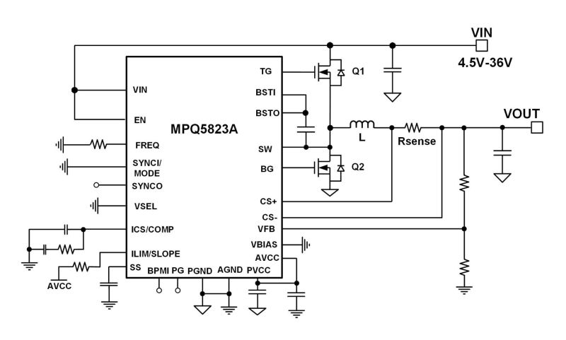
MPQ2923-AEC1 42V、2.2MHz、低自己消費電流 降圧型コントローラ、マルチフェーズ機能、AEC-Q100認定
MPQ2923-AEC1は、広い入力電圧 (VIN) 範囲を持つ高効率の電流モード同期整流降圧型コントローラです。3.6V~36VのVINは、広い範囲のため、このデバイスは多目的の自動車および産業アプリケーションに最適であり、VBIASピンは5Vの安定供給が可能な場合にコールドクランク条件での動作を可能にします。
MPQ2923-AEC1は、正確なサイクルごとの電流制限を備えたパルス幅変調 (PWM) 電流制御アーキテクチャを使用し、デュアルNチャネルMOSFETを駆動できます。非同期変調 (AAM) モードは、非同期動作を可能にし、軽負荷効率を最適化します。
スイッチング周波数 (fSW) は、200kHz~2.2MHzの間で抵抗設定可能です。MPQ2923-AEC1は外部クロックに同期することも可能です。設定可能な周波数拡散スペクトル (FSS) により、EMI性能が向上します。
オープンドレインのパワーグッド (PG) 信号は、出力が公称電圧の94%~106%以内にあるかどうかを示します。
豊富な保護機能には、高精度な出力過電圧保護 (OVP)、入力OVP、出力過電流保護とサーマルシャットダウンなどがあります。
MPQ2923-AEC1は、QFN-24 (4mm x 4mm) パッケージで提供され、AEC-Q100 グレード1の認定を受けています。
アカウントにログイン
新しいアカウントを作成