- MPQ5613D-AEC1
MPQ5613D-AEC1
Automotive TFT LCD Bias Driver with Gate Voltage Shaping and VCOM Buffer, AEC-Q100 Qualified
Session textval
Session Titefor popup
概要
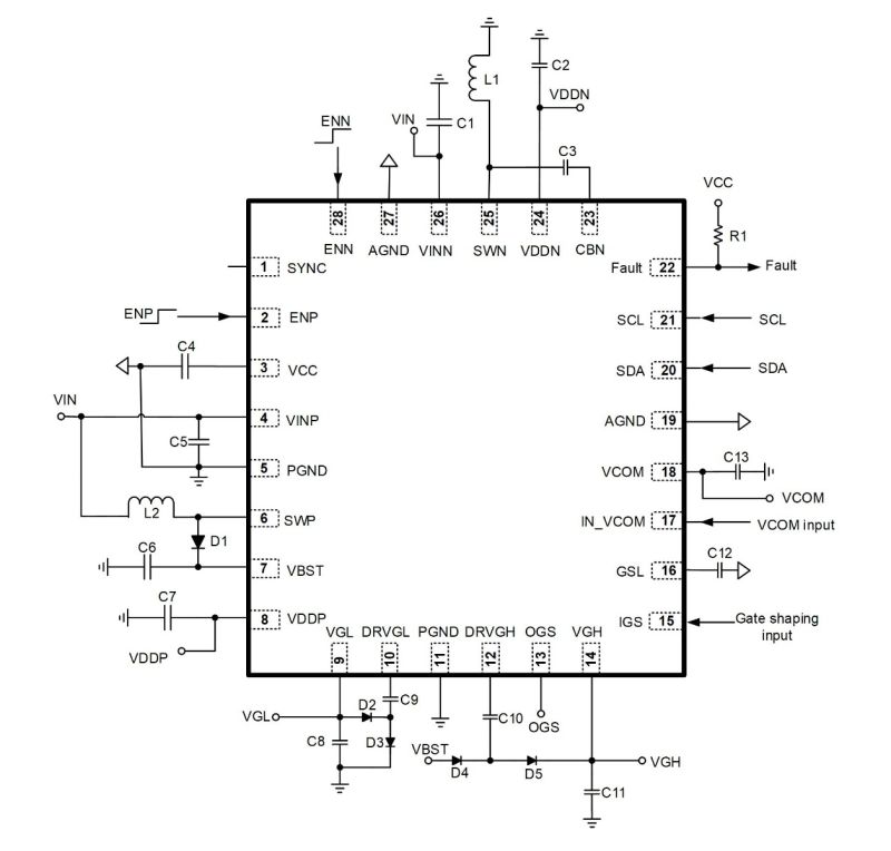
The MPQ5613D-AEC1 is an integrated power supply for an automotive TFT LCD bias. The device integrates a boost converter, a synchronous buck-boost inverter, an adjustable positive charge pump output, and an adjustable negative charge pump output for the gate voltages. It also includes a VCOM buffer and gate voltage shaping function to minimize the external components. The MPQ5613D-AEC1 is designed to power TFT LCD panels from a regulated 3.3V or 5V supply, or the 12V battery directly.
The VDDP can output a maximum 21.8V voltage, the VDDN can output a minimum -16.6V negative voltage, the VGH can output a maximum 35V voltage, and the VGL can output a minimum -15.9V negative voltage.
The I2C interface and configurable power-on sequences for VDDP, VDDN, VGH, and VGL make the IC suitable for different applications.
An internal soft-start function prevents input overload at start-up. The cycle-by-cycle current-limit protection for SWP and SWN reduces component stress.
Robust protections are designed to guarantee safe operation of the device. Protection modes include input under-voltage lockout (UVLO), cycle-by-cycle current-limit protection for SWP and SWN, over-temperature protection (OTP), under-voltage protection (UVP) for VDDP, VDDN, VGH, and VGL, output over-current protection (OCP) for VCOM, and output current-limit protection for VDDP.
The MPQ5613D-AEC1 is available in a tiny QFN-28 (4mmx5mm) package. It is available in AEC-Q100 Grade 1.
-
もっと見る
少なく表示
機能と利点
- 2.7 to 12V Operating Input Voltage (VIN) Range
- 2A Current Limit for Boost Converter
- 2.5A Current Limit for Sync-Buck-Boost Inverter
- 250mΩ Low-Side MOSFET (LS-FET) for Boost, 200mΩ High-Side MOSFET (HS-FET), and 250mΩ LS-FET for Sync Buck-Boost
- I2C Interface, One-Time Programmable (OTP) Memory for Registers
- Configurable Switching Frequency (fSW) Up to 3MHz and Spread Spectrum for Better EMI
- Frequency Synchronization and Interleave (180°) Buck-Boost and Boost Control for Better EMI
- Input and Output Disconnection
- Configurable VDDP: 2.7V to 21.8V
- Configurable VDDN: -0.7V to -16.6V
- VDDP and VDDN Support Max 500mA of Continuous Load Current (Limited by the Cycle-by-Cycle Current-Limit Protection)
- Configurable VGH: 5V to 35V, 50mA
- Configurable VGL: 0V to -15.9V, 50mA
- Configurable VCOM Buffer: VDDN + 2V to VDDP - 2V, 25mA
- Gate Voltage Shaping with Configurable Falling Time and Minimum Level
- High Efficiency
- Configurable Power-On/Off Sequence
- VIN Under-Voltage Lockout (UVLO)
- Under-Voltage Protection (UVP) for VDDP, VDDN, VGH, and VGL
- Cycle-by-Cycle Current-Limit Protection for SWP and SWN
- Over-Temperature Protection (OTP), Output Over-Current Protection (OCP) for VCOM
- Output Current-Limit Protection for VDDP
- Fault Flag
- Available in AEC-Q100 Qualified Grade 1
- Available in a QFN-28 (4mmx5mm) Package
入手可能な製品番号
MPQ5613DGVE-xxxx-AEC1-Z MPQ5613DGVE-xxxx-AEC1-P MPQ5613DGVE-0000-AEC1-Z MPQ5613DGVE-0000-AEC1-P
PとZで終わる部品番号は同じ部品です。PとZはリールサイズのみを示します
P&Zの意味 
MPQ5613D-AEC1 Resources
-
APPLICATION
ディスプレイ (ナビゲーション、ヘッドアップ、クラスター)アプリケーションセンターディスプレイ、ヘッドアップディスプレイ (HUD)、計器のインストルメントクラスタを含む自動車用ディスプレイは、重要な情報とインタラクティブなコンテンツを運転手に表示します。センターインフォメーションディスプレイはヘッドユニットに接続されており、ナビゲーションやその他の車内インフォテインメントの制御を提供します。車載のHUDと計器のインストルメントクラスタは、ドライバーに簡単に利用できる情報を提供します。HUDは、速度、温度、燃料レベルなど、目の高さのクラスタ・ディスプレイからの重要な指標も映します。これらの高度なディスプレイには、厳しい熱的条件、ISO26262安全基準、およびEMIの規制を満たすことに加えて、高効率の電源、簡単な機能統合、およびスケーラビリティが必要です。 MPSのパワーマネジメントソリューションの製品ラインには、ステップダウンとステップアップコンバータ、...
-
PRODUCT CATEGORY
LCDバイアス電源製品カテゴリ -
PRODUCT
MPQ5613B製品Automotive LCD TFT Bias Driver with I2C and VCOM Buffer
-
PRODUCT
MPQ5613C製品Automotive TFT LCD Bias Driver with I2C, AEC-Q100 Qualified
-
PRODUCT
MPQ1530-AEC1製品AEC-Q100認定、TFTバイアス用、トリプル出力、昇圧型コンバータおよびリニアレギュレータ
-
PRODUCT
MP1531製品TFTバイアス用、低消費電力、トリプル出力、昇圧型コンバータおよびチャージポンプ
-
PRODUCT
MP1530製品TFTバイアス用、トリプル出力昇圧型コンバータおよびリニアレギュレータ
-
PRODUCT
MPQ1530製品産業グレード、TFTバイアス用、トリプル出力、昇圧型コンバータおよびリニアレギュレータ
-
PRODUCT
MP5610製品スマートフォンおよびタブレット用、2.7V~5.5Vin、1.2MHz、デュアルチャネルLCDバイアス電源
-
PRODUCT
MPQ2176B-AEC1製品5.5V, 4A to 6A, 2.2MHz Synchronous Step-Down Converter, AEC-Q100 Qualified
-
PRODUCT
MPQ71020FS-AEC1製品MPSafeTM, ASIL-D, 6V, 30A, Synchronous Buck Converter with ZDPTM, AEC-Q100 Qualified
-
PRODUCT
MPQ3321-AEC1製品48-Channel, Max 80mA/Ch, Current Source LED Driver with Independent Analog and PWM Dimming, AEC-Q100 Qualified
-
PRODUCT
MPQ5862-AEC1製品16V、1.5A、90mΩ RDS(ON)、デュアルチャネル、ハイサイドスイッチ、AEC-Q100認定済み
-
PRODUCT
MPQ7935-AEC1製品5.5V, 5-Channel PMIC with x4 1A Buck Converters, x1 300mA LDO, I2C, and MOTP, AEC-Q100 Qualified
-
PRODUCT
MPQ5864-AEC1製品16V, 0.8A, 180mΩ RDS(ON), Quad-Channel, High-Side Switch, AEC-Q100 Qualified
-
PRODUCT
MPQ6547A-AEC1製品4V to 32V, 5.5A Peak Current, Three-Phase Power Stage, AEC-Q100 Qualified
-
PRODUCT
MPQ4390-AEC1製品40V, High Current Output, Synchronous, Dual Buck Converter, AEC-Q100 Qualified
-
PRODUCT
MPQ70171FS-AEC1製品MPSafeTM, ASIL-B, 5.5V PMIC with 5 Bucks and 4 LDOs for Safety-Relevant Applications, AEC-Q100 Qualified
-
PRODUCT
MPQ7970-AEC1製品MPSafeTM-Compatible, 5.5V PMIC for SoCs, 5 LDOs, 4 GPIOs, and 2 Voltage Monitors, AEC-Q100 Qualified
-
PRODUCT
MPQ2285-AEC1製品6V, 10A, Configurable, High-Frequency, Synchronous Buck Converter with ZDPTM, AEC-Q100 Qualified
-
PRODUCT
MPQ2176-AEC1製品5.5V, 4A to 6A, 2.2MHz, Synchronous Step-Down Converter, AEC-Q100 Qualified
-
PRODUCT
MPQ2177F-AEC1製品6V、1A、2.5MHz、AAMモード、パワーグッドとソフトスタート付き同期整流ステップダウンコンバータ、AEC-Q100認定
-
PRODUCT
MPQ3359A-AEC1製品1 / 2 / 3 / 4チャネル、高調光比、最大150mA/Ch、昇圧型白色LEDドライバ、AEC-Q100認定
-
PRODUCT
MPQ5852A-AEC1製品36V, Smart Diode Controller with Two Voltage Monitors, AEC-Q100 Qualified
-
PRODUCT
MPQ2284-AEC1製品6V, 8A, Configurable, High-Frequency, Synchronous Buck Converter with ZDPTM, AEC-Q100 Qualified
アカウントにログイン
新しいアカウントを作成