- MP6640A
MP6640A
Session textval
Session Titefor popup
概要
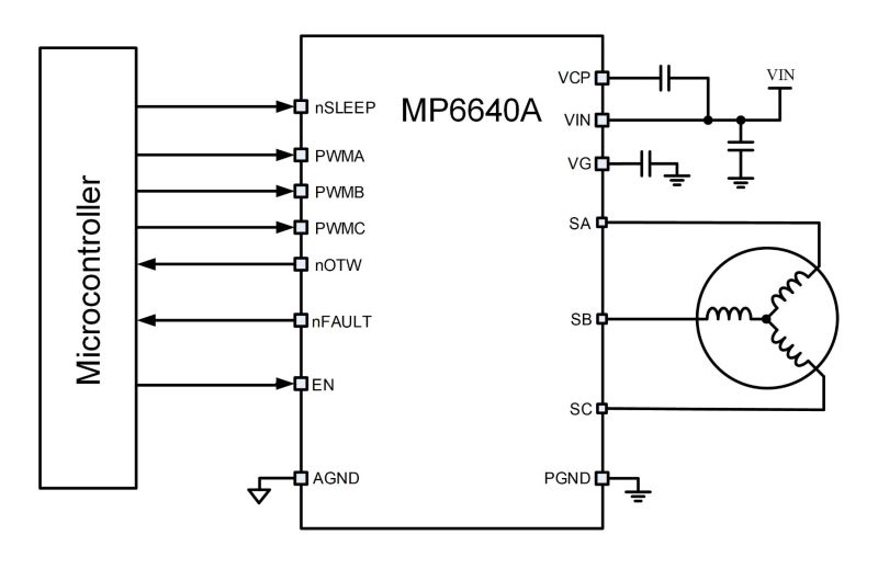
The MP6640A is a 3-phase brushless DC (BLDC) motor driver that integrates three half-bridges, consisting of 6 N-channel power MOSFETs as well as pre-drivers and gate drive power supplies.
The MP6640A has pulse-width modulation (PWM) inputs for each half-H bridge. The device is able to deliver up to 4.5A of peak current depending on thermal and PCB conditions. It uses an internal charge pump to generate the gate drive supply voltage for the high-side MOSFETs (HS-FETs).
Internal safety features include thermal shutdown, under-voltage lockout (UVLO), and over-current protection (OCP).
The MP6640A is available in a QFN-16 (2mmx2.5mm) package.
-
もっと見る
少なく表示
機能と利点
- 2.7V to 22V Operating Supply Voltage
- Three Integrated Half-Bridge Drivers
- 4.5A Peak Current
- MOSFET On Resistance (RDS(ON)): 70mΩ per MOSFET
- PWM Input for Each Half-Bridge
- 1.8V and 3.3V Compatible Logic Supply
- Automatic Synchronous Rectification
- Protection Functions, including:
- Over-Current Protection (OCP)
- Under-Voltage Protection (UVP)
- Over-Temperature Warning (OTW) and Thermal Shutdown
- Fault Indication Output (nFAULT Pin)
- Internal Charge Pump Supports 100% Duty Cycle Operation
- Available in a QFN-16 (2.0mmx2.5mm) Package
入手可能な製品番号
MP6640AGRP-Z MP6640AGRP-P
PとZで終わる部品番号は同じ部品です。PとZはリールサイズのみを示します
P&Zの意味 
MP6640A Resources
-
APPLICATION
ロボティクスアプリケーションロボット工学システムはインダストリー4.0の進展に伴い改善しており、電源、検知、および制御の標準も増加しています。この急速に成長している業界では、毎日より良い自由度、エネルギー効率、システムインテリジェンスを提供するロボットを開発する機会を与えられます。ロボットの多様な使用用途は、より小さく、高度に機能集積された通信を使用したよりいっそうのモバイル革命につながりました。ロボットは素早く環境を評価して反応し、人と近い距離で安全に稼働し、最小限のプログラミングで順応し学ばなければなりません。 MPSの幅広いソリューションは、効率的で信頼性が高く、革命的な製品を提供し、ロボットの設計をシンプルにして市場投入時間を早めます。MPSは設計者が生産を最適化するためのスピード、検知、および制御を改善できるよう支援するため、新しいロボット工学で今日の需要に応え明日の課題を解決することを可能にします。 ...
-
APPLICATION
ドローン / マルチコプターアプリケーションドローンとマルチコプター (無人航空機) は、コンシューマ向けアプリケーションが増加し、価格が急落するにつれて、急速に成長している市場です。新しいドローンモデルは、高度な速度、ナビゲーション、および制御システムと、可能な限り長い通信時間を提供する必要があります。安全性、信頼性、使いやすさは、これらの小型無人航空機の各部品、および全体的な機能にとって非常に重要です。飛行が安全で効率的であることを保証するために、ドローンは非常に正確なモータ制御と高速通信を備え軽量である必要があります。これらの厳格な設計要件は、各部品が非常に効率的でコンパクトであり、消費電力を最小限に抑える必要があることを意味します。 MPSのモータ・ドライバ、磁気角度センサ、チャージャ、およびレギュレータは、最先端のドローンおよびマルチコプターの設計で最高の制御と電力効率を提供するために必要なすべての要素を提供します。...
-
APPLICATION
ポータブル電動工具アプリケーションポータブル電動工具は、小規模な住宅改修を行う消費者から建設および保守の専門家まで、幅広い顧客にさまざまな機能を提供します。このため、ポータブル電動工具の設計には高い自由度が要求されることが多く、電力、安全性、および合計サイズの要件が厳しくなります。コードレスの電動工具とコード付きの電動工具はどちらも、性能や使いやすさを犠牲にすることなく、コンパクトなサイズで高効率を提供できなければなりません。どちらのタイプも長い製品寿命を提供することが期待されていますが、コードレスの電動工具には、超低待機電力を備えた効率的で長持ちするバッテリーシステムの追加の要件があります。一部の最先端の設計では、新しいスマート機能、ワイヤレス接続、革新的なユーザーインタフェースが提供され始めていますが、機械のコストやサイズを大幅に増やすことなく提供する必要があります。 MPSの高効率モータ・ドライバ、磁気角度センサ、...
-
PRODUCT CATEGORY
機能集積型BLDCモータ・ドライバ製品カテゴリ -
PRODUCT
MP6640製品SPI, 22V, 2.5A, Three-Phase Power Stage
-
PRODUCT
MPQ6547A-AEC1製品4V to 32V, 4A Peak Current, Three-Phase Power Stage, AEC-Q100 Qualified
-
PRODUCT
MP6549製品22V, 10A, Three-Phase Power Stage
-
PRODUCT
MP6543H製品ENBLおよびPWM入力を備えた22V、2A、三相電力段
-
PRODUCT
MP6546製品1MHzデジタルインタフェース付き22V、3A、ピーク、三相BLDCドライバ
-
PRODUCT
MP6541製品PWMおよびENBL入力を備えた40V、8A、三相電力段
-
PRODUCT
MP6541A製品HSおよびLS入力にを備えた40V、8A、三相電力段
-
PRODUCT
MP6545A製品45V、2.5A、電流測定機能付きのシンプルな三相電力段
-
PRODUCT
MP6545製品45V、2.5A、シンプルな三相電力段
-
PRODUCT
MPQ6541A-AEC1製品HSおよびLS入力による40V、8A、三相電力段、AEC-Q100認証
-
PRODUCT
MPQ6541-AEC1製品PWMおよびENBL入力による40V、8A、三相電力段、AEC-Q100認証
-
PRODUCT
MP6543C製品3つの統合ハーフブリッジを備えた 22V、1.2A、三相BLDCモータドライバ
-
PRODUCT
MP6543B製品ホール信号入力を備えた 12V、2A、三相電力段
-
PRODUCT
MP6543A製品HSおよびLS入力を備えた12V、2A、三相電力段
-
PRODUCT
MP6543製品ENBLおよびPWM入力を備えた12V、2A、三相電力段
-
PRODUCT
MP6543H-A製品HSおよびLS入力を備えた22V、2A、三相電力段
-
PRODUCT
MP6543H-B製品ホール信号入力を備えた 22V、2A、三相電力段
-
PRODUCT
MP6540H製品50V、5AのPWMおよびイネーブル入力による三相電力段
-
PRODUCT
MP6540HA製品50V、5AのHS入力およびLS入力による三相電力段
-
PRODUCT
MP6540A製品35 V、3A、三相電力段
-
PRODUCT
MP6540製品35 V、3A、三相電力段
アカウントにログイン
新しいアカウントを作成