MPQ73351FS-AEC1
MPSafeTM ASIL-D, 40V, High Output Current, Synchronous, Dual Buck Converter, AEC-Q100 Qualified
Active Part Numbers:
MPQ73351FSGQJTE-xxxxAEC-Z MPQ73351FSGQJTE-xxxxAEC-P MPQ73351FSGQJTE-0000AEC-Z MPQ73351FSGQJTE-0000AEC-P
Meaning of P & Z 
Related Products
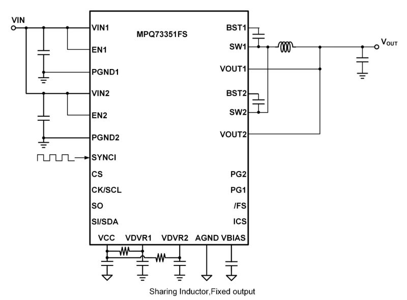
MPQ73350FS-AEC1 MPSafeTM, 40V, High Output Current, Synchronous Dual Buck Converter, AEC-Q100 Qualified
The MPQ73350FS-AEC1 is a synchronous dual buck converter designed for automotive safety applications. It has a wide input voltage (VIN) range, fast transient response, high efficiency, rich monitoring and protection features, and good EMI performance.
The MPQ73350FS-AEC1 can be selected to operate in either 2-channel mode or single-output multi-phase mode. For 2-channel mode, the output current (IOUT) for each buck is up to 7A with the capability for 12A with a heatsink. Multiple MPQ73350FS-AEC1 chips can be placed in parallel to support up to four phases. The switching frequency (fSW) is configurable from 200kHz to 2.2MHz, or it can be synchronized via an external clock signal. Frequency spread spectrum (FSS) is featured to improve EMI performance.
Comprehensive protection features include input under-voltage lockout (UVLO), input over-voltage protection (OVP), cycle-by-cycle peak current limiting, output OVP, output short-circuit protection (SCP), and thermal shutdown. Different configurations can easily be configured via the selectable SPI or I2C interface. The one-time programmable (OTP) memory allows for vast flexibility through programmability.
The MPQ73350FS-AEC1 is available in a TQFN-28 (5mmx6mm) package, and is AEC-Q100 qualified.
Log in to your account
Create New Account