MP3314A
入手可能な製品番号
MP3314AGC-Z MP3314AGC-P
P&Zの意味 
関連商品
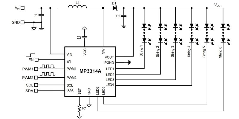
EV3314A-C-00A 評価ボードは、バーチャルリアリティ (VR) バックライトアプリケーションでのLCDパネル用白色LEDアレイを駆動する 6チャネル電流源を備えた昇圧型コンバータMP3314Aの機能を実証するように設計されています。
MP3314Aは 3V~30Vの入力電圧 (VIN) 範囲と最大43Vの出力電圧 (VOUT) に対応しています。このデバイスは、ピーク電流モード制御とパルス幅変調 (PWM) 制御を使用して、昇圧型コンバータのレギュレーションを維持します。6つの内蔵LED電流源チャネルは、チャネルあたり最大80mAまで対応します。
MP3314Aは、LEDチャネル1~チャネル3とLEDチャネル4~チャネル6の明るさをそれぞれ制御するための2つのPWM入力信号 (PWM1とPWM2) を提供します。このデバイスは、LED電流、スイッチング周波数 (fSW)、周波数スペクトラム拡散 (FSS)、およびさまざまな保護しきい値を設定するために、標準のI2Cデジタルインタフェースを採用しています。
MP3314Aは、EMIパフォーマンスを向上させるために、設定可能なスイッチングスロープとFSS機能をサポートしています。デバイスは、LED調整用の低いヘッドルーム電圧とスイッチングMOSFETの小さなオン抵抗 (RDS(ON)) による高効率を備えています。
システムの信頼性を高めるために、MP3314Aは、LED開放保護、LED短絡保護、過電流保護 (OCP)、過電圧保護 (OVP)、過熱保護などの豊富な保護機能を備えています。
MP3314Aは、WLCSP-20 (1.7mm x 2.45mm) パッケージで提供されます。
注文
アカウントにログイン
新しいアカウントを作成