MP2652
入手可能な製品番号
MP2652GVT-xxxx-Z MP2652GVT-xxxx-P MP2652GVT-0000-Z MP2652GVT-0000-P MP2652GVT-0200-Z MP2652GVT-0200-P MP2652GVT-0300-Z MP2652GVT-0300-P MP2652GVT-0400-Z MP2652GVT-0400-P
P&Zの意味 
関連商品
MEZS7-PDPowerBank-MP2652 2セル~5セルまでの直列双方向USB PDモバイルバッテリー用、機能集積された昇降圧型チャージャ・ソリューションモジュール
MEZS7-PDPowerBank-MP2652はデュアルロールポート (DRP)アプリケーション向けのソリューションモジュールであり、MP2652とMPF52002を搭載しています。
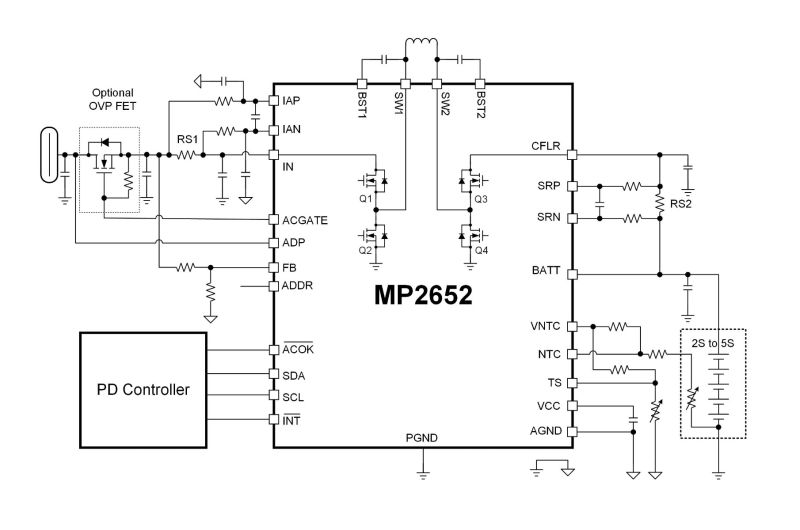
MP2651は、2〜5セル直列のバッテリーパック用に設計された昇降圧型チャージャで、4V~22Vの広い入力電圧 (VIN) 幅を持っています。ソースモードでは、 USB Power Delivery (PD) 仕様に準拠するためにIN端子で5V~21Vの広い幅を供給でき、高分解能の出力電流制限を持っています。
MPF52002はDRPポート用の高度に機能集積したUSB PDコントローラであり、32ビットARM Cortex-M0マイクロコントローラ (MCU)を内蔵しています。コントローラは、DRPアプリケーション用の自動 DRPトグル機能を備えており、PD 3.1仕様に準拠しています。ソースモードは、PD 3.1、BC 1.2、Appleデバイダモード、Huawei FCP / SCP、QC 2.0 / 3.0に対応しています。
ボードには、PD 3.1 および BC 1.2 プロトコルに対応する DRP USB Type-Cポートが搭載されています。アダプタが挿入されると、ポートはシンクポートとして機能し、最大6Aの充電電流でバッテリーを充電します。負荷が挿入されると、ポートはバッテリーからUSBの VVBUS に電力を供給するソースポートとして機能します。
I2C-Controlled, 2-Cell to 5-Cell Buck-Boost Charger with Reverse Source Mode Evaluation Board
通信インターフェースデバイスUSB to I2C / PMBusは、製品評価キットに含まれていますが、個別に購入することもできます。
I2C-Controlled, 2-Cell to 4-Cell Buck-Boost Charger with NVDC Power Path Management
推奨インダクタ
MPL
薄型モールドインダクタ 4.7μH
注文
アカウントにログイン
新しいアカウントを作成