MPQ71017FS-AEC1
入手可能な製品番号
MPQ71017FSGLYT-xxxxAEC1-Z MPQ71017FSGLYT-xxxxAEC1-P MPQ71017FSGLYT-0000AEC1-Z MPQ71017FSGLYT-0000AEC1-P MPQ71017FSGLYTE-xxxxAEC-Z MPQ71017FSGLYTE-xxxxAEC-P MPQ71017FSGLYTE-0000AEC-Z MPQ71017FSGLYTE-0000AEC-P
P&Zの意味 
関連商品
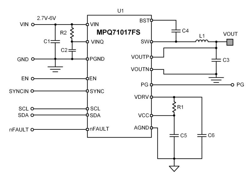
MPQ71020FS-AEC1 MPSafeTM, ASIL-D, 6V, 30A, Synchronous Buck Converter with ZDPTM, AEC-Q100 Qualified
The MPQ71020FS-AEC1 is a configurable, high-frequency, ASIL-D, synchronous buck converter with integrated internal high-side and low-side power MOSFETs (HS-FET and LS-FET, respectively). The MPQ71020FS-AEC1 operates from a 2.7V to 6V input voltage (VIN) range and provides 30A of highly efficient output current (IOUT) with fixed-frequency, zero-delay PWM (ZDPTM) control for fast transient response.
The configurable 2MHz to 4MHz switching frequency (fSW) during forced continuous conduction mode (FCCM) greatly reduces the external inductance and capacitance. Internal feedback and compensation minimize external component count and improve accuracy.
High power conversion efficiency across a wide load range is achieved by skipping pulses under light-load conditions to reduce the fSW and gate driving losses. Full protection features include short-circuit protection (SCP), over-current protection (OCP), input over-voltage protection (OVP), output OVP, and thermal shutdown. These protections provide reliable, fault-tolerant operation.
The MPQ71020FS-AEC1 integrates an I2C digital interface with packet error checking (PEC) and integrated, multi-page one-time programmable (OTP) memory, which allows for programming by the user with a high degree of configurability.
With the integration of functional safety features such as the logic built-in self-testing (LBIST) and analog built-in self-testing (ABIST), this ASIL-certified device supports applications with automotive safety integrity level ASIL-D. It is developed under MPS's advanced MPSafeTM Functional Safety Product Development process, which has been independently certified to meet ISO 26262 guidelines.
The MPQ71020FS-AEC1 is available in a TLGA25 (3mmx4.5mm) package, and it is available in AEC-Q100 Grade 1.
アカウントにログイン
新しいアカウントを作成