- MPQ3447-AEC1
MPQ3447-AEC1
Session textval
Session Titefor popup
概要
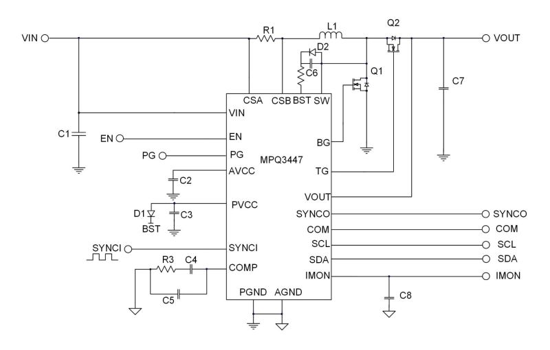
The MPQ3447-AEC1 is a high-efficiency, current-mode, synchronous boost controller with a 6V to 80V wide input voltage (VIN) range. It can operate at multiple phases for high power applications. The device also has the capability to drive 10V MOSFETs, greatly improving efficiency and minimizing power loss.
It provides either an I2C (default) or SPI interface to configure some key operating parameters, such as the switching frequency (fSW), current limit, light-load mode, frequency spread spectrum (FSS), dead time (DT), soft-start (SS) time (tSS), slope compensation, etc. fSW can be adjusted from 250kHz to 2.5MHz or synchronized directly to the external source.
The device also includes under-voltage lockout (UVLO), current limit, and thermal shutdown protection.
The MPQ3447-AEC1 is available in a QFN-21 (5mmx5mm) package. It is available in AEC-Q100 Grade 1.
-
もっと見る
少なく表示
機能と利点
- Configurable via the I2C or SPI Interface:
- Switching Frequency (fSW)
- Slope Compensation
- Current Limit Reference
- Selectable Light-Load Mode
- Pulse-Skip Modulation (PSM) for Ultra-Light Loads
- Dead Time (DT)
- SYNCIN Phase and Frequency Division
- Synchronous or Non-Synchronous Operation
- Frequency Spread Spectrum (FSS) Modulation
- Additional Features:
- 10V Gate Driving Capability
- 250kHz to 2.5MHz fSW Synchronizable to an External Clock
- Clock SYNC Out
- Thermal Warning and Thermal Shutdown
- Power Good (PG) Indicator
- Multi-Phase Capability
- Available in a QFN-21 (5mmx5mm) Package
- Available in a Wettable-Flank Package
- Functional Safety System Design Capable:
- MPSafeTM-Compatible – Functional Safety Supporting Document Available
入手可能な製品番号
MPQ3447GUE-xxxx-Z MPQ3447GUE-xxxx-P MPQ3447GUE-0000-Z MPQ3447GUE-0000-P MPQ3447GUE-xxxx-AEC1-Z MPQ3447GUE-xxxx-AEC1-P MPQ3447GUE-0000-AEC1-Z MPQ3447GUE-0000-AEC1-P
PとZで終わる部品番号は同じ部品です。PとZはリールサイズのみを示します
P&Zの意味 
MPQ3447-AEC1 Resources
-
APPLICATION
低電力の車載エクステリアおよびインテリア照明アプリケーション車載用LEDドライバが従来の電球に取って代わるにつれて、低電力のエクステリアおよびインテリア用照明システムの動作はますます進歩しています。エクステリア用照明には、方向指示器、サイド マーカー、リアコンビネーションランプ (RCL)、およびフォグランプが含まれます。インテリア用照明には、ボタンバックライト、インストルメントクラスタ、ドームおよびアンビエントライトなどがあります。エクステリアおよびインテリア用照明の低電力動作の改善によって、道路での安全性、高効率、そして耐久性のある重要な照明を実現しますが、これらのシステムには高度なレギュレータとマイクロコントローラも必要です。また、スケーラブルで、移動、可視性、可変強度に対する高度な機能を内蔵している必要があります。すべての車載アプリケーションと同様に、すべての照明システムも、厳しい熱要件、ISO26262安全規格、およびEMI規制に見合う必...
-
APPLICATION
ヘッドライトアプリケーションヘッドライトは、どんな車両においても最も重要な機能安全の1つです。新しい機能ではありませんが、現在、ほとんどの新しい自動車モデルにはLEDヘッドライトが搭載されており、明るさが増し、効率が向上し、ヘッドライトの寿命が長くなりました。そしてもちろん、あらゆる車載アプリケーションと同様に、ヘッドライトの設計は、厳格な熱要件、ISO26262安全規格、およびEMI規制を満たす必要があります。 そのため、MPSではAEC-Q100認定製品の広範な製品ラインアップを提供しています。MPSの非常に効率的で柔軟なライティングソリューションには、ステップアップコンバータ、降圧、昇圧、および昇降圧LEDドライバが含まれます。これらの車載グレードの製品は、最高レベルの安全性と性能を提供すると同時に、市場投入までの時間を短縮します。 MPSの信頼性とコスト効率の高い製品は、次世代の車載用ヘッ...
-
APPLICATION
すべてのLEDライティングアプリケーション車載用LED照明システムは、ヘッドライト、車内照明、テールライト、小型照明、LEDピクセルライトコントローラ、およびDC/DC LEDドライバで構成されています。フレキシブルな制御、生き生きとした動き、エネルギー効率、電源供給、制御、検知、駆動、および通信を集約したよりいっそう動的で正確なLED照明は、さらに複雑になっています。これらの先進的な機能には、それぞれのパワーステージ、通信インタフェースおよびマイクロコントローラにまたがるスケーラブルなヘッドライトシステムとともに、LED電流および個々のLEDの信頼性の高い制御が必要です。近年のLED照明システムは、ISO26262安全基準およびEMC規制に準拠すると同時に、ヒステリシス制御、サーマルシャットダウン、および過電流保護のような保護機能も搭載しています。 MPSの車載グレード製品には、LEDドライバ、電源モジュール、ステップダウ...
-
APPLICATION
ディスプレイ (ナビゲーション、ヘッドアップ、クラスター)アプリケーションセンターディスプレイ、ヘッドアップディスプレイ (HUD)、計器のインストルメントクラスタを含む自動車用ディスプレイは、重要な情報とインタラクティブなコンテンツを運転手に表示します。センターインフォメーションディスプレイはヘッドユニットに接続されており、ナビゲーションやその他の車内インフォテインメントの制御を提供します。車載のHUDと計器のインストルメントクラスタは、ドライバーに簡単に利用できる情報を提供します。HUDは、速度、温度、燃料レベルなど、目の高さのクラスタ・ディスプレイからの重要な指標も映します。これらの高度なディスプレイには、厳しい熱的条件、ISO26262安全基準、およびEMIの規制を満たすことに加えて、高効率の電源、簡単な機能統合、およびスケーラビリティが必要です。 MPSのパワーマネジメントソリューションの製品ラインには、ステップダウンとステップアップコンバータ、...
-
APPLICATION
ヘッドユニット (ミッドレンジ)アプリケーション自動車のヘッドユニット設計は、従来のハードウェアインタフェースから、さまざまな車内機能を提供する洗練されたインフォテインメントシステムへと進化しました。これらの機能には、ナビゲーション、ワイヤレス接続、乗員のエンタテインメント、ジェスチャー認識、音声制御などがあります。インフォテインメント機能に対するコンシューマの期待が高まり続ける中、メーカーはドライバーの気を散らすことを軽減したり、コネクテッド環境におけるサイバーセキュリティの脅威からの保護、充電およびデータ転送ニーズへの対応などの設計上の課題に直面しています。ミッドレンジ・ヘッドユニットは、ISO26262安全基準の順守とEMI軽減に加えて、費用対効果にすぐれたシンプルなテクノロジーを提供し、セントラルインタフェースの機能と性能を向上します。 MPSのすぐれた車載グレード部品の製品ラインには、低ドロップアウト (LDO) レギュ...
-
APPLICATION
ヘッドユニット (ハイエンド)アプリケーション車載用ヘッドユニット設計は、従来のハードウェアインタフェースから、さまざまな車内機能を提供する洗練されたインフォテインメントシステムへと進化しました。これらの機能には、ナビゲーション、ワイヤレス接続、乗員のエンタテインメント、ジェスチャー認識、音声制御などがあります。インフォテインメント機能に対するコンシューマの期待が高まり続ける中、メーカーはドライバーの気が散ることを軽減し、コネクテッド環境におけるサイバーセキュリティの脅威からの保護、充電およびデータ転送ニーズへの対応などの設計上の課題に直面しています。ハイエンドのヘッドユニットは、ISO26262安全規格の順守とEMI対策に加えて、直感的でシームレスな運転体験を実現する堅牢で最先端のテクノロジーを提供します。 MPSのパワーマネジメントソリューションには、ステップダウンとステップアップコンバータ、電源モジュール、低ドロップアウト...
-
APPLICATION
リアカメラ (同軸)アプリケーション後方確認カメラは、おそらく先進運転支援システム (ADAS) アプリケーションで使用される最もよく知られたカメラのサブシステムです。この機能は、ますます多くの車両に提供され、期待されているので、これらのカメラシステムは、高度な統合および高速データ処理を提供して、車両の背後にある可能性のある危険を正確かつリアルタイムでモニタし、情報を通常車内のヘッドユニットにあるLCDディスプレイに直接送れるようにする必要があります。消費者の安全と利便性を向上させるように設計されたこれらの高度な安全機能は、ISO26262安全基準への適合とEMI軽減に加え、設計の複雑さとエンジニアに対するさらなる考慮も追加します。 拡張できて信頼できる電源管理ソリューション一式には、電源モジュール、降圧コンバータ、リニアレギュレータが含まれます。これらの車載グレードの部品は、厳しい温度およびEMI要件を満たすと同時に...
-
APPLICATION
前方カメラ (オフバッテリー)アプリケーション前方カメラは先進運転支援システム (ADAS) アプリケーションにおいてより一層使用頻度の高いカメラのサブシステムとなってきています。より多くの車両において標準となってきているので、オフバッテリーのカメラシステムは、車線変更補助や衝突回避に加え、高度の機能集積と、車両の前方にあるかもしれない危険を正確およびリアルタイムに監視するための高速データ処理が必要です。ドライバーの安全性と利便性を改善する一方、これらの先進機能は設計の複雑さが増しており、さらにはISO26262の安全基準とEMCの規則に沿わなければなりません。 MPSの効率的で小型なパワーマネジメントソリューションは、電源モジュール、PMIC、ステップアップおよびステップダウンコンバータ、昇降圧コントローラ、ロードスイッチ、監視回路、リニアレギュレータ、およびターミネーションレギュレータを含みます。これらの車載グレードの製品は...
-
APPLICATION
ドライバーモニタリングシステムアプリケーションドライバーモニタリングシステムは、自動車安全技術の最新点の一つです。総合的なヒューマンマシンインターフェース (HMI) の一部として、運転手モニタリングシステムはバイタルサインパラメータとドライバーの注意力を追跡し、ドライバーが車両を運転できない場合に支援します。もちろん、高度な新機能によって設計が複雑になり、エンジニアにとってはさらなる考慮事項が必要になります。安全性は常に最優先事項であるため、これらの部品は厳格なEMIおよび温度要件を満たさなければなりません。これにより、消費者およびメーカーは、運転者の気を散らすことを最小限に抑えながら、快適性および利便性の向上に自信が持てるようになります。 EMCの最もすぐれた車載用ソリューション・カタログには、電源モジュール、PMIC、ステップダウンコンバータ、リニアレギュレータなどがあります。これらの製品は、トップクラスの柔軟性と効率性を...
-
PRODUCT CATEGORY
ステップアップコンバータおよびコントローラ製品カテゴリ -
PRODUCT
MPQ3445-AEC1製品Wide-Input, Synchronous Boost Controller with Low IQ Bypass Mode, AEC-Q100 Qualified
-
PRODUCT
MPQ3414C-AEC1製品1.5A、2.2MHz、5VOUT、52μA Iq、出力切断機能付き同期整流ステップアップコンバータ、AEC-Q100認定済み
-
PRODUCT
MPQ3446-AEC1製品55V、広範な入力、電流モード、同期整流昇圧コントローラ、AEC-Q100認定済み
-
PRODUCT
MPQ3438-AEC1製品2A、10V、高効率、完全統合型、同期整流昇圧型コンバータ、AEC-Q100認定
-
PRODUCT
MPQ3432-AEC1製品21A、設定可能な電流制限を備えた、高効率で、完全に統合された、同期整流昇圧型コンバータ、AEC-Q100認定
-
PRODUCT
MPQ3431C-AEC1製品21A、設定可能なピークスイッチング電流制限を備えた、高効率で、完全に統合された、同期昇圧コンバータ、AEC-Q100認定
-
PRODUCT
MPQ3413-AEC1製品1.5A、2.2MHz、 52μA 自己消費電流、 5V VOUT、 出力切断付き同期整流ステップアップコンバータ 、AEC-Q100 認定
-
PRODUCT
MPQ3414B-AEC1製品1.5A、2.2MHz、5V VOUT、52μA 自己消費電流、出力切断付き同期ステップアップコンバータ、AEC-Q100認定
-
PRODUCT
MPQ3452-AEC1製品22V、設定可能なスイッチング周波数を備えた3A昇圧型コンバータ、AEC-Q100認定
-
PRODUCT
MPQ3431A-AEC1製品21A、高効率、完全集積、設定可能な入力電流制限を備えた同期整流昇圧型コンバータ、AEC-Q100認定
-
PRODUCT
MPQ8875A-AEC1製品36V、5A、4スイッチ、I2Cインタフェース付き同期整流昇降圧型コンバータ、 AEC-Q100認定
-
PRODUCT
MPQ3910A-AEC1製品35V、設定可能な周波数、ソフトスタート、および軽負荷動作を備えた昇圧PWMコントローラ、AEC-Q100認定
-
PRODUCT
MPQ3410-AEC1製品1.3A、550kHz 同期整流式ステップアップコンバータ、AEC-Q100認定
-
PRODUCT
MPQ1530-AEC1製品AEC-Q100認定、TFTバイアス用、トリプル出力、昇圧型コンバータおよびリニアレギュレータ
-
PRODUCT
MPQ3445GUE-0000-AEC1-Z製品Wide-Input, Synchronous Boost Controller with Low IQ Bypass Mode, AEC-Q100 Qualified
アカウントにログイン
新しいアカウントを作成