- MPQ2176B-AEC1
MPQ2176B-AEC1
Session textval
Session Titefor popup
概要
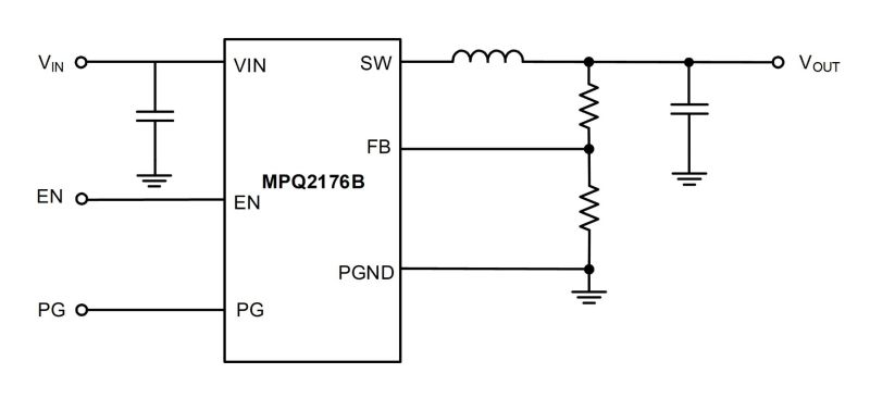
The MPQ2176B-AEC1 is a monolithic, step-down switch-mode converter with built-in internal power MOSFETs. The device provides 4A to 6A of continuous output current (IOUT) from a 2.4V to 5.5V input voltage (VIN) range, with excellent load and line regulation. The output voltage (VOUT) can be regulated to as low as 0.4V.
The constant-on-time (COT) control scheme provides fast transient response and facilitates loop stabilization. Fault protections include cycle-by-cycle current limiting, input over-voltage protection (OVP), output OVP, and thermal shutdown. These protections provide reliable, fault-tolerant operation.
The MPQ2176B-AEC1 is ideal for a wide range of applications including automotive infotainment, clusters, telematics, and advanced driver-assistance systems (ADAS).
The MPQ2176B-AEC1 requires a minimal number of readily available, standard external components, and is available in a small TLGA-9 (2mmx3mm) package. It is available in AEC-Q100 Grade 1.
-
もっと見る
少なく表示
機能と利点
- Designed for Automotive Applications:
- Wide 2.4V to 5.5V Operating Input Voltage (VIN) Range
- 4A to 6A of Continuous Output Current (IOUT)
- Available in AEC-Q100 Grade 1
- Increases Battery Life:
- Advanced Asynchronous Modulation (AAM) Mode
- Designed for High Performance:
- Constant-On-Time (COT) Control Provides Excellent Transient Response
- Constant Frequency in Steady State
- Internal Power MOSFET Switches
- Optimized for EMC/EMI:
- 2.2MHz Switching Frequency (fSW) in Continuous Conduction Mode (CCM)
- Frequency Spread Spectrum (FSS) Modulation
- MeshConnectTM Flip-Chip Package
- Additional Features:
- Enable (EN) Function
- Power Good (PG)
- ±1% 0.4V Feedback (FB) Accuracy
- Short-Circuit Protection (SCP) with Hiccup Mode
- Output Discharge
- Available in a TLGA-9 (2mmx3mm) Package
- Functional Safety System Design Capable:
- MPSafeTM Compatible – Functional Safety Supporting Document Available
入手可能な製品番号
MPQ2176BGLNT-xxxx-AEC1-Z MPQ2176BGLNT-xxxx-AEC1-P
PとZで終わる部品番号は同じ部品です。PとZはリールサイズのみを示します
P&Zの意味 
MPQ2176B-AEC1 Resources
-
APPLICATION
セントラルゲートウェイアプリケーション自動車は最先端の機能を実現するためにECUネットワークを搭載し続けているため、車載セントラルゲートウェイは複数のプロトコル (例: CAN、FlexRay、LIN、イーサネット、およびISO-9141) 間のデータ伝送を橋渡しし管理するための中心的な役割を果たしています。セントラルゲートウェイは車両の異なる機能ドメイン間のコミュニケーションに対応するプロトコル間の可搬性と同時に、ECUネットワーク間の物理的な絶縁を実現します。これらの機能はサイバーセキュリティや急成長するIoT、SOTA (Software Over-the-Air) 、およびカーシェアリングなどにとっては必須です。近年のセントラルゲートウェイコントローラは著しい処理電力とセキュリティが必要となっており、ISO26262の安全基準やEMC規制にも見合う必要があります。 MPSの電源ソリューションにおける広範な製品ポー...
-
APPLICATION
ディスプレイ (ナビゲーション、ヘッドアップ、クラスター)アプリケーションセンターディスプレイ、ヘッドアップディスプレイ (HUD)、計器のインストルメントクラスタを含む自動車用ディスプレイは、重要な情報とインタラクティブなコンテンツを運転手に表示します。センターインフォメーションディスプレイはヘッドユニットに接続されており、ナビゲーションやその他の車内インフォテインメントの制御を提供します。車載のHUDと計器のインストルメントクラスタは、ドライバーに簡単に利用できる情報を提供します。HUDは、速度、温度、燃料レベルなど、目の高さのクラスタ・ディスプレイからの重要な指標も映します。これらの高度なディスプレイには、厳しい熱的条件、ISO26262安全基準、およびEMIの規制を満たすことに加えて、高効率の電源、簡単な機能統合、およびスケーラビリティが必要です。 MPSのパワーマネジメントソリューションの製品ラインには、ステップダウンとステップアップコンバータ、...
-
APPLICATION
ヘッドユニット (ハイエンド)アプリケーション車載用ヘッドユニット設計は、従来のハードウェアインタフェースから、さまざまな車内機能を提供する洗練されたインフォテインメントシステムへと進化しました。これらの機能には、ナビゲーション、ワイヤレス接続、乗員のエンタテインメント、ジェスチャー認識、音声制御などがあります。インフォテインメント機能に対するコンシューマの期待が高まり続ける中、メーカーはドライバーの気が散ることを軽減し、コネクテッド環境におけるサイバーセキュリティの脅威からの保護、充電およびデータ転送ニーズへの対応などの設計上の課題に直面しています。ハイエンドのヘッドユニットは、ISO26262安全規格の順守とEMI対策に加えて、直感的でシームレスな運転体験を実現する堅牢で最先端のテクノロジーを提供します。 MPSのパワーマネジメントソリューションには、ステップダウンとステップアップコンバータ、電源モジュール、低ドロップアウト...
-
APPLICATION
LIDARアプリケーションLiDAR (光による検知と側距) は、自動車の高度運転支援システム (ADAS) アプリケーションで急速に拡大している市場です。自律走行車の知覚感知はADAS技術の最先端機能であり、新しい車がレーダーとカメラおよびLiDARシステムを統合しながら発展し続けるでしょう。LiDARは、光パルスのリアルタイム測定を使用して、レーダーよりも高い帯域幅で周囲を認識します。LiDARを使用すると、範囲解像度と精度が向上し、ソリューションサイズが小さくなり、BOMサイズとコストが削減されます。しかし、これらの並外れた機能はまた、ISO26262安全基準の順守およびEMI軽減に加えて、より大きな技術的複雑さも強いられます。 MPSの車載グレード製品には、ステップダウンコンバータ、ステップアップコンバータ、昇圧コンバータ、降圧電源モジュール、低ドロップアウト (LDO)、監視回路、ウォッチドッグタイ...
-
APPLICATION
インフォテイメントシステムアプリケーション自動車の車載インフォテインメントシステムは、安全性とセキュリティ、および全体的な運転体験を向上させるために、ますますソフトウェア指向になりつつあります。現代の自動車は、運転情報と環境情報、乗員のエンタテインメント、ワイヤレス接続、ナビゲーションを一元化したインフォテインメントシステム・アーキテクチャに統合しています。しかし、高度な車載インフォテインメントシステムの台頭により、自動車設計者は、ISO26262安全規格およびEMI規制への準拠に加えて、先進運転支援システム (ADAS) や接続性および快適性の考慮など、システムの複雑さの増大にも直面しています。 MPSの車載用製品には、降圧 / 昇圧コンバータ、電源モジュール、低ドロップアウト (LDO) レギュレータ、USB給電ポート、ロードスイッチ、アナログスイッチ、PMIC、バックライト (WLED) ドライバ、ブラシ付きDCおよび...
-
APPLICATION
リアカメラ (オフバッテリー)アプリケーション後方確認カメラは、おそらく先進運転支援システム (ADAS) アプリケーションで使用される最もよく知られたカメラのサブシステムです。この機能は、ますます多くの車両に提供され期待されているため、これらのカメラシステムは高度な統合および高速データ処理を提供して、車両の背後にある可能性のある危険を正確かつリアルタイムでモニタし、情報を通常車内のヘッドユニットにあるLCDディスプレイに直接送れるようにする必要があります。消費者の安全と利便性を向上させるように設計されたこれらの高度な安全機能により、ISO26262安全基準への適合とEMI軽減に加え、設計の複雑さとエンジニアにとってのさらなる検討事項も増えます。 拡張できて信頼できる電源管理ソリューション一式には、パワーモジュール、降圧コンバータ、リニアレギュレータが含まれます。これらの車載グレードの部品は、厳しい温度およびEMI要件を満たすと...
-
APPLICATION
リアカメラ (同軸)アプリケーション後方確認カメラは、おそらく先進運転支援システム (ADAS) アプリケーションで使用される最もよく知られたカメラのサブシステムです。この機能は、ますます多くの車両に提供され、期待されているので、これらのカメラシステムは、高度な統合および高速データ処理を提供して、車両の背後にある可能性のある危険を正確かつリアルタイムでモニタし、情報を通常車内のヘッドユニットにあるLCDディスプレイに直接送れるようにする必要があります。消費者の安全と利便性を向上させるように設計されたこれらの高度な安全機能は、ISO26262安全基準への適合とEMI軽減に加え、設計の複雑さとエンジニアに対するさらなる考慮も追加します。 拡張できて信頼できる電源管理ソリューション一式には、電源モジュール、降圧コンバータ、リニアレギュレータが含まれます。これらの車載グレードの部品は、厳しい温度およびEMI要件を満たすと同時に...
-
APPLICATION
前方カメラ (オフバッテリー)アプリケーション前方カメラは先進運転支援システム (ADAS) アプリケーションにおいてより一層使用頻度の高いカメラのサブシステムとなってきています。より多くの車両において標準となってきているので、オフバッテリーのカメラシステムは、車線変更補助や衝突回避に加え、高度の機能集積と、車両の前方にあるかもしれない危険を正確およびリアルタイムに監視するための高速データ処理が必要です。ドライバーの安全性と利便性を改善する一方、これらの先進機能は設計の複雑さが増しており、さらにはISO26262の安全基準とEMCの規則に沿わなければなりません。 MPSの効率的で小型なパワーマネジメントソリューションは、電源モジュール、PMIC、ステップアップおよびステップダウンコンバータ、昇降圧コントローラ、ロードスイッチ、監視回路、リニアレギュレータ、およびターミネーションレギュレータを含みます。これらの車載グレードの製品は...
-
APPLICATION
ドライバーモニタリングシステムアプリケーションドライバーモニタリングシステムは、自動車安全技術の最新点の一つです。総合的なヒューマンマシンインターフェース (HMI) の一部として、運転手モニタリングシステムはバイタルサインパラメータとドライバーの注意力を追跡し、ドライバーが車両を運転できない場合に支援します。もちろん、高度な新機能によって設計が複雑になり、エンジニアにとってはさらなる考慮事項が必要になります。安全性は常に最優先事項であるため、これらの部品は厳格なEMIおよび温度要件を満たさなければなりません。これにより、消費者およびメーカーは、運転者の気を散らすことを最小限に抑えながら、快適性および利便性の向上に自信が持てるようになります。 EMCの最もすぐれた車載用ソリューション・カタログには、電源モジュール、PMIC、ステップダウンコンバータ、リニアレギュレータなどがあります。これらの製品は、トップクラスの柔軟性と効率性を...
-
APPLICATION
360°サラウンドビューカメラアプリケーション360°サラウンドビューカメラは、車の全景図を提供し、通常はキャビンのヘッドユニットにあるLCDディスプレイに直接表示することで、ドライバーの死角をなくします。この画像は、車両の周囲に配置された複数のカメラ (通常は少なくとも4つ) から作成された合成です。バックアップカメラからの進化の次のステップと考えられることもありますが、360°サラウンドビューカメラシステムは、消費者の安全性と利便性を向上させるために先進運転支援 (ADAS) 機能がますます多くの新しい車両に追加されるにつれて、人気が高まっています。これらのサラウンドビューカメラシステムは、車線逸脱や衝突警告、移動物体検出、交通標識認識などの最先端の安全機能を有効にするために、高度な集積と高速データ処理を提供する必要があります。これらの高度な新機能により、ISO26262安全規格への準拠とEMI緩和に加えて、設計が...
-
APPLICATION
センサフュージョン・ドメインコントローラアプリケーション知覚感知システムは、新車で提供される一般的なADASとなり、新車がレーダーとカメラ、さらにはLIDARシステムを統合するにつれて、今後も拡大し続けるでしょう。しかし、これらのセンサにはそれぞれ強みと限界があるため、センサフュージョンが登場します。自動車のすべての知覚感知システムからの入力を組み合わせることによって、ドライバーには、車両周辺の物体や潜在的な危険を正確に検出するための可能な限りベストな情報が提供されます。しかし、これらの素晴らしい機能はまた、ISO26262安全基準への適合およびEMI軽減に加えて、より大きな技術的複雑さも意味します。 信頼性の高い車載グレードの電源管理ソリューションの製品ラインには、電源モジュール、降圧コンバータ、リニアレギュレータなどがあります。これらの部品は、最小のパッケージサイズで最高の効率と性能が得られるように設計されており、EMIを最小限に抑え...
-
APPLICATION
77GHZレーダーアプリケーション77GHzレーダーは、自動車の高度運転者支援システム (ADAS) アプリケーションとして急速に普及しつつあります。知覚感知システムはADAS技術の中で成長している市場であり、新しい自動車がレーダーとカメラ、さらにはLIDARシステムを統合しながら拡大し続けるでしょう。車載画像レーダーは、車両周辺の物体または潜在的な危険を感知する追加の方法として使用されます。77GHzレーダーは、従来の24GHzレーダーよりも広い帯域幅を提供することによって改善されたものであり、より広い幅の分解能と正確さを可能にします。また、周波数が高くなると、アプリケーションで使用されるセンサが小さくなるので、より小さなトータルソリューションサイズが可能になります。しかし、これらの素晴らしい機能はまた、ISO26262安全基準への適合およびEMI軽減に加えて、より大きな技術的複雑さも意味します。 MPSのトップク...
-
PRODUCT CATEGORY
ステップダウンコンバータ製品カテゴリ -
PRODUCT
MPQ71018FS-AEC1製品MPSafeTM, ASIL-D, 6V, 20A, Synchronous Buck Converter with ZDPTM, AEC-Q100 Qualified
-
PRODUCT
MPQ9841A-AEC1製品36V, 1A, Low-IQ, Synchronous Step-Down Converter, AEC-Q100 Qualified
-
PRODUCT
MPQ71017FS-AEC1製品MPSafeTM, ASIL-D, 6V, 15A, Synchronous Buck Converter with ZDPTM, AEC-Q100 Qualified
-
PRODUCT
MPQ2295-AEC1製品6V, 15A to 30A, Synchronous Buck Converter with ZDPTM, AEC-Q100 Qualified
-
PRODUCT
MPQ2176A-AEC1製品5.5V, 4A to 6A, 2.2MHz, Synchronous Step-Down Converter in a TLGA-13 Package, AEC-Q100 Qualified
-
PRODUCT
MPQ71019FS-AEC1製品MPSafeTM ASIL-D, 6V, 25A, Synchronous Buck Converter with ZDPTM, AEC-Q100 Qualified
-
PRODUCT
MPQ4111-AEC1製品20V, 0.5A to 4A, Low Quiescent Current, Synchronous Step-Down Converter, AEC-Q100 Qualified
-
PRODUCT
MPQ2277A-AEC1製品6V, Dual 1A/1A, AAM Mode, 2.5MHz, Synchronous Step-Down Converter with Power Good and Soft Start, AEC-Q100 Qualified
-
PRODUCT
MPQ2279-AEC1製品6V, Dual 3A/3A, 2.5MHz, Synchronous Step-Down Converter with Power Good and Soft Start, AEC-Q100 Qualified
-
PRODUCT
MPQ2183-AEC1製品6V, 1A to 3A, 2.4MHz, Synchronous Step-Down Converter with Frequency Spread Spectrum, AEC-Q100 Qualified
-
PRODUCT
MPQ2279A-AEC1製品6V, Dual 3A/3A, AAM Mode, 2.5MHz, Synchronous Step-Down Converter with Power Good and Soft Start, AEC-Q100 Qualified
-
PRODUCT
MPQ4110-AEC1製品Low Quiescent Current, Synchronous Step-Down Converter, AEC-Q100 Qualified
アカウントにログイン
新しいアカウントを作成