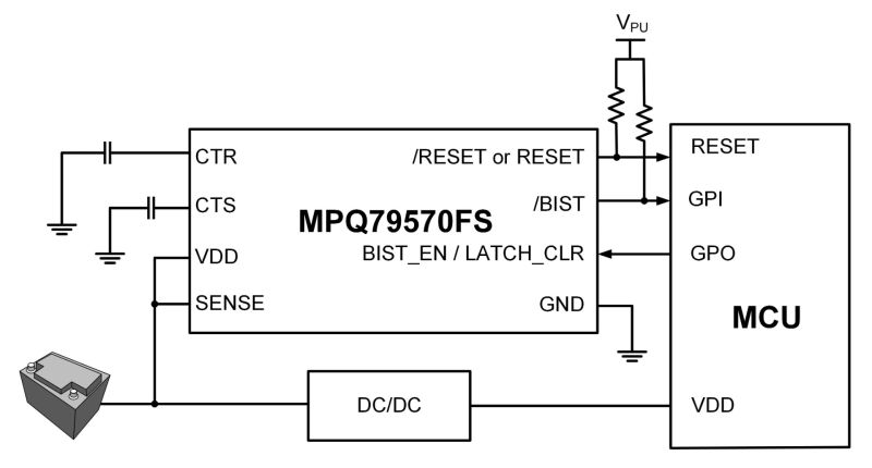
MPQ79570FS-AEC1
Active Part Numbers:
MPQ79570FSGJ-xxxx-AEC1-Z MPQ79570FSGJ-xxxx-AEC1-P MPQ79570FSGJ-0000-AEC1-Z MPQ79570FSGJ-0000-AEC1-P
Meaning of P & Z 
Related Products
MPQ79500FSGQE-AEC1 MPSafe™ 6-Channel ASIL-D Voltage Monitor, AEC-Q100 Qualified
The MPQ79500FS is a 6-channel voltage monitor. It is engineered for automotive applications that require voltage rails to be monitored for safety, such as advanced driver-assistance systems (ADAS) and autonomous driving platforms.
Each voltage monitor input has configurable over-voltage (OV) and under-voltage (UV) thresholds. Highly accurate high-frequency (HF) and low-frequency (LF) voltage monitoring can detect when the voltage thresholds are reached.
Two of the inputs are differential, remote voltage-sensing input pairs that are well-suited to monitor voltage rails with high current levels. Low-power mode (LPM) can be enabled to achieve extremely low quiescent currents.
The MPQ79500FS can record the order in which voltage rails are sequenced, as well as their associated timestamps. The device also provides a sync I/O function, which allows multiple devices to be connected together to increase the number of voltage rails that can perform these functions. The device is accessible through an I2C interface.
With the integration of sophisticated functional safety features, including built-in self-testing (BIST), diagnostics, and write protection, this device is targeted to support applications with a high automotive safety integrity level up to ASIL-D.
The MPQ79500FS is available in a QFN-16 (3mmx3mm) package with wettable flanks, and is AEC-Q100 Grade 1 qualified.
Log in to your account
Create New Account