- MPQ4201-AEC1
MPQ4201-AEC1
100V, Synchronous, Bidirectional Buck-Boost Controller with I2C, Battery Charging, and Adjustable OCP and PG Indication, AEC-Q100 Qualified
Session textval
Session Titefor popup
Description
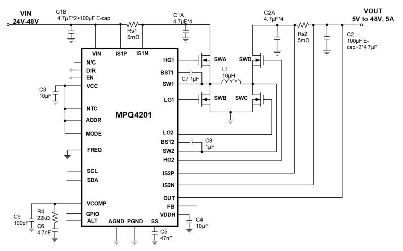
The MPQ4201-AEC1 integrates a synchronous, four-switch N-MOSFET driver supporting GaN with a bidirectional buck-boost controller capable of regulating different output voltages with a wide input voltage (VIN) range and high efficiency.
The MPQ4201-AEC1 provides an I2C interface with a one-time programmable (OTP) memory, which supports output voltage (VOUT) configuration, VOUT slew-rate control, and input current (IIN) and output current (IOUT) constant-current limit configuration. This makes the device suitable for USB Standard Power Range (SPR) and Extended Power Range (EPR) Power Delivery (PD) designs and high-power systems.
The MPQ4201-AEC1 provides forced continuous conduction mode (FCCM), automatic pulse-frequency modulation (PFM)/pulse-width modulation (PWM) selection mode, battery charging control, and a configurable switching frequency (fSW) with frequency spread spectrum function (FSS), which supports flexible designs for different applications.
It integrates battery charge cycle control with accurate battery voltage regulation, as well as pre-charge, constant-current (CC) and constant-voltage (CV) charge, termination charge detection, and status indication.
The MPQ4201-AEC1 also features configurable IIN and IOUT over-current protection (OCP) hiccup mode or continuous CC mode without hiccup, short-circuit protection (SCP), configurable input over-voltage protection (OVP) and under-voltage lockout (UVLO) thresholds, output OVP, and thermal shutdown (TSD). The NTC pin can be used to sense the PCB board or MOSFET temperature for over-temperature protection.
The MPQ4201-AEC1 is available in a QFN-32 (5mmx6mm) package with wettable flanks, and is AEC-Q100 qualified.
-
Show more
Show less
Features & Benefits
- 4-Switch, Bidirectional Buck-Boost Controller
- 4.75V to 100V Operating Input Voltage (VIN) Range Supports VIN <6V with a 7.7V to 14V External Bias via the VDDH Pin
- External Feedback Supports 100V Output Voltage (VOUT), Internal Feedback Supports 3.2V to 81.92V VOUT Range, with 20mV/Step
- 1µA Enable (EN) Shutdown Quiescent Current (IQ)
- 300µA IQ when I2C Operation Is Off
- Configurable, 0.5A to 25A Input/Output Continuous Current (CC) Limit, with 50mA/Step
- Supports 2mΩ/5mΩ Configurable Current-Sense (CS) Resistor
- Supports USB Power Delivery (PD) Standard Power Range (SPR) Programmable Power Supplies (PPS) and Extended Power Range (EPR) Adjustable Voltage Supplies (AVS)
- 200kHz, 400kHz, 600kHz, or 1MHz Switching Frequency (fSW) with Frequency Spread Spectrum (FSS) and Frequency SYNC Input
- Pulse-Frequency Modulation (PFM) or Forced Continuous Conduction Mode (FCCM) Selection
- Support 5V, 1.75A Source/4.5A Sink Ability Gate Driver Compliant with GaN
- Configurable VIN Under-Voltage Lockout (UVLO) via the One-Time Programmable (OTP) Memory
- Configurable VOUT Over-Voltage Protection (OVP)
- Configurable Input Regulation Threshold for Maximum Power Point Tracking (MPPT)
- System:
- Battery Charge Cycle Control with Status Indication
- I2C Interface with Interrupt Function
- Over-Current Protection (OCP), OVP, Power Good (PG), Negative Temperature Coefficient (NTC), and Thermal Shutdown Interrupt
- 10-Bit Analog-to-Digital Converter (ADC) Readout Function for VIN, Input Current (IIN), VOUT, Output Current (IOUT), and Temperature
- Available in a QFN-32 (5mmx6mm) Package with Wettable Flanks
- Available in AEC-Q100 in Grade 1
Active Part Numbers:
MPQ4201GQJE-xxxx-AEC1-Z MPQ4201GQJE-xxxx-AEC1-P MPQ4201GQJE-0000-AEC1-Z MPQ4201GQJE-0000-AEC1-P
Part numbers ending in P and Z are the same parts. P and Z only indicates reel size.
Meaning of P & Z 
MPQ4201-AEC1 Resources
-
PRODUCT CATEGORY
STEP-DOWN/STEP-UP CONVERTERSPRODUCT CATEGORY -
PRODUCT CATEGORY
STEP-DOWN/STEP-UP (BUCK-BOOST) CONVERTERS AND CONTROLLERSPRODUCT CATEGORY -
APPLICATION
CENTRAL GATEWAYSAPPLICATIONAs vehicles continue to integrate electronic control unit (ECU) networks for cutting-edge functionality, the automotive central gateway controller plays a central role in bridging and managing the transfer of data across various protocols (e.g. CAN, FlexRay, LIN, Ethernet, and ISO-9141). The central gateway achieves physical isolation between ECU networks, as well as portability between protocols ...
-
APPLICATION
DISPLAY (NAVIGATION, HEADS-UP, CLUSTER)APPLICATIONAutomotive displays — which include the center display, heads-up display (HUD), and gauge instrument cluster — show key information and interactive content to the driver. The center information display is connected to the head unit, and provides navigation and other in-cabin infotainment controls. The automotive HUD and gauge instrument cluster provide easy-to-access information for the driver. Th...
-
APPLICATION
INFOTAINMENT SYSTEMSAPPLICATIONAutomotive in-vehicle infotainment systems are becoming increasingly software-driven to enhance safety and security, as well as the overall driving experience. Modern cars integrate driving and environmental information, passenger entertainment, wireless connections, and navigation into a centralized infotainment system architecture. However, with the rise of sophisticated in-vehicle infotainment ...
-
APPLICATION
REARVIEW CAMERAS (OFF BATTERY)APPLICATIONRearview cameras are perhaps the most well-known camera subsystem used in advanced driver assistance systems (ADAS) applications. As this feature is being offered and expected in more and more vehicles, these camera systems must offer high integration and fast data processing to enable accurate, real-time monitoring of possible hazards behind the vehicle and channeling information directly to an L...
-
APPLICATION
FRONT-FACING CAMERAS (OFF BATTERY)APPLICATIONFront-facing cameras are an increasingly popular camera subsystem used in advanced driver assistance systems (ADAS) applications. Because this feature is becoming standard in more and more vehicles, off-battery camera systems must offer high integration and fast data processing to enable accurate, real-time monitoring of possible hazards in front of the vehicle, in addition to assisting with integ...
-
APPLICATION
USB TYPE-C POWER DELIVERYAPPLICATIONUSB Type-C power delivery (PD) is gaining popularity across applications and markets, including in automotive. USB ports have become an expected standard in most car models, and are typically expected to offer both charging and data functionality. USB Type-C improves on older USB designed by offering a smaller, reversible port for easy plug-in and double the transfer speed of USB 3.0. USB PD proto...
-
APPLICATION
WIRELESS CHARGINGAPPLICATIONWireless in-car charging is becoming an increasingly popular feature in new vehicle models. The ability to charge a smartphone or other portable device by simply placing it in a designated area, such as a center console tray — without having to physically connect the device or plug it in — offers a world of convenience for consumers. Charging has become an expected standard in most car models, and...
-
APPLICATION
DRIVER MONITORING SYSTEMSAPPLICATIONDriver monitoring systems are one of the latest developments in automotive safety technology. As part of a holistic human-machine interface (HMI), driver monitoring systems track vital sign parameters and driver attentiveness, so that in the event that the driver is unable to operate the vehicle, assistance can be provided. Of course, advanced new features add design complexity and additional cons...
-
APPLICATION
SENSOR FUSION DOMAIN CONTROLLERSAPPLICATIONPerception-sensing systems have become a popular ADAS offering in new vehicles, and will continue to expand as new cars integrate radar with cameras and even LIDAR systems. However, each of these sensors has strengths and limitation — thats where sensor fusion comes in. By combining the inputs from all of the cars perception-sensing systems, the driver is provided with the best possible informatio...
-
APPLICATION
77GHZ RADARAPPLICATION77GHz radar is quickly growing in popularity for automotive advanced driver assistance system (ADAS) applications. Perception-sensing systems are a growing market within ADAS technologies, and will continue to expand as new cars integrate radar with cameras and even LIDAR systems. Automotive imaging radar is used as an additional way to sense objects or potential hazards around the vehicle. 77GHz ...
-
PRODUCT
MPQ4232A-AEC1PRODUCT36V, 6A Buck-Boost Converter with Four Integrated MOSFETs and I2C Interface, AEC-Q100 Qualified
-
PRODUCT
MPQ8872-AEC1PRODUCT36V, 2A, Four-Switch, Synchronous Buck-Boost Converter with I2C Interface, AEC-Q100 Qualified
-
PRODUCT
MPQ4208-AEC1PRODUCT80V, Synchronous Buck-Boost Controller with I2C And Adjustable OCP and PG Indication, AEC-Q100 Qualified
-
PRODUCT
MPQ8835A-AEC1PRODUCT36V, 6A, Four-Switch, Synchronous Buck-Boost Converter with I2C Interface, AEC-Q100 Qualified
-
PRODUCT
MPQ8874-AEC1PRODUCT36V, 4A, Four-Switch, Synchronous Buck-Boost Converter with I2C Interface, AEC-Q100 Qualified
-
PRODUCT
MPQ4232-AEC1PRODUCT6A Buck-Boost Converter with Four Integrated MOSFETs and I2C Interface, AEC-Q100 Qualified
-
PRODUCT
MPQ4483-AEC1PRODUCT3A, 36V Step-Down Converter with DCP Mode, CDP Mode, and Ground-to-Battery Short Protection for Automotive, AEC-Q100 Qualified
-
PRODUCT
MPQ4263-AEC1PRODUCT36V, 140W Buck-Boost with Integrated LS-FETs, Supports High-Side Current Sense and I2C Interface for Automotive, AEC-Q100 Qualified
-
PRODUCT
MPQ4262-AEC1PRODUCT36V, 100W, Buck-Boost Converter with Integrated Low-Side MOSFETS and an I2C Interface for Automotive, AEC-Q100 Qualified
-
PRODUCT
MPQ4214-AEC1PRODUCT40V, Synchronous Buck-Boost Controller with Digital Interface and Adjustable OCP via IPWM, AEC-Q100 Qualified
-
PRODUCT
MPQ8873-AEC1PRODUCT36V, 3A Continuous Output Current, Full Temperature, Four-Switch, Synchronous Buck-Boost Converter, AEC-Q100 Qualified
-
PRODUCT
MPQ8875A-AEC1PRODUCT36V, 5A, Four-Switch, Synchronous Buck-Boost Converter with I2C Interface AEC-Q100 Qualified
-
PRODUCT
MPQ4210PRODUCT40V, 100W Synchronous Buck-Boost Controller with I2C and Current Monitor, AEC-Q100 Qualified
Log in to your account
Create New Account