- MPC42013
MPC42013
Session textval
Session Titefor popup
Description
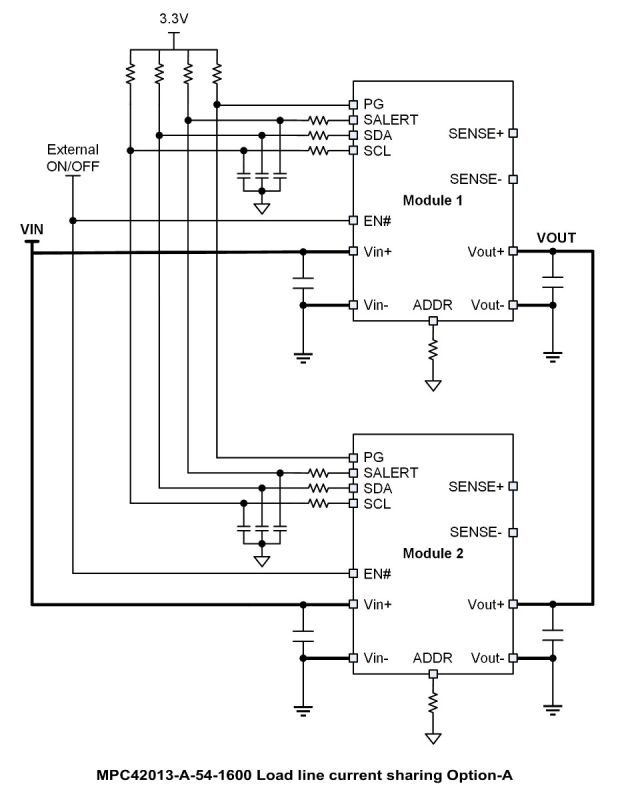
The MPC42013-X-54-1600 is a high-efficiency, non-isolated power module with quarter-brick form factor. It operates from a 40V to 60V DC primary bus voltage to a regulated 12V output voltage (VOUT), and can deliver up to 1600W of continuous power at a typical 54V input voltage (VIN).
The built-in multiple-time programmable (MTP) memory can store and restore device configurations. The fault status, VIN, VOUT, current, and temperature can be easily monitored via the PMBus/I2C interface.
The MPC42013-X-54-1600 is available in a through-hole (58.4mmx36.8mmx13.2mm) package.
-
Show more
Show less
Features & Benefits
- Supports Up to 1600W of Continuous Power
- Quarter-Brick: 58.4mmx36.8mmx13.2mm
- Built-In Multiple-Time Programmable (MTP) Memory to Store Custom Configurations
- Input Voltage (VIN), Output Voltage (VOUT), Output Current (IOUT), and Temperature Monitoring via the PMBus/I2C interface
- VIN Over-Voltage Protection (OVP) and Under-Voltage Protection (UVP), Output OVP/UVP, Over-Current Protection (OCP), and Over-Temperature Protection (OTP)
- Option for Parallel Load-Line Current Sharing or Differential Remote Sense
- PMBus Communication
- Supports Wave and Reflow Soldering
- Available in a Through-Hole (58.4mmx36.8mmx13.2mm) Package
Active Part Numbers:
MPC42013-A-54-1600-0400-T MPC42013-B-54-1600-0420-T
MPC42013 Resources
-
APPLICATION
POWER SOLUTION FOR 5GAPPLICATION -
APPLICATION
POWER SOLUTION FOR SWITCHESAPPLICATION -
PRODUCT CATEGORY
48V MODULESPRODUCT CATEGORY -
PRODUCT CATEGORY
48V MODULESPRODUCT CATEGORY -
PRODUCT
MPC10206-54-1000-0540PRODUCTDigital, Intermediate Bus Converter, DC/DC Power Module
-
ARTICLE
INTRODUCING MPS'S OPEN ACCELERATOR MODULE (OAM) POWER SYSTEM FOR AI AND HPC APPLICATIONSARTICLEAs the world transitions to a more sustainable future, there is a growing demand for energy-efficient solutions that reduce carbon emissions, and emerging fields such as artificial intelligence (AI) prove to be no exception. In response to the trend for energy-efficient solutions, MPS is committed to providing power solutions with higher efficiency toward the effort of reducing carbon emissions. T...
-
PRODUCT
MPC1100C-54-0002PRODUCTHigh-Efficiency, Non-Isolated, Fixed Ratio, 300W, Digital DC/DC Power Module
-
PRODUCT
MPC11057-54-0750-0100PRODUCTDigital 10:1 750W DC/DC Power Module
-
PRODUCT
MPC12106-54-0750-0220PRODUCTHigh-Efficiency, Fixed 4:1 Ratio, 800W Digital DC/DC Power Module
-
PRODUCT
MPC22157-A-130PRODUCT130A, Dual-Phase, High-Efficiency Intelli-ModuleTM
-
PRODUCT
MPC22175-130PRODUCT130A, Dual-Phase TLVR Intelli-ModuleTM with Quiet SwitcherTM Technology
-
PRODUCT
MP87120PRODUCT20A, Intelli-PhaseTM DrMOS Solution in TLGA-27 (4mmx5mm) Package with Quiet SwitcherTM Technology
-
PRODUCT
MP2421PRODUCT24V, 20A, Synchronous Step-Down Converter
-
PRODUCT
MP29540PRODUCTDigital, Multi-Phase Controller
-
PRODUCT
MP29816-CPRODUCTDual-Loop, Digital, 16-Phase Controller with PMBus and AVSBus Interface
-
PRODUCT
MP5088PRODUCT5.5V, 15A, Low 2mΩ RDS(ON) E-Fuse with Inrush Current Control and Current Monitoring
-
PRODUCT
MP87000-MPRODUCT90A, Intelli-PhaseTM DrMOS Solution in TLGA-41 (5mmx6mm) Package with Quiet SwitcherTM Technology
-
PRODUCT
MP2869APRODUCTDual-Loop, Digital, 16-Phase Controller with SVI3 Interface for AMD
-
PRODUCT
MPC22166-D-130PRODUCT5mm, 130A, Dual-Phase Intelli-ModuleTM with Quiet SwitcherTM Technology
-
ARTICLE
MEETING THE IMPEDANCE MASK: STRATEGIES FOR PDN DESIGN AND OPTIMIZATIONARTICLEIn telecommunication applications, target impedance serves as a crucial benchmark for PDN design. It ensures that the die operates within an acceptable level of rail voltage noise, even under the worst-case transient current scenarios, by defining the maximum allowable PDN impedance for the power rail on the die. This article will focus on the optimization techniques to meet the target impedance ...
-
PRODUCT
MPQ8785PRODUCT16V, 40A, Scalable, Digital, Synchronous Step-Down Converter with PMBus
-
PRODUCT
MP5046PRODUCT60V, 5A E-Fuse with Configurable Current Limit and Reverse Current Protection
-
PRODUCT
MP5024PRODUCT16V, 20A, 2.8mΩ RDS(ON), Hot-Swap Intelli-Fuse Solution with PMBus Lite
-
PRODUCT
MPQ8626PRODUCT16V, 6A, High Efficiency, Synchronous, Step-Down Converter with Adjustable Current Limit
-
PRODUCT
MPQ8633APRODUCT16V, 12A, Synchronous Step-Down Converter with Adjustable Current Limit, Configurable Frequency, and Voltage Tracking
Log in to your account
Create New Account