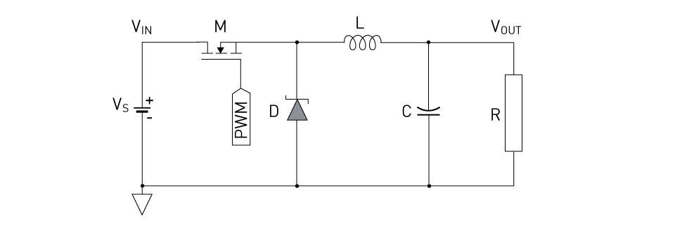
A buck converter, a fundamental component within the broader realm of power electronics, is a type of DC-DC converter that plays a pivotal role in transforming a higher DC voltage into a lower one. As one of the foundational building blocks in power supply design, the buck converter stands in contrast to its counterparts, such as boost converters and buck-boost converters, through its specific mode of operation.
At its core, the buck converter operates on the principle of pulse-width modulation (PWM). Through the controlled switching of semiconductor devices, typically MOSFETs, the input voltage is intermittently applied to an energy storage inductor. This cyclical process results in the desired output voltage, achieving voltage reduction with remarkable efficiency.
Figure 1: A Buck Converter Topology
アカウントにログイン
新しいアカウントを作成