- MP29540
MP29540
Session textval
Session Titefor popup
Description
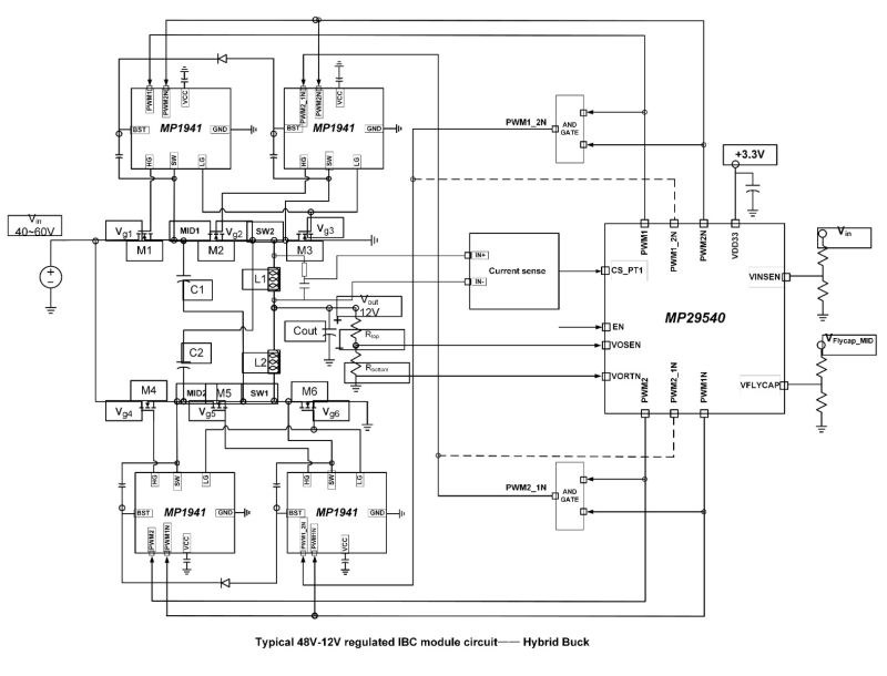
The MP29540 is a digital controller that supports high-current, multi-phase voltage regulators (VRs). The MP29540 works together with external power stages to make a hybrid buck or standard multi-phase VR solutions. The MP29540 can sense the current via the inductor's DC resistance (DCR).
The MP29540 can be configured with up to 8-phase operation to support 4 blocks of hybrid buck topology with an external AND gate, or up to 6-phase operation to support 3 blocks of hybrid buck topology with an internal AND gate (PWMx_xN pins).
The MP29540 provides on-chip non-volatile memory (NVM) to store and restore device configurations. Device configurations and fault parameters can be easily configured or monitored via the PMBus/I2C interface.
The MP29540 is based on a unique, digital, multi-phase, nonlinear control to provide a fast transient response to the load transient with minimal output capacitors. With only one power loop control method for both steady state and load transient response, the power loop compensation is very easy to configure.
The MP29540 is available in a TLGA-40 (5mmx5mm) package.
-
Show more
Show less
Features & Benefits
- Up to 8-Phase, Digital Controller
- PMBus/I2C Compliant (800kHz Bus Speed)
- Pin Configurable for PMBus Address
- Built-In Non-Volatile Memory (NVM) to Store Configurations
- 120kHz to 1.5MHz Switching Frequency (fSW)
- Up to 3 Parts Work with Internal AND Gate
- Up to 4 Parts Work with External AND Gate
- Automatic Slope Compensation
- Selectable Open-Loop or Closed-Loop Control
- VFLYCAP Under-Voltage (UV) Monitor
- Supports Multi-Configuration for 6 Different Applications
- Active Current Sharing Between Modules
- Flexible Output Current (IOUT) Sense via Inductor's DC Resistance (DCR)
- Phase-to-Phase Active Current Balancing with Configurable Offsets for Thermal Balance
- Input Voltage (VIN), Output Voltage (VOUT), Current, and Power Monitoring
- VIN Under-Voltage Lockout (UVLO), VOUT Over-Voltage Protection (OVP)/Under-Voltage Protection (UVP), Fast Over-Current Protection (OCP), Slow OCP, and Over-Temperature Protection (OTP)
- Auto-Record Voltage Regulator (VR) Fault Types to the NVM
- Digital Load-Line Regulation
- Overclocking Mode by Adding Offset to VOUT
- Password Lock to Access Registers
- Available in a TLGA-40 (5mmx5mm) Package
Active Part Numbers:
MP29540GLUT-xxxx-Z MP29540GLUT-xxxx-P MP29540GLUT-0000-Z MP29540GLUT-0000-P
Part numbers ending in P and Z are the same parts. P and Z only indicates reel size.
Meaning of P & Z 
MP29540 Resources
-
APPLICATION
POWER SOLUTION FOR 5GAPPLICATION -
APPLICATION
POWER SOLUTION FOR NICAPPLICATION -
APPLICATION
POWER SOLUTION FOR SWITCHESAPPLICATION -
PRODUCT CATEGORY
PROCESSOR CORE POWER CONTROLLERSPRODUCT CATEGORY -
APPLICATION
SERVERS (DDR5 POWER)APPLICATIONDDR5 SDRAM (synchronous dynamic random-access memory) is the latest generation of DDR memory. It is the successor to DDR4 and offers significant improvements in speed, capacity, and power efficiency. DDR5 memory modules are designed for use in personal computers, workstations, and servers. Key benefits of DDR5 memory modules include: Higher speeds: DDR5 memory modules can operate at speeds ...
-
APPLICATION
SERVERS (CORE POWER) DATA CENTER SOLUTIONAPPLICATIONCloud computing, AI and machine learning, and other game-changing innovations are spreading across the technology industry and becoming ubiquitous in consumers everyday lives. However, supporting the increased processing and data needs of these technologies requires servers and data centers to be able to deliver at greater rates than ever before. High power density than ever has to fit into shrink...
-
PRODUCT CATEGORY
PROCESSOR CORE POWER CONTROLLERSPRODUCT CATEGORY -
PRODUCT
MP2985BPRODUCTDual-Loop, Digital, 8-Phase Controller with Flexible PWM Firing Order and PMBus Interface for VR14 and Earlier Protocols
-
PRODUCT
MP29612-APRODUCTDual-Loop, Digital, 12-Phase Controller with SVI3 Interface
-
PRODUCT
MP29608-APRODUCTDual-Loop, Digital, 8-Phase Controller with SVI3 Interface
-
PRODUCT
MPQ2931-AEC1PRODUCTDigital LLC Controller with PMBus/I2C Interface, AEC-Q100 Qualified
-
PRODUCT
MP29816-CPRODUCTDual-Loop, Digital, 16-Phase Controller with PMBus and AVSBus Interface
-
PRODUCT
MP2869APRODUCTDual-Loop, Digital, 16-Phase Controller with SVI3 Interface for AMD
-
PRODUCT
MP2927PRODUCTTriple-Loop, Digital, Multi-Phase Controller with PMBus Interface for AVSBus
-
PRODUCT
MP2880PRODUCTSingle-Loop,20-Phase,DigitalMulti-PhaseControllerwithPMBusInterfaceforAVSBus
-
PRODUCT
MP2882PRODUCTDual-Loop, Digital, 16-Phase Controller with PMBus Interface for SVI2/AVSBus
-
PRODUCT
MP2891PRODUCTDual-Loop, Digital, 16-Phase Controller with PWM-VID Interface
-
PRODUCT
MP2926PRODUCTTriple-Loop, Digital, Multi-Phase Controller with PMBus Interface
-
PRODUCT
MP2855PRODUCTDual-Loop, Digital, Multi-Phase Controller with PMBus Interface for AMD SVI2
-
ARTICLE
POWERING DATACENTERS WITH DIGITAL MULTI-PHASE CONTROLLERSARTICLEThe explosive growth of cloud services has driven major advances in datacenters, as well as networking and telecom equipment. Innovative demands impact the servers, storage, and networking switches that process these ever-increasing amounts of data. Infrastructure equipment is being pushed to its limits in terms of processing power and bandwidth. For power designers, the main challenge is how to e...
-
PRODUCT
MP2886APRODUCTDigital, Multi-Phase PWM Controller with PMBus and PWM-VID
-
PRODUCT
MP2884APRODUCTDigital, Multi-Phase PWM Controller with PMBus and PWM-VID
-
PRODUCT
MP2853PRODUCTDual-Loop, Digital, Multi-Phase Controller with PMBusTM Interface for AMD SVI2
-
PRODUCT
MP2965PRODUCTDual-Loop, Digital, Multi-Phase Controller with PMBus Interface for VR13.HC/AVSBUS
-
PRODUCT
MP2888APRODUCTDigital, Multi-Phase PWM Controller with PMBus and PWM-VID
Log in to your account
Create New Account