- MPC24180-260
MPC24180-260
Session textval
Session Titefor popup
Description
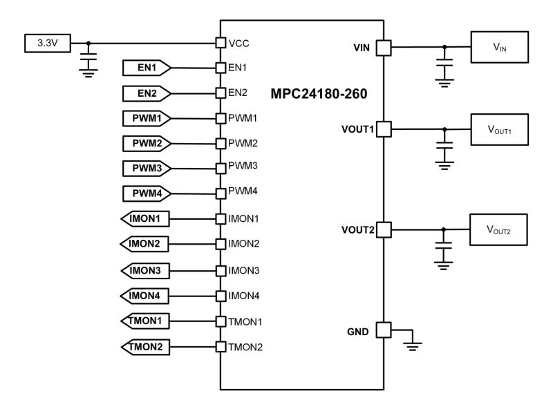
The MPC24180-260 is a four-phase, non-isolated, high-efficiency step-down Intelli-ModuleTM. It integrates the driver MOSFETs (DrMOS), inductors, and output capacitors to provide high efficiency and a small footprint, which is ideal for server applications.
The device can achieve up to 260A (65A/phase) of output current (IOUTx) across a wide input voltage (VIN) range.
The MPC24180-260 offers many features to simplify system design. It works with tri-state pulse-width modulation (PWM) signal controllers, has Accu-SenseTM current-sensing to monitor the inductor current (IL), and has temperature-sensing to report the junction temperature (TJ).
The MPC24180-260 is available in an LGA-54 (9mmx10mmx4.8mm) package.
-
Show more
Show less
Features & Benefits
- Quiet SwitcherTM Technology (QSTTM) Limits Peak Switching Voltages
- Wide 4V to 16V Input Voltage (VIN) Range
- Up to 260A of Continuous Output Current (IOUTx)
- Accu-SenseTM Current Sense (CS)
- Temperature Sense
- Compatible with Tri-State Pulse-Width Modulation (PWM) Signals
- Over-Current Protection (OCP)
- Over-Temperature Protection (OTP)
- Fault Reporting
- Typical Weight: 1.75g
- Available in an LGA-54 (9mmx10mmx4.8mm) Package
Active Part Numbers:
MPC24180-260-T
MPC24180-260 Resources
-
APPLICATION
POWER SOLUTION FOR SWITCHESAPPLICATION -
PRODUCT CATEGORY
PROCESSOR CORE POWER INTELLI-MODULE (DRMOS + INDUCTOR)PRODUCT CATEGORY -
PRODUCT CATEGORY
INTELLI-MODULEPRODUCT CATEGORY -
APPLICATION
SERVERS (CORE POWER) DATA CENTER SOLUTIONAPPLICATIONCloud computing, AI and machine learning, and other game-changing innovations are spreading across the technology industry and becoming ubiquitous in consumers everyday lives. However, supporting the increased processing and data needs of these technologies requires servers and data centers to be able to deliver at greater rates than ever before. High power density than ever has to fit into shrink...
-
PRODUCT
MPC22157-A-130PRODUCT130A, Dual-Phase, High-Efficiency Intelli-ModuleTM
-
PRODUCT
MPC22175-130PRODUCT130A, Dual-Phase TLVR Intelli-ModuleTM with Quiet SwitcherTM Technology
-
PRODUCT
MPC22166-D-130PRODUCT5mm, 130A, Dual-Phase Intelli-ModuleTM with Quiet SwitcherTM Technology
-
PRODUCT
MPC22158-130PRODUCT130A, 8mmx8mmx4mm, Dual-Phase Intelli-ModuleTM with Quiet SwitcherTM Technology
-
PRODUCT
MPC24380-260PRODUCT260A, Four-Phase Intelli-ModuleTM with Quiet SwitcherTM Technology
-
PRODUCT
MPC22164-A-130PRODUCT9mmx9.9mmx10mm, 130A, 2-Phase, High Power Density Module
-
PRODUCT
MPC22165-A-170PRODUCT9mmx9.9mmx10mm, 170A, 2-Phase, High Power Density Intelli-ModuleTM with Qualified Higher Current Density
-
PRODUCT
MPC22157-130PRODUCT130A, 8mm, Dual-Phase Intelli-ModuleTM with Double-Side Cooling Capability
-
PRODUCT
MPC22166-B-130PRODUCT130A, Dual-Phase Intelli-ModuleTM with Double-Side Cooling Capability
-
PRODUCT
MPC22166-A-130PRODUCT130A, Two-Phase Intelli-ModuleTM with Quiet SwitcherTM Technology
-
ARTICLE
INTRODUCING MPS'S OPEN ACCELERATOR MODULE (OAM) POWER SYSTEM FOR AI AND HPC APPLICATIONSARTICLEAs the world transitions to a more sustainable future, there is a growing demand for energy-efficient solutions that reduce carbon emissions, and emerging fields such as artificial intelligence (AI) prove to be no exception. In response to the trend for energy-efficient solutions, MPS is committed to providing power solutions with higher efficiency toward the effort of reducing carbon emissions. T...
-
PRODUCT
MPC22168-170PRODUCT16V, 170A, Dual-Phase Intelli-ModuleTM with Quiet SwitcherTM Technology
-
USE CASE
INTELLI-MODULE USE CASE: AI PROCESSORS IN OAM FORM FACTORSUSE CASEThis use case considers the application of the MPC22167-130 for AI processors in open accelerator module (OAM) form factors (see Figure 1). Multiple MPC22167-130 devices can be paired with first-stage power modules to support end-to-end power solutions that meet the high-power requirements of AI processors in open accelerator module form factors. Interest in AI computing is growing astrono...
-
PRODUCT
MPC22165-170PRODUCT170A, 2-Phase Intelli-PhaseTM Power Module with Quiet SwitcherTM Technology
-
PRODUCT
MPC22167-130PRODUCT16V, 130A, Dual-Phase Intelli-ModuleTM with Quiet SwitcherTM Technology
-
PRODUCT
MPC22164-130PRODUCT130A, 2-Phase Intelli-PhaseTM Power Module with Quiet SwitcherTM Technology
-
PRODUCT
MPC22163-130PRODUCT130A, Dual-Phase Intelli-ModuleTM with Quiet SwitcherTM Technology
-
PRODUCT
MPC22161-120PRODUCT120A, Dual-Phase Intelli-ModuleTM with Quiet SwitcherTM Technology
-
PRODUCT
MP87297PRODUCT100A, Intelli-PhaseTM DrMOS Solution with Quiet SwitcherTM Technology in a TLGA-34 (4mmx6mm) Package
-
PRODUCT
MP2985BPRODUCTDual-Loop, Digital, 8-Phase Controller with Flexible PWM Firing Order and PMBus Interface for VR14 and Earlier Protocols
-
PRODUCT
MP29612-APRODUCTDual-Loop, Digital, 12-Phase Controller with SVI3 Interface
Log in to your account
Create New Account