- MP5046
MP5046
Session textval
Session Titefor popup
Description
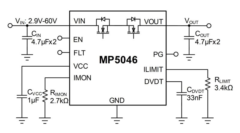
The MP5046 is a high-voltage e-fuse designed to protect both upstream and downstream circuits from undesired transients on the output or input. It supports a wide 2.9V to 60V operating input voltage (VIN) range, and up to 5A of continuous load current. The device integrates back-to-back MOSFETs for reverse current protection (RCP).
The MP5046 incorporates robust and flexible protection features, including the output slew rate and current limit. It also provides hiccup mode for over-current protection (OCP), auto-retry protection mode for input over-voltage protection (OVP), and auto-retry protection mode for over-temperature protection (OTP). These features help simplify the system design process.
It also provides fault indication, power good (PG) indication, and a precise current monitor output for status monitoring.
The MP5046 is available in a TLGA-30 (4mmx5mm) package.
-
Show more
Show less
Features & Benefits
- Wide 2.9V to 60V Operating Input Voltage (VIN) Range
- 400µA Quiescent Current (IQ), Max 8µA Shutdown Current (ISD)
- Up to 5A of Continuous Current with 10A Peak Current
- 30mΩ Low On Resistance (RDS(ON))
- Integrated Back-to-Back MOSFETs with Reverse Current Protection (RCP)
- Configurable Current Limit with ±5% Accuracy
- Adjustable Output Slew Rate
- Current Monitor (IMON) Output (±5% Accuracy at >1A)
- Fault Indicator for Over-Current Protection (OCP), Short-Circuit Protection (SCP), Over-Voltage Protection (OVP), RCP, and Over-Temperature Protection (OTP)
- Power Good (PG) Indicator for Output Under-Voltage (UV) Conditions
- Integrated Output Passive Discharge Function
- Fast Response for Hard Short Protection
- OCP Hiccup Mode
- 12ms OCP Blank Timer
- VIN OVP Auto-Retry Protection Mode
- OTP Auto-Retry Protection Mode
- Available in a TLGA-30 (4mmx5mm) Package
Active Part Numbers:
MP5046GLVT-Z MP5046GLVT-P
Part numbers ending in P and Z are the same parts. P and Z only indicates reel size.
Meaning of P & Z 
MP5046 Resources
-
APPLICATION
POWER SOLUTION FOR 5GAPPLICATION -
APPLICATION
POWER SOLUTION FOR SWITCHESAPPLICATION -
APPLICATION
AIR PURIFIERS & HUMIDIFIERSAPPLICATIONAir purifiers and humidifiers must be able to reliably improve air quality for end users. The best designs also offer improved energy efficiency, convenience, and low noise. As more and more appliances are expected to be smart-home ready, consumers are demanding new features such as wireless connectivity for ease of control. To meet and exceed customer expectations, designers are challenged with f...
-
APPLICATION
NETWORK-ATTACHED STORAGE (NAS)APPLICATIONNetwork-attached storage (NAS) is a data storage option that is quickly growing in popularity. A NAS system is a centralized storage server that is connected to a network and able to be accessed by any authorized user within the network. These systems provide convenience and flexibility by being able to be physically stored and maintained on-site, as well as the ability to have their storage scale...
-
APPLICATION
FITNESS MACHINESAPPLICATIONFitness machines can be a key component of medical treatment and physical wellness. State-of-the-art medical systems often include next-generation user interfaces, real-time sensing and biometrics, and multi-standard connectivity. With growing concerns about the price of healthcare, reliability and cost are also crucial factors for customers. And of course, to help enhance the abilities of healthc...
-
APPLICATION
OVENSAPPLICATIONOvens are a key household appliance, and one which consumers expect to be reliable, effective, convenient, and energy efficient. The rise of smart homes has added a new layer of design requirements to new generations of ovens, including durable and intuitive user interfaces, wireless connectivity, smart sensing, and predictive maintenance. IoT capabilities can help keep up with growing consumer ex...
-
APPLICATION
SMART SPEAKERSAPPLICATIONSmart speakers are a growing market as end consumers expect more connectivity than ever in their day-to-day environments, and increasingly feature-rich devices available. Of course, any new speaker is expected to maintain exceptional audio quality, low standby power for extended playtime, and offer complete ease-of-use to the consumer. Smart speakers also integrate new features like voice command,...
-
APPLICATION
VIDEO DOORBELLSAPPLICATIONVideo doorbells have become a popular element within many smart home systems, and provide convenience and a sense of security to consumers. As both home systems and video doorbell designs get smarter and more advanced, new features are being incorporated. Innovative video doorbells now include high-quality audio and video streaming, wireless connectivity, multiple-device interface capability, adva...
-
APPLICATION
VIDEO RECORDERSAPPLICATION -
APPLICATION
IP NETWORK CAMERASAPPLICATIONIP network cameras are quickly gaining traction over traditional analog security camera networks. Most IP network cameras serve the same function as analog security cameras but do not require local storage capacity and are connected to a users LAN network. Because of this, they are a popular part of smart home systems and security. Ever-growing user expectations and increasing concern about both d...
-
APPLICATION
HDDSAPPLICATION -
APPLICATION
OPTICAL MODULESAPPLICATIONOptical modules are optical transceivers used for high-speed data transmission, and are used anywhere larger amounts of data needs to be sent and received. From data centers to telecom, short or long range, optical modules are ideal for large, efficient data transfers. Optical modules can range in size and bandwidth, with the newest generation supporting up to 400GB/s. Due to the large amounts of ...
-
PRODUCT CATEGORY
USB SWITCHESPRODUCT CATEGORY -
PRODUCT
MP5061PRODUCT4.5V to 28V Current-Limit Switch with Low RDS(ON), Current Monitoring, and Soft Start
-
PRODUCT
MP5029-CPRODUCTUSB Charging Port Controller with Current-Limit Switch, Supporting CDP, DCP, and QC3.0 Modes
-
PRODUCT
MP5042PRODUCT2A, 28V E-Fuse with Adjustable Current Limit
-
PRODUCT
MP5035PRODUCT2.9V to 22V, 50mA to 2A, Configurable Current-Limit Switch in a TSOT23-6 Package
-
PRODUCT
MP62055PRODUCT3.3V/5V, Single-Channel 500mA Current-Limited Power Distribution Switch
-
PRODUCT
MP62341PRODUCT3.3V/5V, Dual-Channel 1A Current-Limited Power Distribution Switches
-
PRODUCT
MP5036PRODUCT12V, 0.4A to 5A, Current Limit Switch with 15V Over-Voltage Clamp in TSOT23 Package
-
PRODUCT
MP5036APRODUCT5V, 0.4A to 5A Current Limit Switch with 5.75V Over-Voltage Clamp
-
PRODUCT
MP5030DPRODUCTUSB Charging Port Controller with Load Detection Supporting CDP, DCP Modes
-
PRODUCT
MP5030PRODUCTUSB Charging Port Controller with Current Limit Switch, Supporting Type-C 5V and QC 3.0 Modes
-
PRODUCT
MP5030CPRODUCTUSB Charging Port Controller with Current Limit Switch, Supporting CDP, DCP, and Quick Charge 3.0 Modes
-
PRODUCT
MP5034PRODUCTUSB Charging Port Controller Integrating Quick Charge 3.0 Protocol
Log in to your account
Create New Account