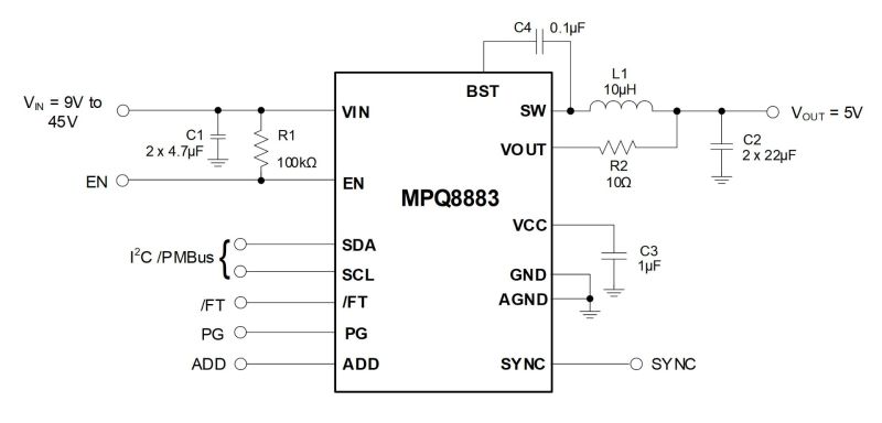
The MPQ8883 is a high-frequency, synchronous, rectified step-down converter with an I2C control interface and multi-page one-time programmable (OTP) memory. The device can achieve up to 3A of continuous output current (IOUT) with excellent load and line regulation across a wide input voltage (VIN) supply range.
The MPQ8883 is designed to be very versatile. The output voltage (VOUT) can be adjusted from 0.8V to 12V via the I2C serial interface. The switching slew rate, switching frequency (fSW), enable control, and power-saving modes can also be configured via the I2C. This allows users to optimize each output for their particular requirements.
During bench evaluations, different configurations can be evaluated via the I2C interface instead of reworking external components. The OTP can permanently store the optimal settings.
The MPQ8883 integrates internal high-side and low-side power MOSFETs (HS-FETs and LS-FETs, respectively) for high efficiency without an external Schottky diode
Current mode provides fast transient response and eases loop stabilization. Full protection features include under-voltage lockout (UVLO), over-voltage protection (OVP), over-current protection (OCP), and over-temperature protection.
With internal compensation and a feedback divider, the MPQ8883 can offer a very compact solution with a minimal number of readily available, standard external components. It is available in a QFN-16 (3mmx3mm) package.
もっと見る少なく表示
アカウントにログイン
Your email must be verified before you can log in. A message with a link to complete the verification process has been sent to your email address.
アカウントにログイン
新しいアカウントを作成