- MPQ76230FS-AEC1
MPQ76230FS-AEC1
MPSafeTM ASIL-C, 36V, 10A, IR LED Driver with Eye Safety Features, AEC-Q100 Qualified
Session textval
Session Titefor popup
Description
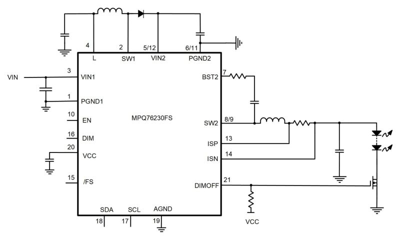
The MPQ76230FS-AEC1 is an infrared (IR) LED/VCSEL driver with integrated eye safety features for automotive driver monitoring systems (DMS) and occupant monitoring systems (OMS). The device combines a boost stage and a buck stage to deliver up to 10A of peak output current (IOUT) to drive IR LED/VCSEL strings. An input load switch allows for the input current (IIN) to be limited to 1.5A, making the driver ideal for power over coaxial (PoC) DMS applications.
The MPQ76230FS-AEC1 can support a pulse-width modulation (PWM) dimming frequency as low as 10Hz, and is compatible with 30fps, 60fps, and 120fps dimming. The MPQ76230FS-AEC1 uses fixed-frequency band-band control with 420kHz or 2.2MHz configurable switching frequency (fSW) options on the buck stage. The pre-boost stage also uses a configurable 420kHz or 2.1MHz fixed frequency to regulate the buck input voltage (VIN).
An analog-to-digital converter (ADC) is integrated to monitor VIN, boost output voltage, LED current (ILED), output voltage (VOUT), and junction temperature (TJ). Configurable protection features via the I2C digital interface include dimming on-time limit, FPS dimming limit, LED short-to-GND and short-to-battery protection, LED open protection, over-current protection (OCP), over-voltage protection (OVP), and thermal warning/shutdown (TSD). Fault and diagnostic data can be read, and an open-drain failsafe (/FS) pin asserts low during such conditions.
The MPQ76230FS-AEC1 is ASIL-C hardware-capable rated. Safety mechanisms such as built-in self-testing (BIST) provide high diagnostic coverage, which helps the system achieve its target ASIL rating. The part has been developed under MPS’s advanced MPSafeTM Functional Safety Product Development process, which has been independently certified to ISO 26262 guidelines.
The MPQ76230FS-AEC1 requires a minimal number of standard external components and is available in a space-saving QFN-21 (4mmx4mm) wettable flank package. It is available in AEC-Q100 Grade 1.
-
Show more
Show less
Features & Benefits
- Built for Automotive IR LED Applications:
- Wide 4.5V to 36V Input Voltage (VIN) Range
- Pre-Boost Stage for Power over Coaxial (POC) Applications
- 10A Peak Current
- 10Hz to 2kHz Pulse-Width Modulation (PWM) Dimming Frequency
- 30fps, 60fps, and 120fps Dimming Compatible
- Analog Dimming from 30% to 100%
- Optimized for EMC/EMI:
- Configurable Switching Frequency (fSW) (Default 2.2MHz)
- Frequency Spread Spectrum (FSS)
- Comprehensive Protection Features:
- Buck Over-Current Protection (OCP)
- LED Short-to-GND and Short-to-Battery Protection
- LED Open Protection
- Boost Under-Voltage Protection (UVP) and Over-Voltage Protection (OVP)
- Thermal Warning and Shutdown
- Additional Features:
- Analog-to-Digital Converter (ADC) to Monitor VIN, the LED Voltage (VLED), LED Current (ILED), and Junction Temperature (TJ)
- Available in a QFN-21 (4mmx4mm) Package with Wettable Flanks
- Available in AEC-Q100 Grade 1
- Functional Safety:
- Built-In Self-Testing (BIST)
- Eye Safety Features
- VCSEL/IR LED Current Limit
- Dimming On-Time Limit
- Frame Rate Limit
- ASIL-C Hardware Capable with Functional Safety Manual
- ISO 26262 Functional Safety Certified
Active Part Numbers:
MPQ76230FSGRE-xxxx-AEC1-Z MPQ76230FSGRE-xxxx-AEC1-P MPQ76230FSGRE-0000-AEC1-Z MPQ76230FSGRE-0000-AEC1-P
Part numbers ending in P and Z are the same parts. P and Z only indicates reel size.
Meaning of P & Z 
MPQ76230FS-AEC1 Resources
-
APPLICATION
DRIVER MONITORING SYSTEMSAPPLICATIONDriver monitoring systems are one of the latest developments in automotive safety technology. As part of a holistic human-machine interface (HMI), driver monitoring systems track vital sign parameters and driver attentiveness, so that in the event that the driver is unable to operate the vehicle, assistance can be provided. Of course, advanced new features add design complexity and additional cons...
-
PRODUCT CATEGORY
LED DRIVERPRODUCT CATEGORY -
PRODUCT
MPQ7225B-AEC1PRODUCT16-Channel, Current Sink LED Driver with Adaptive Feedback Control (AFCTM) and UART Interface, AEC-Q100 Qualified
-
PRODUCT
MPQ76352FS-AEC1PRODUCTMPSafeTM, ASIL-B, 42V, High Current Output, Synchronous Buck Converter for Automotive Lighting, AEC-Q100 Qualified
-
PRODUCT
MPQ76350FS-AEC1PRODUCTMPSafeTM, ASIL-B, 42V, High Current Output, Synchronous Dual-Buck Converter for Automotive Lighting, AEC-Q100 Qualified
-
PRODUCT
MPQ7223-AEC1PRODUCT48-Channel, 80mA/Ch, Current Sink Driver with Serial Interface, AEC-Q100 Qualified
-
PRODUCT
MPQ76233FS-AEC1PRODUCTMPSafeTM, ASIL-B, 36V, 10A, IR LED Driver with Eye Safety Features, AEC-Q100 Qualified
-
PRODUCT
MPQ7210-AEC1PRODUCT60V, 2A, Synchronous, Dual-Buck LED Driver with SPI, AEC-Q100 Qualified
-
PRODUCT
MPQ7260-AEC1PRODUCT36V, 15A Peak ISW, Buck-Boost Converter with Integrated Low-Side MOSFETs Built for Exterior Lighting, AEC-Q100 Qualified
-
PRODUCT
MPQ7224-AEC1PRODUCT16-Channel Current Sink LED Driver with Pre-Programmed Animations, AEC-Q100 Qualified
-
PRODUCT
MPQ7222-AEC1PRODUCT24-Channel, 100mA/Ch Current Source Driver with CAN Interface, AEC-Q100 Qualified
-
PRODUCT
MPQ76400FS-AEC1PRODUCTMPSafeTM ASIL-B, 16-Channel LED Matrix Manager with UART Interface, AEC-Q100 Qualified
-
PRODUCT
MPQ7250-AEC1PRODUCT3-Channel, 200mA Linear LED Driver with Thermal Sharing, AEC-Q100 Qualified
-
PRODUCT
MPQ76300FS-AEC1PRODUCTMPSafeTM, 24-Channel, 100mA, Smart Linear LED Driver with Digital AFC, AEC-Q100 Qualified
-
ARTICLE
OPTIMIZING HOME REMOTE CONTROLS WITH MPS PRODUCTSARTICLEInfrared (IR) and remote frequency (RF) home remote controls are being used in systems such as sound systems, televisions, lighting, and other controls. These systems are becoming increasingly complex with features including voice control, connectivity, LED displays, and capacitive touch. Remote controls should be reliable, easy to use, and have a long battery lifespan. MPS provides cost-effectiv...
-
PRODUCT
MPQ7231PRODUCTMPSafeTM42V, 3A Buck or 2.4A Buck-Boost, Synchronous Infrared LED Driver, AEC-Q100 Qualified
-
PRODUCT
MPQ7228-AEC1PRODUCT16-Channel, Current Sink LED Driver with Adaptive Feedback Control (AFC) and UART Interface, AEC-Q100 Qualified
-
PRODUCT
MPQ7225A-AEC1PRODUCT16-Channel, Current Sink LED Driver with Adaptive Feedback Control (AFC) and Enhanced Safety, AEC-Q100 Qualified
-
PRODUCT
MPQ2484U-AEC1PRODUCT75V, Multi-Topology (Buck, Boost, Buck-Boost) LED Controller, AEC-Q100 Qualified
-
PRODUCT
MPQ4425C-AEC1PRODUCT36V, 1.5A, 2.2MHz, High-Efficiency, Synchronous Step-Down LED Driver, AEC-Q100 Qualified
-
PRODUCT
MPQ7221-AEC1PRODUCT16-Channel, 80mA/Ch, LED Driver with Separated PWM Analog Dimming and SerialInterface, AEC-Q100 Qualified
-
PRODUCT
MPQ7225-AEC1PRODUCT16-Channel Current Sink LED Driver with Adaptive Feedback Control (AFC), AEC-Q100 Qualified
-
PRODUCT
MPQ7230-AEC1PRODUCT42V, 1.2A, Synchronous Buck-Boost or 3A Buck, Automotive Infrared LED Driver, AEC-Q100 Qualified
-
PRODUCT
MPQ7235-AEC1PRODUCT36V, 3A, Synchronous Buck Automotive Infrared LED Driver, AEC-Q100 Qualified
-
PRODUCT
MPQ7200A-AEC1PRODUCT42V, 1.2A Buck-Boost or 3A Buck, 410kHz with FSS, Synchronous LED Driver, AEC-Q100 Qualified
Log in to your account
Create New Account