- MPQ3365-AEC1
MPQ3365-AEC1
4-Channel, Max. 150mA/Ch, Boost WLED Driver with 15000:1 Dimming Ratio and I2C, AEC-Q100 Qualified
Session textval
Session Titefor popup
Description
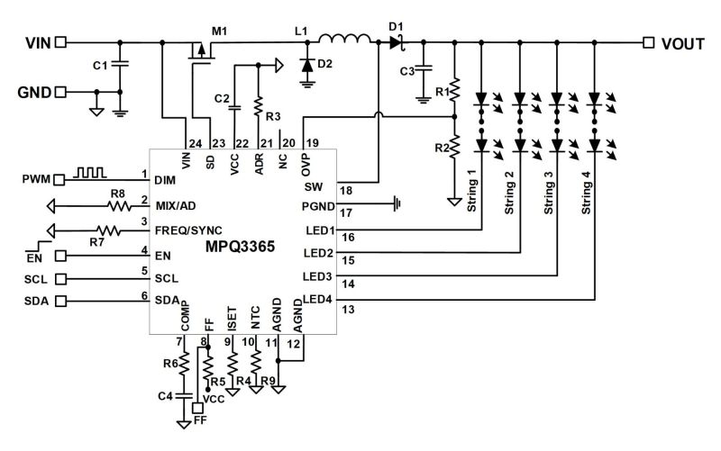
The MPQ3365-AEC1 is a step-up converter with four channel current sources, designed to drive the white LED arrays as backlighting in small to mid-size LCD panels.
The MPQ3365-AEC1 uses peak current mode as its pulse-width modulation (PWM) control architecture to regulate the boost converter. Four channel current sources are applied into the LED cathode to adjust the LED brightness. The MPQ3365-AEC1 regulates the current in each LED string to the value set via an external current-setting resistor, with 2.5% current regulation accuracy between strings.
The MPQ3365-AEC1 is designed for higher efficiency with a low on resistance (RDS(ON)) MOSFET and a low headroom voltage. It provides a standard I2C digital interface for ease of use. The switching frequency (fSW) can be configured via a resistor, I2C interface, or external clock.
The MPQ3365-AEC1 provides analog, PWM, and mixed dimming mode with a PWM input or internal register. Dimming mode can be selected via the I2C interface or the MIX/AD pin. The device also provides a phase shift function to eliminate noise during PWM dimming.
Robust protections are included to guarantee the device’s safe operation. Protection modes include over-current protection (OCP), over-voltage protection (OVP), over-temperature protection (OTP), LED short/open protection, and LEDx short-to-GND protection. The NTC function provides an option that decreases the LED current automatically at higher temperatures.
The MPQ3365-AEC1 is available in a QFN-24 (4mmx4mm) package and is AEC-Q100 qualified.
-
Show more
Show less
Features & Benefits
- 3.6V to 36V Input Voltage (VIN) Range
- 4 Channels with Max. 150mA per Channel
- Internal 110mΩ, 50V MOSFET
- Configurable Switching Frequency (fSW) Up to 2.2MHz
- External Sync SW Function
- Multi-Dimming Operation via the Pulse-Width Modulation (PWM) Input or Register, Including:
- PWM Dimming
- Analog Dimming
- Mixed Dimming with 50%, 25%, 12.5%, or 6.25% Transfer Point
- 15000:1 Dimming Ratio during Mixed Dimming at fPWM ≤ 200Hz
- 200:1 Dimming Ratio during Analog Dimming
- Excellent EMI Performance and Frequency Spread Spectrum (FSS)
- I2C Interface with 3 Selectable IC Addresses
- Phase Shift Function for PWM Dimming
- 2.5% Current Matching
- Cycle-by-Cycle Current Limit
- Disconnect VOUT from VIN
- Optional LED Current Automatically Decrements at High Temperature (NTC)
- LED Short/Open Protection, Over-Temperature Protection (OTP), Over-Current Protection (OCP), and Inductor/Diode Short Protection
- Configurable LED Short Threshold
- Configurable Over-Voltage Protection (OVP) Threshold
- Fault Indicator Signal Output
- Available in a QFN-24 (4mmx4mm) Package
- AEC-Q100 Qualified
Active Part Numbers:
MPQ3365GRE-xxxx-AEC1-Z MPQ3365GRE-xxxx-AEC1-P MPQ3365GRE-0000-AEC1-Z MPQ3365GRE-0000-AEC1-P
Part numbers ending in P and Z are the same parts. P and Z only indicates reel size.
Meaning of P & Z 
MPQ3365-AEC1 Resources
-
APPLICATION
HEADS-UP DISPLAY (HUD)APPLICATIONIn the fast-evolving landscape of automotive technology, MPS provides cutting-edge components for heads-up display (HUD) applications designed to enhance the driving experience. Innovative HUD systems seamlessly integrate vital information onto the vehicle's windshield, providing drivers with real-time data, navigation prompts, and safety alerts without diverting their attention from the road. ...
-
APPLICATION
DISPLAY (NAVIGATION, HEADS-UP, CLUSTER)APPLICATIONAutomotive displays — which include the center display, heads-up display (HUD), and gauge instrument cluster — show key information and interactive content to the driver. The center information display is connected to the head unit, and provides navigation and other in-cabin infotainment controls. The automotive HUD and gauge instrument cluster provide easy-to-access information for the driver. Th...
-
APPLICATION
INFOTAINMENT SYSTEMSAPPLICATIONAutomotive in-vehicle infotainment systems are becoming increasingly software-driven to enhance safety and security, as well as the overall driving experience. Modern cars integrate driving and environmental information, passenger entertainment, wireless connections, and navigation into a centralized infotainment system architecture. However, with the rise of sophisticated in-vehicle infotainment ...
-
PRODUCT CATEGORY
BACKLIGHT DRIVERS (WLED)PRODUCT CATEGORY -
PRODUCT CATEGORY
BACKLIGHT DRIVERS (WLED)PRODUCT CATEGORY -
PRODUCT
MP3317PRODUCT6-Channel, 160mA, 34V, Boost WLED Driver for VR with I2C Interface
-
PRODUCT
MPQ3322-AEC1PRODUCT24-Channel, Max 100mA/Channel, Current-Source LED Driver with Independent PWM and Analog Dimming, AEC-Q100 Qualified
-
PRODUCT
MP3359CPRODUCT1/2/3/4-Channel, Max 160mA/Ch, Boost WLED Controller with High Dimming Ratio
-
PRODUCT
MPQ3365A-AEC1PRODUCT5-Channel, Max 150mA/Ch, Boost WLED Driver with 15000:1 Dimming Ratio and I2C
-
PRODUCT
MPQ3366C-AEC1PRODUCT6-Channel, Max 200mA/Channel, Boost WLED Controller with 10000:1 Dimming Ratio and I2C, AEC-Q100 Qualified
-
PRODUCT
MPQ3359C-AEC1PRODUCT1/2/3/4-Channel, Max 160mA/Ch, Boost WLED Controller with High Dimming Ratio, AEC-Q100 Qualified
-
PRODUCT
MPQ3621-AEC1PRODUCT48-Channel, Max 50mA/Ch, Current Source LED Driver with Independent Analog and PWM Dimming, AEC-Q100 Qualified
-
PRODUCT
MPQ3321-AEC1PRODUCT48-Channel, Max 80mA/Ch, Current Source LED Driver with Independent Analog and PWM Dimming, AEC-Q100 Qualified
-
PRODUCT
MPQ3359A-AEC1PRODUCT1-/2-/3-/4-Channel, Max 150mA/Ch Boost WLED Driver with High Dimming Ratio, AEC-Q100 Qualified
-
PRODUCT
MP3317GC-0000-ZPRODUCT6-Channel, 160mA, 34V, Boost WLED Driver for VR with I2C Interface
-
PRODUCT
MP3312PRODUCT2.7VIN to 5.5VIN, 38VOUT, Dual-Channel, Boost WLED Driver, P2P with TPS61163
-
PRODUCT
MP3387LPRODUCT6 Strings 50Vout Boost WLED Driver with Smart Dimming for Tablet & Notebook PC
-
PRODUCT
MP3359PRODUCT4-Channel, Max 150mA/Channel, Boost WLED Driver with High Dimming Ratio
-
PRODUCT
MP3314APRODUCT6-Channel, 80mA, 50V, Boost WLED Driver with I2C Interface
-
PRODUCT
MPQ3359-AEC1PRODUCT4-Channel, Max 150mA/Channel, Boost WLED Driver with High Dimming Ratio, AEC-Q100 Qualified
-
PRODUCT
MPQ3323B-AEC1PRODUCT4-Channel, 320mA/Ch, LED Driver with Separated PWM/Analog Dimming and Digital Interface, AEC-Q100 Qualified
-
PRODUCT
MPQ3326B-AEC1PRODUCT16-Channel, 80mA/Ch, LED Driver with Separated PWM/Analog Dimming and Serial Interface (Default Enable), AEC-Q100 Qualified
-
PRODUCT
MPQ3326A-AEC1PRODUCT16-Channel, 80mA/Ch, LED Driver with Separated PWM/Analog Dimming and Serial Interface, AEC-Q100 Qualified
-
PRODUCT
MP3398HPRODUCT4-String, Max 400mA/String, 80V Return, Step-Up WLED Controller
-
PRODUCT
MP3385BPRODUCT4-String, 80V Output WLED Controller with I2C Interface
Log in to your account
Create New Account