- MP3317
MP3317
Session textval
Session Titefor popup
Description
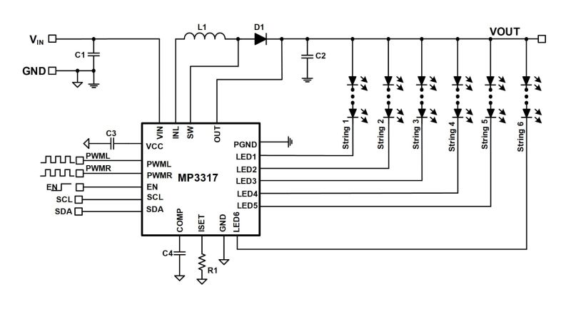
The MP3317 is a boost converter with 6-channel current sources designed to drive WLED arrays for LCD panels in virtual reality (VR) backlighting applications.
The MP3317 uses peak current mode and pulse-width modulation (PWM) control to maintain boost converter regulation. The integrated 6 channels of the LED current source support a maximum of 160mA per channel with 2.5% LED current (ILED) accuracy, and 1.5% matching accuracy. The device supports direct PWM dimming for the left and right LCD panels through two PWM dimming signal input pins (PWML and PWMR).
The MP3317 provides high efficiency due to its low headroom voltage for LED regulation and the switching MOSFET's low on resistance (RDS(ON)).
The MP3317 employs a standard I2C digital interface to enable channels and set the operation, switching frequency (fSW), LED current amplitude, cycle-by-cycle current limit, input current limit, and various protection thresholds.
For system reliability, the MP3317 integrates rich protections, including open LED protection, short LED protection, short LEDx-to-GND protection, cycle-by-cycle current limiting, input over-current protection (OCP-IN), over-current protection with latch-off mode (OCLATCH), ISET short protection, ISET open protection, over-voltage protection (OVP), and over-temperature protection (OTP).
The MP3317 is available in a WLCSP-20 (1.75mmx2.45mm) package.
-
Show more
Show less
Features & Benefits
- 2.5V to 33V Input Voltage (VIN) Range
- Up to 34V Output Voltage (VOUT)
- 6 Channels with Maximum 160mA/Channel
- Integrated 35V, 120mΩ Low-Side Power MOSFET (LS-FET)
- 400mV LED Regulation Voltage at 120mA
- 2.5% LED Current (ILED) Accuracy with 1.5% ILED Matching
- 312kHz/625kHz/1250kHz Configurable Switching Frequency (fSW)
- I2C Interface with Two IC Addresses
- Two External Pulse-Width Modulation (PWM) Dimming Pins: PWML and PWMR
- Direct PWM Dimming/Analog Dimming
- Independent Group ILEDL/ILEDR Amplitude
- 12-Bit Analog Dimming Resolution
- Input PWM On Time Limitation
- One-Time Programmable Memory for Customizable Default Register Values
- Open/Short LED Protection
- LEDx Short-to-GND Protection
- Over-Temperature Protection (OTP)
- Cycle-by-Cycle Over-Current Protection (OCP)
- Input Over-Current Protection (OCP-IN)
- OCP with Latch-Off Mode (OCLATCH)
- ISET Pin Open/Short Protection
- Available in a WLCSP-20 (1.75mmx2.45mm) Package
Active Part Numbers:
MP3317GC-xxxx-Z MP3317GC-xxxx-P MP3317GC-0000-Z MP3317GC-0000-P
Part numbers ending in P and Z are the same parts. P and Z only indicates reel size.
Meaning of P & Z 
MP3317 Resources
-
APPLICATION
VIRTUAL/AUGMENTED REALITY HEADSETS & GLASSESAPPLICATIONVirtual reality (VR) and augmented reality (AR) headsets and glasses are an increasingly popular wearable application that allows users to immerse themselves in a holistic audiovisual experience. The nature of these wearable devices means they must be lightweight, comfortable, and fairly durable as well as responsive to multi-sensory feedback and haptics. New designs are expected to offer longer b...
-
APPLICATION
TABLET PCSAPPLICATIONTablets, along with other mobile devices, are one of todays largest consumer technology markets. As this market continues to grow, it is changing and increasing in complexity faster than ever. Tablets are expected to have virtually the same processing power and capabilities as a laptop/notebook PC, in addition to nearly the same level of portable convenience as a smartphone. This crossover of cons...
-
APPLICATION
NOTEBOOKS (IMVP8)APPLICATIONNotebook computers and laptops are a crucial device for many consumers and businesses, and therefore need to be able to offer reliable performance and a streamlines user experience in a slim package. As new technologies and applications continue to enter the market, notebooks and laptops must balance increasing processing performance and efficiency demands with customer expectations for small, lig...
-
PRODUCT CATEGORY
BACKLIGHT DRIVERS (WLED)PRODUCT CATEGORY -
PRODUCT
MPQ3365-AEC1PRODUCT4-Channel, Max. 150mA/Ch, Boost WLED Driver with 15000:1 Dimming Ratio and I2C, AEC-Q100 Qualified
-
PRODUCT
MPQ3365A-AEC1PRODUCT5-Channel, Max 150mA/Ch, Boost WLED Driver with 15000:1 Dimming Ratio and I2C
-
PRODUCT
MPQ3366C-AEC1PRODUCT6-Channel, Max 200mA/Channel, Boost WLED Controller with 10000:1 Dimming Ratio and I2C, AEC-Q100 Qualified
-
PRODUCT
MPQ3359C-AEC1PRODUCT1- to 4-Channel, Max 160mA/Channel, Boost WLED Controller with High Dimming Ratio, AEC-Q100 Qualified
-
PRODUCT
MPQ3359A-AEC1PRODUCT1-/2-/3-/4-Channel, Max 150mA/Ch Boost WLED Driver with High Dimming Ratio, AEC-Q100 Qualified
-
PRODUCT
MP3387LPRODUCT6 Strings 50Vout Boost WLED Driver with Smart Dimming for Tablet & Notebook PC
-
PRODUCT
MP3312PRODUCT2.7VIN to 5.5VIN, 38VOUT, Dual-Channel, Boost WLED Driver, P2P with TPS61163
-
PRODUCT
MP3359PRODUCT4-Channel, Max 150mA/Channel, Boost WLED Driver with High Dimming Ratio
-
PRODUCT
MP3314APRODUCT6-Channel, 80mA, 50V, Boost WLED Driver with I2C Interface
-
PRODUCT
MPQ3359-AEC1PRODUCT4-Channel, Max 150mA/Channel, Boost WLED Driver with High Dimming Ratio, AEC-Q100 Qualified
-
PRODUCT
MP3398HPRODUCT4-String, Max 400mA/String, 80V Return, Step-Up WLED Controller
-
PRODUCT
MP3314PRODUCT6-Channel, 60mA, 50V, Boost WLED Driver with SerialInterface
-
PRODUCT
MP3385BPRODUCT4-String, 80V Output WLED Controller with I2C Interface
-
PRODUCT
MP4657BPRODUCTSingle-Stage, Flyback, 4-String LED Driver and System Voltage Controller with Low Current and Decreased Current Ripple
-
PRODUCT
MP4658PRODUCT4-String, Max 200mA/Channel, 80V Return LED Driver with AC/DC Feedback
-
PRODUCT
MP4657APRODUCTSingle-Stage, Flyback, 4-String LED Driver and System Voltage Controller
-
PRODUCT
MPQ3367A-AEC1PRODUCTLow-EMI, 6-Channel, Max 150mA/Ch, Boost WLED Driver with 15000:1 Dimming Ratio and I2C Interface, AEC-Q100 Qualified
-
PRODUCT
MP3363PRODUCTSingle-String, 1.8V Minimum VIN, 36V VOUT Boost LED Driver
-
PRODUCT
MP3364PRODUCT4-Channel, Maximum 150mA/Ch Boost WLED Driver with 15000:1 Dimming Ratio and I2C
-
PRODUCT
MPQ3362-AEC1PRODUCTSingle-String, 3V VIN_MIN, 36V VOUTBoost LED Driver, AEC-Q100
-
PRODUCT
MPQ3364-AEC1PRODUCT4-Channel, Maximum 150mA/Ch Boost WLED Driver with 15000:1 Dimming Ratio and I2C, AEC-Q100
Log in to your account
Create New Account