- MPQ3359C-AEC1
MPQ3359C-AEC1
1- to 4-Channel, Max 160mA/Channel, Boost WLED Controller with High Dimming Ratio, AEC-Q100 Qualified
Session textval
Session Titefor popup
Description
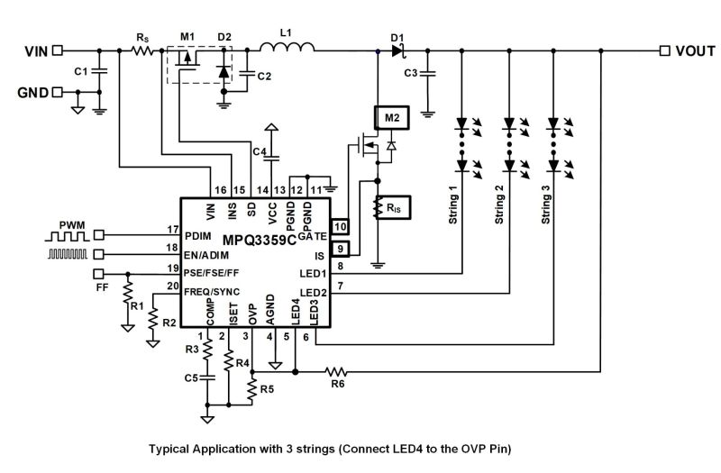
The MPQ3359C is a step-up controller with four channel current sources. It is designed to drive white LED (WLED) arrays as backlighting for medium-sized LCD panels.
The device uses peak current mode control as its pulse-width modulation (PWM) control architecture to regulate the boost converter. The device drives an external MOSFET to boost the output voltage (VOUT) from a 3.5V to 40V input supply voltage (VIN). The switching frequency (fSW) can be configured via a resistor or an external clock.
Four channel current sources are applied to the LED cathode to adjust LED brightness. The MPQ3359C regulates the current in each LED string to the value set by an external current-setting resistor, with 2.5% current regulation accuracy between strings. A low headroom voltage is provided to improve efficiency and IC thermal performance.
The MPQ3359C provides analog and PWM dimming with two separate input pins (EN/ADIM and PDIM, respectively). The device also has a fixed delay time between LED current (ILEDx) channels to eliminate noise during PWM dimming.
Robust protections are included to guarantee safe device operation. Protection modes include input current (IIN) over-current protection, cycle-by-cycle current limiting, over-voltage protection (OVP), over-temperature protection (OTP), LED short/open protection, LEDx short-to-GND protection, and VOUT short-to-GND protection.
The MPQ3359C is available in a QFN-20 (3mmx4mm) package, and is available in AEC-Q100 Grade 1.
-
Show more
Show less
Features & Benefits
- 3.5V to 40V Input Voltage (VIN) Range
- 4 Channels with Max 160mA per Channel
- Configurable Switching Frequency (fSW) Up to 2.2MHz
- External Sync SW Function
- Pulse-Width Modulation (PWM) Dimming
- Analog Dimming
- Deep Dimming Ratio
- Excellent EMI Performance and Frequency Spread Spectrum (FSS)
- Fixed 100µs Delay between LED Current Channels during PWM Dimming (Replaces Phase Shift)
- 2.5% Current Matching
- Cycle-by-Cycle Current Limiting
- Disconnect VOUT from VIN
- Input Over-Current Protection (OCP)
- LED String Open/Short Protection
- Over-Temperature Protection (OTP)
- LEDx Pin Short-to-GND Protection
- VOUT Short-to-GND Protection
- Ability to Disable LED4 if LED4 Is Unused
- Fault Indicator Signal Output
- Available in a QFN-20 (3mmx4mm) Package
- Available in AEC-Q100 Grade 1
Active Part Numbers:
MPQ3359CGLE-AEC1-Z MPQ3359CGLE-AEC1-P
Part numbers ending in P and Z are the same parts. P and Z only indicates reel size.
Meaning of P & Z 
MPQ3359C-AEC1 Resources
-
APPLICATION
HEADS-UP DISPLAY (HUD)APPLICATIONIn the fast-evolving landscape of automotive technology, MPS provides cutting-edge components for heads-up display (HUD) applications designed to enhance the driving experience. Innovative HUD systems seamlessly integrate vital information onto the vehicle's windshield, providing drivers with real-time data, navigation prompts, and safety alerts without diverting their attention from the road. ...
-
APPLICATION
DISPLAY (NAVIGATION, HEADS-UP, CLUSTER)APPLICATIONAutomotive displays — which include the center display, heads-up display (HUD), and gauge instrument cluster — show key information and interactive content to the driver. The center information display is connected to the head unit, and provides navigation and other in-cabin infotainment controls. The automotive HUD and gauge instrument cluster provide easy-to-access information for the driver. Th...
-
APPLICATION
INFOTAINMENT SYSTEMSAPPLICATIONAutomotive in-vehicle infotainment systems are becoming increasingly software-driven to enhance safety and security, as well as the overall driving experience. Modern cars integrate driving and environmental information, passenger entertainment, wireless connections, and navigation into a centralized infotainment system architecture. However, with the rise of sophisticated in-vehicle infotainment ...
-
PRODUCT CATEGORY
BACKLIGHT DRIVERS (WLED)PRODUCT CATEGORY -
PRODUCT CATEGORY
BACKLIGHT DRIVERS (WLED)PRODUCT CATEGORY -
PRODUCT
MPQ3365-AEC1PRODUCT4-Channel, Max. 150mA/Ch, Boost WLED Driver with 15000:1 Dimming Ratio and I2C, AEC-Q100 Qualified
-
PRODUCT
MPQ3365A-AEC1PRODUCT5-Channel, Max 150mA/Ch, Boost WLED Driver with 15000:1 Dimming Ratio and I2C
-
PRODUCT
MPQ3366C-AEC1PRODUCT6-Channel, Max 200mA/Channel, Boost WLED Controller with 10000:1 Dimming Ratio and I2C, AEC-Q100 Qualified
-
PRODUCT
MPQ3621-AEC1PRODUCT48-Channel, Max 50mA/Channel Current-Source LED Driver with Independent Analog and PWM Dimming, AEC-Q100 Qualified
-
PRODUCT
MPQ3321-AEC1PRODUCT48-Channel, Max 80mA/Ch, Current Source LED Driver with Independent Analog and PWM Dimming, AEC-Q100 Qualified
-
PRODUCT
MPQ3359A-AEC1PRODUCT1-/2-/3-/4-Channel, Max 150mA/Ch Boost WLED Driver with High Dimming Ratio, AEC-Q100 Qualified
-
PRODUCT
MP3317PRODUCT6-Channel, 160mA, 34V Boost WLED Driver for VR with I2C Interface
-
PRODUCT
MP3312PRODUCT2.7VIN to 5.5VIN, 38VOUT, Dual-Channel, Boost WLED Driver, P2P with TPS61163
-
PRODUCT
MP3387LPRODUCT6 Strings 50Vout Boost WLED Driver with Smart Dimming for Tablet & Notebook PC
-
PRODUCT
MP3359PRODUCT4-Channel, Max 150mA/Channel, Boost WLED Driver with High Dimming Ratio
-
PRODUCT
MP3314APRODUCT6-Channel, 80mA, 50V, Boost WLED Driver with I2C Interface
-
PRODUCT
MPQ3359-AEC1PRODUCT4-Channel, Max 150mA/Channel, Boost WLED Driver with High Dimming Ratio, AEC-Q100 Qualified
-
PRODUCT
MPQ3323B-AEC1PRODUCT4-Channel, 320mA/Ch, LED Driver with Separated PWM/Analog Dimming and Digital Interface, AEC-Q100 Qualified
-
PRODUCT
MP3398HPRODUCT4-String, Max 400mA/String, 80V Return, Step-Up WLED Controller
-
PRODUCT
MPQ3326B-AEC1PRODUCT16-Channel, 80mA/Ch, LED Driver with Separated PWM/Analog Dimming and Serial Interface (Default Enable), AEC-Q100 Qualified
-
PRODUCT
MPQ3326A-AEC1PRODUCT16-Channel, 80mA/Ch, LED Driver with Separated PWM/Analog Dimming and Serial Interface, AEC-Q100 Qualified
-
PRODUCT
MP3314PRODUCT6-Channel, 60mA, 50V, Boost WLED Driver with SerialInterface
-
PRODUCT
MP3385BPRODUCT4-String, 80V Output WLED Controller with I2C Interface
-
PRODUCT
MP4658PRODUCT4-String, Max 200mA/Channel, 80V Return LED Driver with AC/DC Feedback
-
PRODUCT
MP4657APRODUCTSingle-Stage, Flyback, 4-String LED Driver and System Voltage Controller
Log in to your account
Create New Account