MPQ1530
Industrial Grade, Triple Outputs Boost Plus Linear Regulators for TFT Bias
Shopping CartOrder

MPQ1530

NOT RECOMMENDED FOR NEW DESIGNS

Industrial Grade, Triple Outputs Boost Plus Linear Regulators for TFT Bias

MPQ1530 continues to be in production for existing customers. Please consider this alternative for new designs:

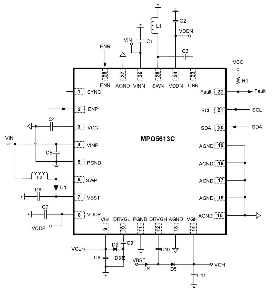
MPQ5613C

Pre-Release

MPQ5613C

Pre-Release

Automotive TFT LCD Bias Driver with I2C, AEC-Q100 Qualified

Features & Benefits

  • 2.7 to 12V Operating Input Voltage (VIN) Range
  • 2A Current Limit for Boost Converter
  • 2.5A Current Limit for Sync-Buck-Boost Inverter
  • 250mΩ Power MOSFET for Boost
  • 200mΩ/250mΩ Power MOSFET for Sync-Buck-Boost
  • I2C Interface and 1-Time One-Time Programmable Memory for Some Registers
  • Configurable Switching Frequency (fSW), Up to 3MHz
  • Frequency Spread Spectrum (FSS) for Improved EMI
  • Frequency Synchronization and Interleaved (180°) Buck-Boost and Boost Control for Improved EMI
  • Input and Output Disconnection
  • Configurable VDDP: 2.7V to 21.8V
  • Configurable VDDN: -0.7V to -16.6V
  • VDDP and VDDN Support Maximum 500mA
  • Continuous Load Current (Limited by the Cycle-by-Cycle Current Limit Protection)
  • Configurable VGH: 5V to 43.2V, with 50mA Current
  • Configurable VGL: 0V to -15.9V, with 50mA Current
  • High Efficiency
  • Configurable Power-On/Off Sequence
  • VIN Under Voltage Lockout (UVLO)
  • Under-Voltage Protection (UVP) for All Outputs
  • Cycle-by-Cycle Current Limit Protection for SWP and SWN
  • Output Current-Limit Protection for VDDP
  • Over-Temperature Protection (OTP)
  • Fault Flag
  • Available in AEC-Q100 Grade 1
  • Available in a QFN-28 (4mmx5mm) Package

… and many more!

Active Part Numbers:

MPQ1530DQ-LF-P MPQ1530DQ-LF-Z

Meaning of P & Z Show more

Design Resources

Symbol, Footprint & 3D Model
30+ more formats Show more
Cad Symbols Symbols (36)
Cad Footprints Footprint (34)
Cad 3D Models 3D Models (15)

Buy direct from MPS

Standard Pricing


In stock

MPQ1530DQ-LF-Z MPQ1530DQ-LF-P Info Icon
  • Package: QFN-16 (3x3)

5,000 per Reel

Buy Now Price $1.93 1K

  • Quantity Unit Price
  • 1
    $3.67
  • 10
    $2.77
  • 100
    $2.29
  • 250
    $2.17
  • 500
    $2.10
  • 1K
    $1.93
Special Pricing Available for
Larger Quantities
Quote or Technical Support
In stock now: 50,000

Order now, up to 50,000 estimated to ship by 06 May, 2026

Lead Time For Additional Quantities

Additional quantities estimated to ship by 15 May, 2026


5,000 per Reel

Ships after May 5th, Then arrives 3-4 business days. Shipping only $5 per order.


MPS Pay: Pay by Invoice Net30 Terms Learn More

Create myMPS+ account for Free Samples
Quality Policy, Certificates & Reliability Reports
All MPS parts are lead-free, halogen-free and adhere to the RoHS directive. See Environmental section for details.