HF830-30
800V, Quasi-Resonant, EMI-Optimized, Offline Switching Regulator with Low Standby
Active Part Numbers:
HF830GS-30-Z HF830GS-30-P
Meaning of P & Z 
Related Products
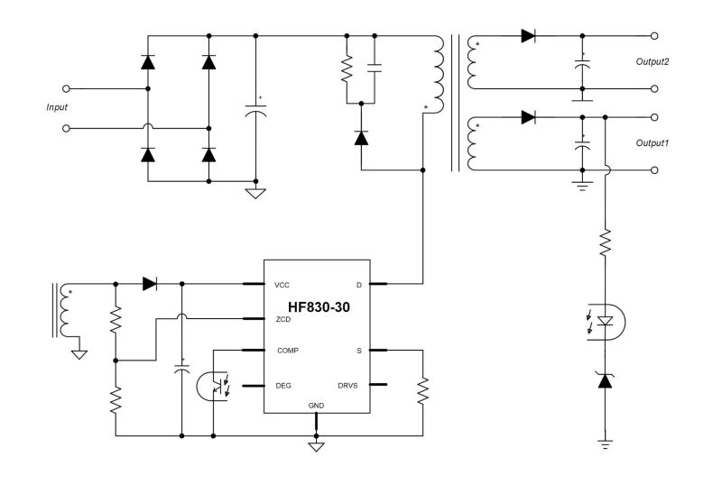
EVHF830-30-S-00A 12V/2.5A and 16V/0.3A, 800V, Quasi-Resonant, EMI-Optimized SSR Flyback Evaluation Board
The EVHF830-30-S-00A is an evaluation board designed to demonstrate the capabilities of the HF830GS-30.
The HF830-30 is an offline regulator with one rugged 800V MOSFET and a full-featured controller integrated into a single chip.
The HF830-30 enables continuous conduction mode (CCM) mode under heavy loads and operates in quasi-resonant (QR) mode as the load decreases. Unlike traditional QR control, the frequency foldback in the HF830-30 can improve efficiency across the entire load range. The patented valley-lock technique restrains valley jumping from one to another during operation, which can avoid audible noise completely. The minimum switching frequency (fSW) is constant at about 20kHz to avoid audible noise, and the HF830-30 enters burst mode as the load becomes very light. These functions guarantee high performance across the entire load range.
The HF830-30 specially optimizes the internal gate driving and provides external driver speed options. This balances the thermal and EMI performance and provides design flexibility for RE performance.
The EVHF830-30-S-00A evaluation board provides a reference design for a universal, offline, isolated power supply with 35W of output power.
Log in to your account
Create New Account