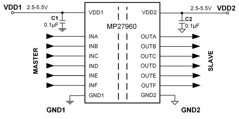
MP27960
5kVRMS, 6-Channel Digital Isolator with 6 Forward Channels and 0 Reverse Channels
Active Part Numbers:
MP27960GY-Z MP27960GY-P MP27960-LGY-Z MP27960-LGY-P
Meaning of P & Z 
Related Products
MP27922 5kVRMS, Quad-Channel Digital Isolator with 2 Forward and 2 Reverse Channels
The MP27922 is a high-performance, 4-channel digital isolator designed for robust applications with two forward channels and two reverse channels. The device can support a 5000VRMS isolation rating per UL 1577.
The MP27922 is optimized to replace optocouplers, and it can support a high data rate of up to 150Mbps. The device can maintain its performance across a wide temperature range while minimizing power consumption. Capacitive isolation technology supports up to a 5kVRMS insulation voltage rating.
The device includes safety-related certifications according to UL 1577, VDE, CSA, and CQC. The MP27922 features a small size, low power consumption, and highly reliable operation when compared to traditional optocoupler isolators.
A Schmitt trigger input and isolated encoding/decoding are provided for high electromagnetic immunity in noisy environments. The selectable high/low fail-safe output supports a fixed output, even if the input signal power fails.
The MP27922 is part of a family of 4-channel digital isolators that can have 2 to 4 forward channels and 0 to 2 reverse channels, for a total of 4 channels.
The MP27922 is available in a wide-body (WB) SOIC-16 package.
5kVRMS, Quad-Channel Digital Isolator with 4 Forward Channels and 0 Reverse Channels
Learn about our Evaluation Kit
Log in to your account
Create New Account