車載グレードのクラスDオーディオアンプを使用して車両のeコールシステムを改善する

PDFのダウンロード

役立つ情報を毎月お届けします

購読する

プライバシーを尊重します

概要

世界保健機関 (WHO) のデータによると、世界の交通事故による死亡者が年々増加している一方で、ヨーロッパの交通事故による死亡者数は減少傾向にあります。(1) この情報を使用して、研究では、患者がどれだけ早く医療を受けられるかということと、生存の可能性の間にざっくりとした因果関係があることが判明しました。

死亡率を下げるために、インテリジェントな交通手段が、eコールとも呼ばれる緊急通報機能の発明につながりました。eコールシステムは交通事故発生後、携帯電話と衛星測位機能を利用して最寄りの救助センターの番号と電話接続します。また音声接続に加えて、搭載のeコールシステムが、事故の発生場所、事故の種類、車両に関する情報も報告・送信します。

注 :
1) 出典 : https://iris.who.int/bitstream/handle/10665/375016/9789240086517-eng.pdf?sequence=1

図1 : eコールシステム

車両のeコールシステムに必要な高効率と診断機能により、オーディオシステムにはスピーカー診断や低消費電力などの特別な要件が求められます。本稿では、例として車載グレードのクラスDオーディオアンプである、MPQ7795-AEC1を使用して、eコールシステムのオーディオ機能をどう改善するかを調べます。このオーディオアンプは、スペースに制約のあるハイパワーオーディオシステムに最適です。

車載用eコールシステム

図2に、MPQ7795-AEC1を使用した一般的なeコールシステムの簡易ブロック図を示します。

図2 : eコールシステム (簡易ブロック図)

eコールシステムはバックアップバッテリーで動作するため、事故により車のバッテリーがシステムから切り離された場合でも動作します。

オーディオ信号の入力フロントエンドと出力は、アナログデジタルコンバータ (ADC) とデジタルアナログコンバータ (DAC) を含むシングルコーデックに結合されます。音声信号パスはドライバを電話経由で緊急サービスに口頭で接続するため、ほとんどのシステムでは、マイク1つ、ADC1つ、DAC1つ、クラスDアンプ1つ、スピーカー1つを含むチャネルが1つだけ必要になります。

DACからの信号は低電圧と低電流の両方の機能を備えているため、MPQ7795-AEC1は、スピーカーのドライバを駆動するためのより高い電圧と電流の機能を信号に提供する理想的なクラスDオーディオアンプです。

クラスABアンプおよびクラスDオーディオアンプ

通常、自動車のヘッドユニットシステムでは選択できるオーディオアンプが2つあります : クラスABアンプおよびクラスDアンプ。

クラスABオーディオアンプは実装が簡単なので、便利で多くの車載オーディオシステムに適用できます。これらのリニアアンプは電磁障害 (EMI) を生成せず、多くの外付け電子部品を必要としません。ただし、効率が非常に低く、熱性能が低いため、ヒートシンクとファンを使用した受動的 (または能動的) の熱管理が必要です。これらの追加の外付け部品により、クラスABオーディオアンプは、クラスDオーディオアンプよりも全体的に高価になることがよくあります。

クラスDオーディオアンプはスイッチングアンプです。クラスDアンプの電力段は常にスイッチモードで動作し、クラスABアンプと比較して電力損失を最小限に抑えます。さらに、クラスDオーディオアンプは、熱管理をほとんど必要としない高効率のスイッチングアンプです。ただし、EMIの懸念があるため、出力インダクタとEMIフィルタが必要です。このような欠点にもかかわらず、クラスDオーディオアンプは、その信じられないほど高い効率と小型サイズにより、自動車のeコールシステムで広く使用されています。

高効率とすぐれたEMI性能

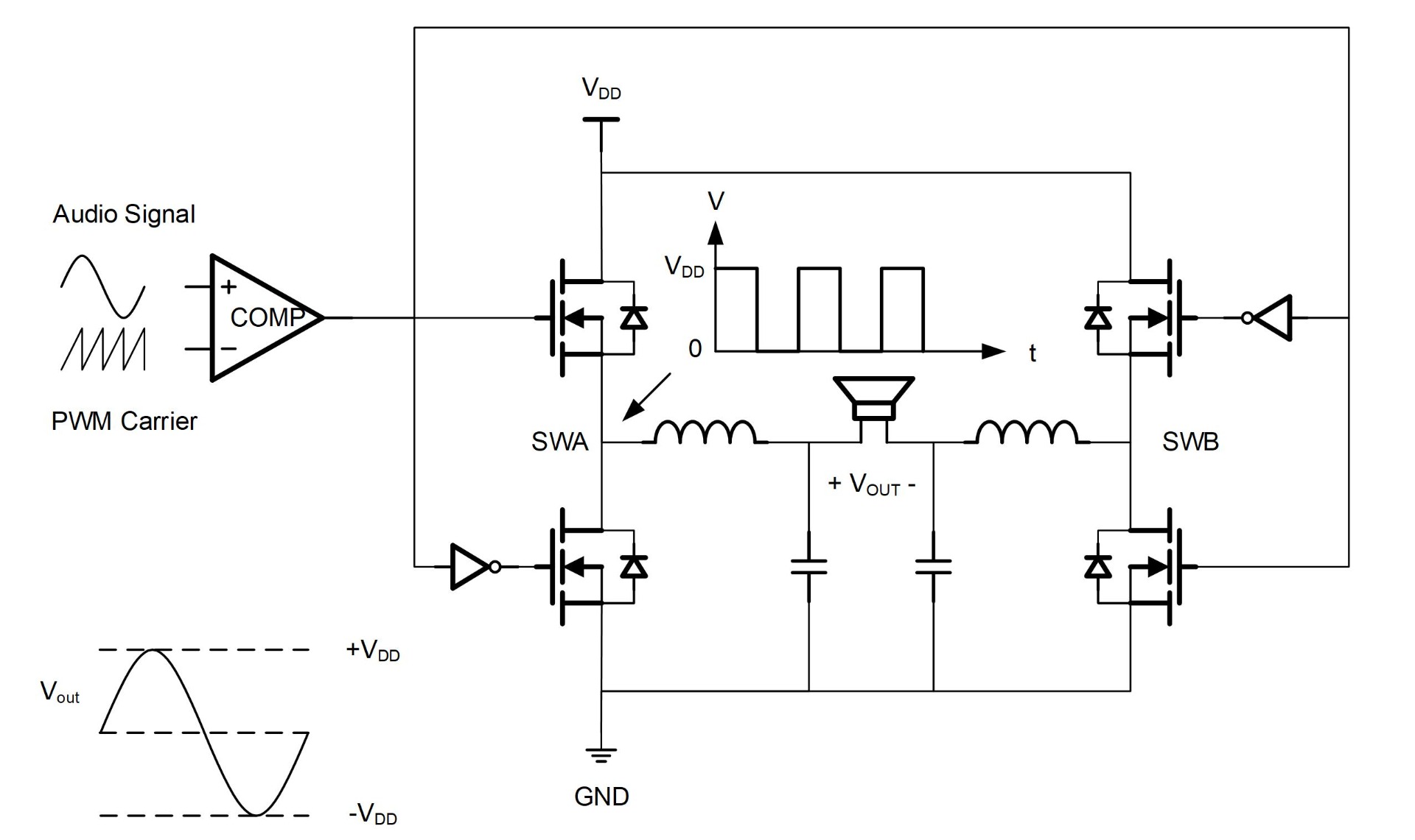
自動車のeコールシステムは通常、大量の電力を必要とします。MPQ7795-AEC1は、クラスDアンプのブリッジ接続負荷 (BTL) 構造として機能するため、このデバイスは車載eコールシステムの電力要件を満たすのに最適です (図3参照)。

図3 : MPQ7795-AEC1 BTLクラスDアンプ

BTLアンプの出力信号振幅 (VOUT_BTL) はアンプの電源電圧 (VDD) と同じくらい高くなることができます。入力オーディオ信号とフィードバック信号はコンパレータの反転入力に結合され、シングルエンド回路を形成します。VOUT_BTLは式 (1) で計算できます。

$$V_{OUT\_BTL}=(2D-1)\times V_{DD}$$

ここで、Dはデューティサイクルです。


BTLアンプの最大出力電力 (POUT_BTL_MAX) は式 (2) で推定できます。

$$P_{OUT\_BTL\_MAX}=(V_{DD})^2/2R$$

ここで、Rはスピーカーの抵抗です。

eコールシステムの重要な要素の1つは、ドライバができるだけ長く緊急サービスと会話できるようにすることです。これは、これらのシステムが非常に効率的である必要があることを意味します。効率、スイッチング周波数 (fSW) を向上するために、330kHz、384kHz、470kHz、または2.2MHzに設定できます。MPQ7795-AEC1の効率は、470kHzと2.2MHzの両方の動作時に90%を超えます。図4は、8Ωスピーカーでの出力電力に対する効率曲線を示しています。さらに、MPQ7795-AEC1は、効率を向上する150mΩの小さなオン抵抗 (RDS(ON)) のMOSFETを統合しています。

図4 : MPQ7795-AEC1の効率曲線

さらに、2.2MHzの動作を選択すると、外付けインダクタ数が減るため、PCBの面積を削減できます。図5は、MPQ7795-AEC1の小さなPCBエリアを示しています。

図5 : MPQ7795-AEC1の小さなPCBエリア

高効率と小型PCBサイズのメリットに加えて、MPQ7795-AEC1はすぐれたEMI性能を備えており、2mの出力ケーブルでCISPR25 クラス5規格を満たすことができます。図6は、CISPR25 クラス5のピーク伝導エミッションを示しています。

図6 : CISPR25 クラス5ピーク伝導エミッションのEMI結果

図7は、CISPR25 クラス5のピーク平均伝導エミッションを示しています。

図7 : CISPR25 クラス5の平均伝導エミッションのEMI結果

オーディオアンプの負荷検出機能

車載用eコールシステムの場合、重大な事故後もシステムが機能し続けることが重要です。したがって、クラスDオーディオアンプは、アンプがこれらの検出結果をプロセッサに伝達できるように、検出通信を統合する必要があります。事故が発生した場合、検出システムは、スピーカーがドライバと緊急サービス間のコミュニケーションをまだ円滑にできることを確認するのに役立ちます。

MPQ7795-AEC1の負荷検出機能は、開放負荷、短絡負荷、VDDへの出力短絡、およびグランドへの出力短絡状態を検出できます。デバイスがイネーブルになっている場合、部品がスイッチングを開始する前、または故障状態に入る前に負荷診断が実行されます。診断中、出力は高インピーダンス (Hi-Z) 状態になります。負荷検出には通常480ミリ秒かかります。上記の故障状態が検出された場合、MPQ7795-AEC1は故障状態をマイクロコントローラ (MCU) に報告できます。同時に、MPQ7795-AEC1の負荷検出時にポップノイズが発生しません。

結論

自動車事故による死亡率を減らすには、できるだけ早く緊急サービスを展開できるように、信頼性の高いeコールシステムを構築することが不可欠です。理想的には、ドライバはeコールシステムを使用する必要がありませんが、事故が発生した場合には、ドライバまたは乗客と緊急サービスの間の通信を効果的に円滑にできるクラスDオーディオアンプが不可欠です。

MPQ7795-AEC1は、小型パッケージでフォールト・トレラント動作と高出力電力を保証する負荷検出機能を備えた車載グレードのクラスDオーディオアンプです。車載用設計のニーズを満たすために使用できる追加のクラスDオーディオアンプを見るには、MPSのWebサイトをご覧ください。

参考文献

1) 世界保健機関 (WHO) (日付不明)。 Global status report on road safety 2023. Geneva. ライセンス : CC BY-NC-SA 3.0 IGO.

_______________________

興味のある内容でしたか? お役に立つ情報をメールでお届けします。今すぐ登録を!