- MPQ5894-AEC1
MPQ5894-AEC1
Session textval
Session Titefor popup
Description
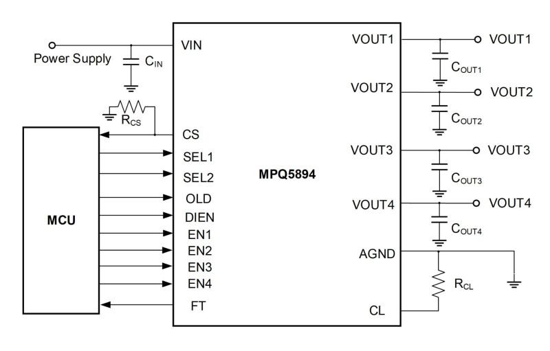
The MPQ5894-AEC1 is a quad-channel, smart high-side switch used in automotive electronic control units (ECUs) and domain control units (DCUs), such as body control, advanced driver-assistance systems (ADAS), and infotainment.
With an integrated N-channel MOSFET for each channel, the MPQ5894-AEC1 can be used for loads with a 3A nominal current. The device provides a compact solution with full protections, including under-voltage protection (UVP), over-voltage protection (OVP), over-current protection (OCP), short circuit protection (SCP), loss of GND, and over-temperature protection (OTP).
With two channel select pins and a multiplexed current-sense pin, the MPQ5894-AEC1 can output the load current or the fault status of the selected channel. In addition, it can also detect whether an open load occurs during the off state. The global FT pin asserts low if any global or channel fault occurs.
The device supports an internal, configurable, high-accuracy external current limit. This helps clamp the inrush current under short-circuit conditions, which improves overall system reliability. Fast-off functionality can quickly turn off the device if the channel current increases sharply during a short circuit.
With a bidirectional TVS diode applied in the system, the MPQ5894-AEC1 can handle the tests defined in ISO 7637-2 and ISO 16750-2 standards. It can also resist reverse battery connections.
The MPQ5894-AEC1 is available in a QFN-21 (4mmx5mm) package, and is AEC-Q100 qualified.
-
Show more
Show less
Features & Benefits
- Built to Handle Tough Automotive Transients:
- Reverse Battery Tolerant to -36V
- Load Dump Up to 42V
- Cold Crank Down to 3.5V
- Extends Battery Life:
- 1µA Shutdown Current (ISD) in Standby Mode
- Low Quiescent Current (IQ) Mode
- Separate Pin to Enable Current-Sensing and Diagnostics
- Full Protections and Diagnostics:
- Configurable Current Limit
- Current Limit Foldback
- Fast-Off during Short-Circuit Protection (SCP)
- Over-Temperature Protection (OTP)
- Under-Voltage Protection (UVP)
- Over-Voltage Protection (OVP)
- Off-State Open-Load Detection (OLD)
- Loss of GND and Loss of Battery Protection
- Reverse Polarity Protection
- Switch-Off Negative Voltage Clamping
- Other Features:
- 3.3V/1.8V MCU Compatible
- ±3% Current-Sense (CS) Accuracy for >1A Loads
- Support Latch-Off and Auto-Retry Option
- Available in AEC-Q100 Grade 1
- Available in AEC-Q100-012 Test Grade A
- Available in a QFN-21 (4mmx5mm) Package
- Available in a Wettable-Flank Package
- Functional Safety System Design Capable:
- MPSafeTM-Compatible – Functional Safety Supporting Documentation Available
Active Part Numbers:
MPQ5894GVE-xxxx-AEC1-Z MPQ5894GVE-xxxx-AEC1-P
Part numbers ending in P and Z are the same parts. P and Z only indicates reel size.
Meaning of P & Z 
MPQ5894-AEC1 Resources
-
PRODUCT CATEGORY
SMART HIGH SIDE SWITCHPRODUCT CATEGORY -
APPLICATION
LOW-POWER EXTERIOR AND INTERIOR LIGHTINGAPPLICATIONAs automotive LED drivers replace traditional bulbs, the operation of low-power exterior and interior lighting systems have become increasingly advanced. Exterior lighting includes turn signals, side markers, rear combination lamps (RCLs), and fog lamps. Interior lighting includes button backlighting, instrument clusters, and dome and ambient lights. While improved low-power operation of exterior ...
-
APPLICATION
ALL LED LIGHTINGAPPLICATIONAutomotive LED lighting systems are comprised of the headlights, interior lights, rear lights, small lights, LED pixel light controllers, and DC/DC LED drivers. With increasingly dynamic and accurate LED lighting features that integrate flexible control, animation, and energy efficiency, key functions including supply, control, sense, actuation, and communication are also becoming more complex. Th...
-
APPLICATION
CENTRAL GATEWAYSAPPLICATIONAs vehicles continue to integrate electronic control unit (ECU) networks for cutting-edge functionality, the automotive central gateway controller plays a central role in bridging and managing the transfer of data across various protocols (e.g. CAN, FlexRay, LIN, Ethernet, and ISO-9141). The central gateway achieves physical isolation between ECU networks, as well as portability between protocols ...
-
APPLICATION
DISPLAY (NAVIGATION, HEADS-UP, CLUSTER)APPLICATIONAutomotive displays — which include the center display, heads-up display (HUD), and gauge instrument cluster — show key information and interactive content to the driver. The center information display is connected to the head unit, and provides navigation and other in-cabin infotainment controls. The automotive HUD and gauge instrument cluster provide easy-to-access information for the driver. Th...
-
APPLICATION
HEAD UNITS (HIGH-END)APPLICATIONAutomotive head unit designs have evolved from the traditional hardware interfaces into sophisticated infotainment systems that offer various in-cabin functionalities. These features include navigation, wireless connections, passenger entertainment, gesture recognition, and voice control. As consumer expectations for infotainment features continue to increase, manufacturers face design challenges ...
-
APPLICATION
LIDARAPPLICATIONLaser imaging, detection, and ranging (LiDAR) is a rapidly expanding market for automotive advanced driver assistance system (ADAS) applications. Autonomous vehicle perception sensing is a cutting-edge functionality of ADAS technologies, and will continue to develop as new cars integrate radar with cameras and LiDAR systems. LiDAR uses real-time measurements of light pulses to offer higher bandwid...
-
APPLICATION
INFOTAINMENT SYSTEMSAPPLICATIONAutomotive in-vehicle infotainment systems are becoming increasingly software-driven to enhance safety and security, as well as the overall driving experience. Modern cars integrate driving and environmental information, passenger entertainment, wireless connections, and navigation into a centralized infotainment system architecture. However, with the rise of sophisticated in-vehicle infotainment ...
-
APPLICATION
REARVIEW CAMERAS (OFF BATTERY)APPLICATIONRearview cameras are perhaps the most well-known camera subsystem used in advanced driver assistance systems (ADAS) applications. As this feature is being offered and expected in more and more vehicles, these camera systems must offer high integration and fast data processing to enable accurate, real-time monitoring of possible hazards behind the vehicle and channeling information directly to an L...
-
APPLICATION
REARVIEW CAMERAS (COAXIAL)APPLICATIONRearview cameras are perhaps the most well-known camera subsystem used in advanced driver assistance systems (ADAS) applications. As this feature is being offered and expected in more and more vehicles, these camera systems must offer high integration and fast data processing to enable accurate, real-time monitoring of possible hazards behind the vehicle and channeling information directly to an L...
-
APPLICATION
FRONT-FACING CAMERAS (OFF BATTERY)APPLICATIONFront-facing cameras are an increasingly popular camera subsystem used in advanced driver assistance systems (ADAS) applications. Because this feature is becoming standard in more and more vehicles, off-battery camera systems must offer high integration and fast data processing to enable accurate, real-time monitoring of possible hazards in front of the vehicle, in addition to assisting with integ...
-
APPLICATION
FRONT-FACING CAMERAS (COAXIAL)APPLICATIONFront-facing cameras are an increasingly popular camera subsystem used in advanced driver assistance systems (ADAS) applications. As this feature is being offered and expected in more and more vehicles, these camera systems must offer high integration and fast data processing to enable accurate, real-time monitoring of possible hazards in front of the vehicle, and assist with integrated systems su...
-
APPLICATION
DRIVER MONITORING SYSTEMSAPPLICATIONDriver monitoring systems are one of the latest developments in automotive safety technology. As part of a holistic human-machine interface (HMI), driver monitoring systems track vital sign parameters and driver attentiveness, so that in the event that the driver is unable to operate the vehicle, assistance can be provided. Of course, advanced new features add design complexity and additional cons...
-
APPLICATION
360° SURROUND VIEW CAMERASAPPLICATION360° surround view cameras help eliminate blind spots for drivers by providing a birds eye view of the car and typically channeling it directly to an LCD display located in the cabins head unit. This image is a composite created from multiple cameras located around the vehicle, usually at least four. Sometimes thought of as the next step in evolution from the backup camera, 360° surround view came...
-
APPLICATION
SENSOR FUSION DOMAIN CONTROLLERSAPPLICATIONPerception-sensing systems have become a popular ADAS offering in new vehicles, and will continue to expand as new cars integrate radar with cameras and even LIDAR systems. However, each of these sensors has strengths and limitation — thats where sensor fusion comes in. By combining the inputs from all of the cars perception-sensing systems, the driver is provided with the best possible informatio...
-
APPLICATION
TELEMATICS/E-CALLSAPPLICATIONTelematics and e-call systems help increase vehicle safety by monitoring conditions and, in the event of a crash, assisting the driver with or alerting emergency responders directly to the event. These embedded onboard tools can monitor diagnostics and offer benefits such as vehicle tracking, as well communication for roadside assistance and emergency calls. Of course, new features also bring grea...
-
APPLICATION
77GHZ RADARAPPLICATION77GHz radar is quickly growing in popularity for automotive advanced driver assistance system (ADAS) applications. Perception-sensing systems are a growing market within ADAS technologies, and will continue to expand as new cars integrate radar with cameras and even LIDAR systems. Automotive imaging radar is used as an additional way to sense objects or potential hazards around the vehicle. 77GHz ...
-
ARTICLE
POWERING THE AUTOMOTIVE REVOLUTION: FROM ZONAL ARCHITECTURE TO 48VARTICLEThe automotive industry is in the midst of a massive transformation. Over the past decade, cars are increasingly being equipped with advanced features that provide customers with greater safety, comfort, ease of use, and enjoyment. That includes everything from heated seats to infotainment screens, safety cameras to high-end sound systems. Some of the most innovative vehicles are fully self-drivin...
-
PRODUCT
MPQ5870L-AEC1PRODUCT28V, 0.5A, Single-Channel, Smart High-Side Load Switch with High-Accuracy Current Sense, AEC-Q100 Grade 1 Qualified
-
PRODUCT
MPQ5862C-AEC1PRODUCT16V, 1.5A, Dual-Channel, High-Side Switch, AEC-Q100 Qualified
-
PRODUCT
MPQ5892-AEC1PRODUCT36V, 5A, Dual-Channel, Smart High-Side Switch, AEC-Q100 Qualified
-
PRODUCT
MPQ5870-AEC1PRODUCT60V, 0.5A, Single-Channel, Smart High-Side Load Switch with High-Accuracy Current Sense, AEC-Q100 Qualified
-
PRODUCT
MPQ5893-AEC1PRODUCT60V Load Dump, 5A, Dual-Channel, Smart High-Side Switch, AEC-Q100 Qualified
-
PRODUCT
MPQ58200-AEC1PRODUCT50V, 32-Channel, High-Side Switch for VCSEL, AEC-Q100 Qualified
-
PRODUCT
MPQ5882-AEC1PRODUCT80V, E-Fuse and Smart High-Side Power Switch, AEC-Q100 Qualified
Log in to your account
Create New Account