- MPQ3445-AEC1
MPQ3445-AEC1
Session textval
Session Titefor popup
Description
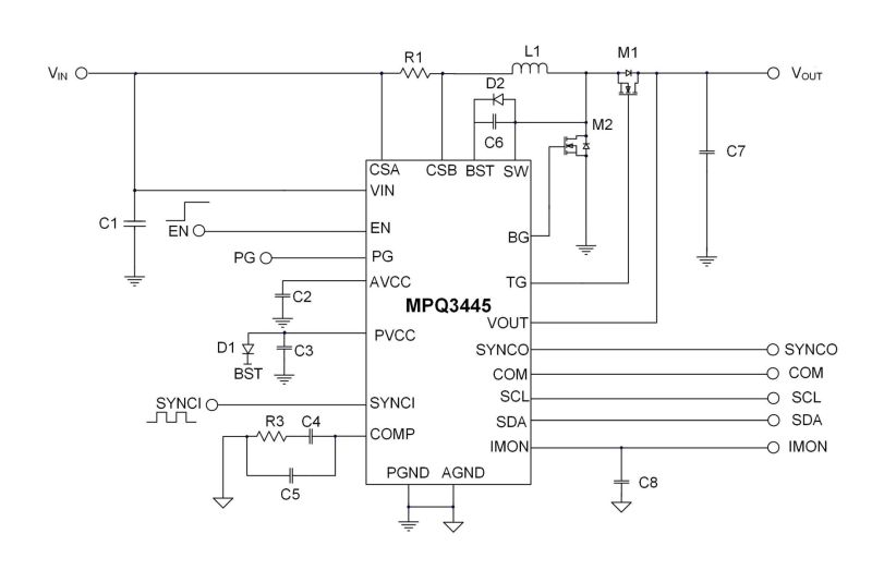
The MPQ3445-AEC1 is a high-efficiency, current-mode, synchronous boost controller with a wide input voltage (VIN) range. It can be used as a pre-boost controller to maintain the output voltage (VOUT) from a vehicle battery during automotive cranking or from a backup battery. The MPQ3445-AEC1 has the capability to drive 10V MOSFETs, greatly improving efficiency and minimizing power loss.
The MPQ3445-AEC1 provides either a configurable I2C (default) or SPI interface to configure some key operating parameters, such as the switching frequency (fSW), current limit, light-load mode, frequency spread spectrum (FSS), dead time (DT), and slope compensation. fSW can be adjusted from 250kHz to 2.5MHz or synchronized directly to an external source.
In the event that VOUT exceeds the preset bypass threshold and VIN exceeds VOUT at the same time, the MPQ3445-AEC1 operates in low quiescent current (IQ) bypass mode. When VOUT falls below the wake threshold, the part exits bypass mode and resumes normal operation with the high-side MOSFET and low-side MOSFET (HS-FET and LS-FET, respectively) switching to regulate the output. Protection features include under-voltage lockout (UVLO), current limit, and thermal shutdown.
The MPQ3445-AEC1 is available in a QFN-21 (5mmx5mm) package with wettable flanks, and is AEC-Q100 Grade 1 qualified.
-
Show more
Show less
Features & Benefits
- Designed for Automotive Applications:
- Supports 2.9V Cold Crank
- Supports 42V Load Dump
- -40°C to +150°C Operating Junction Temperature (TJ)
- Available in AEC-Q100 Grade 1
- Increases Battery Life:
- 40μA Bypass Mode Quiescent Current (IQ)
- Automatic Wakeup and Bypass Mode Transition
- 10V Gate Driving Capability
- Configurable via the I2C or SPI Interface:
- Switching Frequency (fSW)
- Slope Compensation
- Current Limit Reference
- Selectable Light-Load Mode
- Pulse-Skip Modulation (PSM) for Ultra-Light Loads
- Bypass Mode Threshold/Hysteresis
- SYNCIN Phase and Frequency Division
- Synchronous or Non-Synchronous Operation
- Frequency Spread Spectrum (FSS) Modulation
- Additional Features:
- 250kHz to 2.5MHz fSW Synchronizable to an External Clock
- Clock SYNC Out
- Thermal Warning and Thermal Shutdown
- Multi-Phase Capability
- Boost Status Indication
- Available in a QFN-21 (5mmx5mm) Package with Wettable Flanks
- Functional Safety System Design Capable:
- MPSafeTM-Compatible – Functional Safety Supporting Document Available
Active Part Numbers:
MPQ3445GUE-xxxx-AEC1-Z MPQ3445GUE-xxxx-AEC1-P MPQ3445GUE-0000-AEC1-Z MPQ3445GUE-0000-AEC1-P
Part numbers ending in P and Z are the same parts. P and Z only indicates reel size.
Meaning of P & Z 
MPQ3445-AEC1 Resources
-
APPLICATION
LOW-POWER EXTERIOR AND INTERIOR LIGHTINGAPPLICATIONAs automotive LED drivers replace traditional bulbs, the operation of low-power exterior and interior lighting systems have become increasingly advanced. Exterior lighting includes turn signals, side markers, rear combination lamps (RCLs), and fog lamps. Interior lighting includes button backlighting, instrument clusters, and dome and ambient lights. While improved low-power operation of exterior ...
-
APPLICATION
HEADLIGHTSAPPLICATIONHeadlights remain one of the most important functional safety features in any vehicle. While not a new feature, most new car models now feature LED headlights to provide increased brightness, better efficiency, and longer headlight lifespans. And of course, as with any automotive application, headlight designs must meet strict thermal requirements, ISO26262 safety standards, and EMC regulations. ...
-
APPLICATION
ALL LED LIGHTINGAPPLICATIONAutomotive LED lighting systems are comprised of the headlights, interior lights, rear lights, small lights, LED pixel light controllers, and DC/DC LED drivers. With increasingly dynamic and accurate LED lighting features that integrate flexible control, animation, and energy efficiency, key functions including supply, control, sense, actuation, and communication are also becoming more complex. Th...
-
APPLICATION
DISPLAY (NAVIGATION, HEADS-UP, CLUSTER)APPLICATIONAutomotive displays — which include the center display, heads-up display (HUD), and gauge instrument cluster — show key information and interactive content to the driver. The center information display is connected to the head unit, and provides navigation and other in-cabin infotainment controls. The automotive HUD and gauge instrument cluster provide easy-to-access information for the driver. Th...
-
APPLICATION
HEAD UNITS (MID-RANGE)APPLICATIONAutomotive head unit designs have evolved from the traditional hardware interfaces into sophisticated infotainment systems that offer various in-cabin functionalities. These features include navigation, wireless connections, passenger entertainment, gesture recognition, and voice control. As consumer expectations for infotainment features continue to increase, manufacturers face design challenges ...
-
APPLICATION
HEAD UNITS (HIGH-END)APPLICATIONAutomotive head unit designs have evolved from the traditional hardware interfaces into sophisticated infotainment systems that offer various in-cabin functionalities. These features include navigation, wireless connections, passenger entertainment, gesture recognition, and voice control. As consumer expectations for infotainment features continue to increase, manufacturers face design challenges ...
-
APPLICATION
REARVIEW CAMERAS (COAXIAL)APPLICATIONRearview cameras are perhaps the most well-known camera subsystem used in advanced driver assistance systems (ADAS) applications. As this feature is being offered and expected in more and more vehicles, these camera systems must offer high integration and fast data processing to enable accurate, real-time monitoring of possible hazards behind the vehicle and channeling information directly to an L...
-
APPLICATION
FRONT-FACING CAMERAS (OFF BATTERY)APPLICATIONFront-facing cameras are an increasingly popular camera subsystem used in advanced driver assistance systems (ADAS) applications. Because this feature is becoming standard in more and more vehicles, off-battery camera systems must offer high integration and fast data processing to enable accurate, real-time monitoring of possible hazards in front of the vehicle, in addition to assisting with integ...
-
APPLICATION
DRIVER MONITORING SYSTEMSAPPLICATIONDriver monitoring systems are one of the latest developments in automotive safety technology. As part of a holistic human-machine interface (HMI), driver monitoring systems track vital sign parameters and driver attentiveness, so that in the event that the driver is unable to operate the vehicle, assistance can be provided. Of course, advanced new features add design complexity and additional cons...
-
PRODUCT CATEGORY
STEP-UP (BOOST) CONVERTERS AND CONTROLLERSPRODUCT CATEGORY -
PRODUCT
MPQ3414C-AEC1PRODUCT1.5A, 2.2MHz, 5VOUT, 52μA IQ, Synchronous Step-Up Converter with Output Disconnect, AEC-Q100 Qualified
-
PRODUCT
MPQ3446-AEC1PRODUCT55V, Wide-Input, Current-Mode, Synchronous Boost Controller, AEC-Q100 Qualified
-
PRODUCT
MPQ3438-AEC1PRODUCT2A, 10V, High-Efficiency, Fully Integrated, Synchronous Boost Converter, AEC-Q100 Qualified
-
PRODUCT
MPQ3431C-AEC1PRODUCT21A, High-Efficiency, Fully Integrated, Synchronous Boost Converter with Configurable Peak Switching Current Limit, AEC-Q100 Qualified
-
PRODUCT
MPQ3432-AEC1PRODUCT21A, High-Efficiency, Fully Integrated, Synchronous Boost Converter with Configurable Current Limit, AEC-Q100 Qualified
-
PRODUCT
MPQ3413-AEC1PRODUCT1.5A, 2.2MHz, 52μA IQ, 5V VOUT, Synchronous Step-Up Converter with Output Disconnect, AEC-Q100 Qualified
-
PRODUCT
MPQ3414B-AEC1PRODUCT1.5A, 2.2MHz, 5V VOUT, 52μA IQ, Synchronous Step-Up Converter with Output Disconnect, AEC-Q100 Qualified
-
PRODUCT
MPQ3452-AEC1PRODUCT22V, 3A Boost Converter with Configurable Switching Frequency, AEC-Q100 Qualified
-
PRODUCT
MPQ3431A-AEC1PRODUCT21A, High-Efficiency, Fully Integrated, Synchronous Boost Converter with Configurable Input Current Limit, AEC-Q100 Qualified
-
PRODUCT
MPQ8875A-AEC1PRODUCT36V, 5A, Four-Switch, Synchronous Buck-Boost Converter with I2C Interface AEC-Q100 Qualified
-
PRODUCT
MPQ3910A-AEC1PRODUCT35V, Boost PWM Controller with Configurable Frequency, Soft Start, and Light-Load Operation, AEC-Q100 Qualified
-
PRODUCT
MPQ3410-AEC1PRODUCT1.3A, 550kHz Synchronous Rectified Step-Up Converter AEC-Q100 Qualified
-
PRODUCT
MPQ1530-AEC1PRODUCTTriple Outputs Boost Plus Linear Regulators for TFT Bias with AEC-Q100 qualification
-
ARTICLE
DESIGN CONSIDERATIONS TO SUSTAIN AUTOMOTIVE CRANK CONDITIONSARTICLEModern vehicles using 12V battery systems are subjected to a number of transient conditions. Some transients involve high-voltage pulses, while others may be under low-voltage conditions. Crank transients are low-voltage conditions that occur when a car engine starts, and the car battery drops several volts below its normal operating range for a brief time. The requirements to maintain normal veh...
-
ARTICLE
OPTIMIZED BACKLIGHT DISPLAY DESIGN WITH THE MPQ3367ARTICLEA smart cockpit is essential for an intelligent, convenient, and safe automotive environment for drivers. Emerging energy companies and established car brands alike are increasing their investments to innovate cutting-edge smart cockpits. To meet this demand, MPS continues to introduce improved power management solutions in line with the future of automotive electronics. Many automotive features ...
Log in to your account
Create New Account