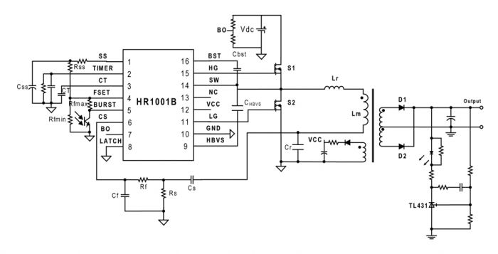
LLC設計ツール
MPSのLLC設計ツールは、コンバータがソフトスイッチングをしながら疑似共振領域で動作するように、Lr、CrおよびLmにて構成される共振タンクの値を定義するのに役立ちます。当ツールは入出力の仕様によって設計ソリューションを提案しますが、ユーザーは主要なパラメータを変更することが可能です。
LLCコンバータは、低損失で高電力密度を実現できるため、より人気が高まっています。この動作はソフトスイッチング技術によって実現されています。このタイプで最も一般的に使用されるものは、ゼロ電圧スイッチング (ZVS) です。設計者が最も保証しなければならないのは、トランジスタがスイッチしたら、ドレインソース電圧 (Vds) はゼロに近くならなければならないということです。スイッチング損失 (トランジスタ電流によるVdsの積として知られる) は劇的に少なくなります。すべての入出力条件においてこのシナリオを達成するのは簡単ではありません。MPSは、このツールを使って、このようなタイプのコンバータの設計プロセスを加速したいと考えています。
ツールの使用方法
-
コンバータの操作境界を定義します. 入力電圧と出力電圧の最大値と最小値。仕様から、トランスの巻数比 (n) と共振タンクの最大および最小ゲイン (Mg)が計算されます。最大取得可能ピークは、最大ピークゲイン図を使用して計算されます.
-
最大ピークゲインを考慮して、品質係数(Q)と正規化インダクタ(Ln)の値を選択します. Qは、Lr とCrで作るフィルターの品質係数、 Ln (Ln= Lm/ Lr)は、共振インダクタンス(Lr)とトランスの励磁インダクタンス(Lm)の比です.
- Ln 調整: Lnの値を低減すると、最大ピークは増加しますが、それに対応してLmの値も減少しますこれにより、ZVS条件の実現が容易になりますが、入力電流のリップルが大きくなり、導通損失も増加する可能性があります.
- Q調整: 値が大きいほど、帯域幅が狭くなり、ゲインも低くなります。一般的な考慮事項として、Qの値が増加すると、スイッチング周波数が同じように大きくなり、ゲインの変動が大きくなります。これは安定した応答にとっては悪い挙動です。したがって、Qが低いほど、システムはより安定します.
- ユーザーは、システムに必要な最小ゲインを表す、赤い線(Mgmax)より大きい値を選択しなければなりません, 選択した値から、MPS ツールは共振インダクタ値 (Lr) とコンデンサ値 (Cr)を計算できます.
- 次のステップで、選択したLn とQが期待される動作を達成できるかどうか視覚化します,そしてコントローラの操作ウィンドウを定義することです。ユーザーは、誘導領域内の過負荷曲線で最大ゲインが達成可能かどうかを確認する必要があります。ゲイン応答ギャップは、計算されたQに依存して異なる状況(Ioutmax、Voutmax、Ioutmin、Voutmin) をもたらします。Qは等価抵抗(Vo / Io)の逆数です.
- 次の設計上の制約を考慮して,スライダを動かして正規化された周波数ウィンドウを選択します:
- コンバータは誘導性領域(fn > 1; fs > fr)で動作する必要があります。したがって、スイッチング周波数はLCタンクの共振周波数より高くなければなりません.
- スイッチング周波数が共振周波数に近いほど、効率は良くなります.(fn = 1.
- 共振周波数が低いほど、多量の部品になります.
- 低周波数のゲイン(ffn min)は、最大ゲインポイントよりわずかに高くなっています。(Mgmax).
- 周波数ウィンドウを定義することにより、ツールは最小および最大のスイッチング周波数を提供します
用語集
| Ln | 正規化インダクタンス |
| Lm | 励磁インダクタンス |
| Lr | 共振インダクタ |
| Q | 公称品質係数 |
| Cr | 共振コンデンサ |
| MG | ゲイン |
| Fn | 正規化周波数 |
| Fsw | スイッチング周波数 |
| Fo | 共振周波数 |
フローチャート
仕様
入力および出力要件を定義してください:
入力
出力
最大ピークゲイン
グラフ内をクリックして、L nおよび Mgmax制限(赤い線)を上まわる Q(ポイント) の組み合わせを選択します.
「ツールの使い方」 セクション(ポイント 2)に記載されているガイドラインに従って、アプリケーションごとに最適な値を選択します.
Less Commutation losses
Less Conduction losses
Better Efficiency
Easy to stabilize
推奨 n =
Qmin (10% Load) = | Qmax (Over Load) =
Gain Response
Choose a normalized frequency range, in where the converter will operate, by moving the slider. The gain response can be adjusted by changing Lr and Cr.
Notice that by doing so the Resonance Frequency and Nominal Quality Factor will change.
< Mgmax >
Mgmin <
Final Results
| Tank Design | |
|---|---|
| Lr | Cr |
| Transformer Design | |
|---|---|
| Lm | n |
| Frequency Range | |
|---|---|
| fsmin | fsmax |
| RMS Current Values | |
|---|---|
| Primary | Secondary |

アカウントにログイン
新しいアカウントを作成